Запчасти Case 480E LL (2-02) - RADIATOR, FAN, AND MOUNTING PARTS (02) - ENGINE

Схема запчастей Case 480E LL - (2-02) - RADIATOR, FAN, AND MOUNTING PARTS (02) - ENGINE
FIT
1:1
100%

Артикул

Название

Примечание

Количество

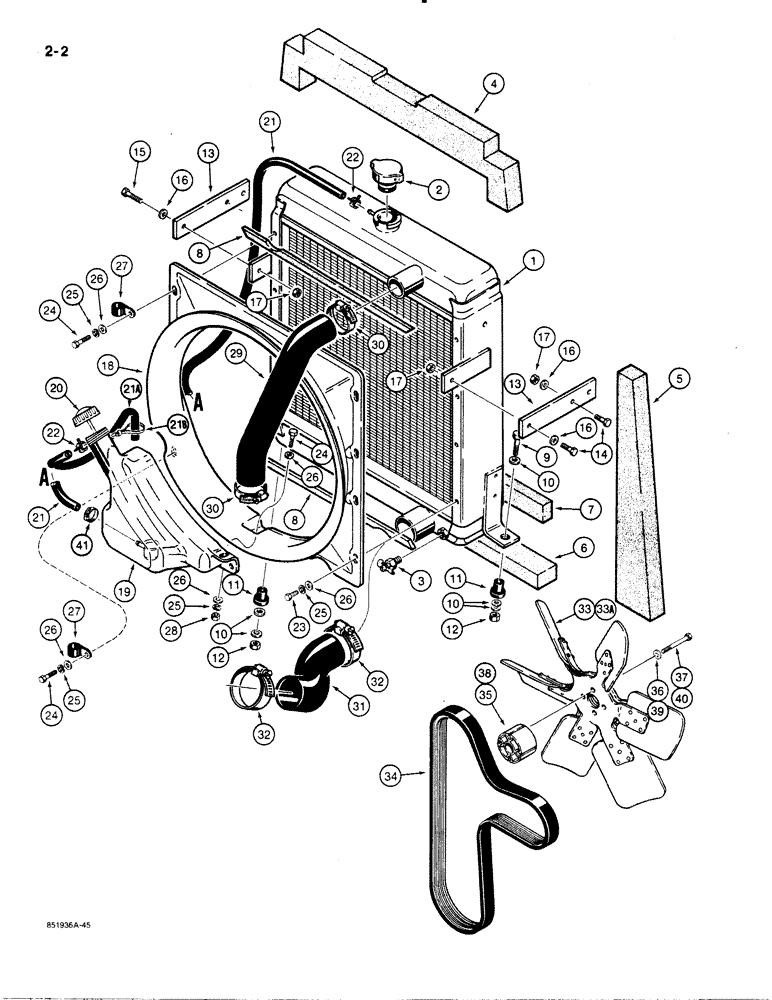
1

A171356

RADIATOR

RADIATOR - engine cooling

1шт.

2

A170241

RADIATOR CAP

Filler, 15 psi

1шт.

3

217-92

COCK

VALVE - drain

1шт.

4

REF

INSTRUCTION

BAFFLE - radiator, top, cut from D92228, base size is 5-5/16" (135 mm) x 24-5/8" (625 mm)

1шт.

5

REF

INSTRUCTION

BAFFLE - radiator, sides, cut from D92228, base size is 3-3/4" (95 mm) x 22-1/4" (565 mm)

2шт.

6

REF

INSTRUCTION

BAFFLE - radiator, lower, cut from D92228, base size is 2" (50 mm) x 22-7/8" (580 mm)

1шт.

7

REF

INSTRUCTION

BAFFLE - radiator, lower front, cut from D92228, base size is 1" (25 mm) x 25-3/16" (640 mm)

1шт.

8

A173165

SEALING STRIP

SEAL - radiator, upper and lower

2шт.

9

113-233

BOLT,Hex, 3/8" - 16 x 1-3/4", Gr 5

BOLT, Hex, 3/8"-16 x 1 3/4", G5

2шт.

10

D52275

WASHER,9.92mm ID x 31.75mm OD x 2.78mm Thk

WASHER - flat, 25/64 x 1-1/4 x 7/64 inch, hardened

6шт.

11

D52276

ISOLATOR,10.16mm ID x 28.07mm OD x mm L

CUSHION - rubber

2шт.

12

131-52

NUT,3/8"-16, GC

NUT - hex, self-locking, 3/8 inch NC

2шт.

13

A173418

STRAP

STRAP - radiator, mounting, side

2шт.

14

413-620

BOLT,Hex, 3/8" - 16 x 1-1/4", Gr 5

3шт.

15

413-624

BOLT,Hex, 3/8" - 16 x 1-1/2", Gr 5

1шт.

16

495-21044

WASHER,3/8"

(flat, 7/16 x 1 x 5/64 inch)

4шт.

17

131-52

NUT,3/8"-16, GC

NUT - hex, self-locking, 3/8 inch NC

4шт.

18

A171002

DEFLECTOR

SHROUD - radiator

1шт.

19

A171805

RESERVOIR

RESERVOIR - coolant recovery bottle

1шт.

20

A184079

CAP

CAP - screw-on, reservoir

1шт.

21

REF

INSTRUCTION

HOSE - 35-1/2" (902 mm) long, cut from H424101 hose, see below, Serial Range: radiator-reservoir

1шт.

21a

REF

INSTRUCTION

HOSE - 11-13/16" (300 mm) long, cut from H424101 hose, see below, coolant overflow

1шт.

21b

L18337

CABLE TIE,9.95"-12.1" lg

CABLE STRAP STRAP - tie, 15 inch, nylon

1шт.

22

A171099

HOSE CLAMP,13.2mm - 15.4mm

CLAMP - hose, retaining

2шт.

23

814-8016

BOLT,Hex, M8 x 1.25 x 16mm, Cl 8.8, Full Thd

BOLT - hex, 8 mm - 1.25 x 16 mm

6шт.

24

814-8030

BOLT,Hex, M8 x 1.25 x 30mm, Cl 8.8, Full Thd

BOLT - hex, 8 mm - 1.25 x 30 mm

3шт.

25

192-20

LOCK WASHER,Helical Spring, 0.318" ID, CST, ZND

WASHER, LOCK, 5/16"

9шт.

26

195-103

WASHER,5/16"

WASHER - flat, 3/8 x 7/8 x 5/64 inch

10шт.

27

49768

CLIP

- P-type

2шт.

D92228

BAFFLE

BAFFLE - bulk pad, 35-1/2" (900 mm) x 55-1/8" (1400 mm) x 1-1/2" (38 mm), use to cut items 4 thru 7, not shown

1шт.

H424101

HOSE,7.90 mm ID x 2300.00 mm, SAE 30R2 Type 1

Bulk

1шт.

345-44

ADHESIVE

ADHESIVE - spray can, for attaching foam pads to metal surfaces, 19-1/2 fluid ounces

1шт.

28

825-1108

NUT,Hex, M8, Cl 8

1шт.

29

A170431

RADIATOR HOSE,45.00 mm ID x 265.00 mm, SAE 20R4 PER SAE J20 OR SAE 20R4 CLASS D-1 OR D-2

Upper

1шт.

30

214-259

HOSE CLAMP,#32, 1.56" - 2.5", Type F Worm

CLAMP - hose, No. 32, Type F

2шт.

31

A170632

RADIATOR HOSE,58.00 mm ID x 173.00 mm, SAE 20R4 PER SAE J20 OR SAE 20R4 CLASS D1 or D2

Lower

1шт.

32

214-261

HOSE CLAMP,#40, 2.06" - 3", Type F Worm

CLAMP - hose, 1-13/16 to 2-3/4 inch

2шт.

33

A171552

FAN

FAN - engine cooling, part number is stamped on blade, 50 mm mounting hole pattern for 8 mm bolts, if used

1шт.

33a

A173545

FAN

FAN - engine cooling, part number is stamped on blade, 60 mm mounting hole pattern for 10 mm bolts, if used

1шт.

34

J911559

V-BELT,27.92mm W x 1574.8mm L, 8 Ribs

Fan

1шт.

D101856

SPACER

KIT - fan spacer, used with A171552 fan, Includes: Ref. 35 - 37

1шт.

35

A172589

SPACER

SPACER - fan, 50 mm hole pattern for 8 mm bolts, if used

1шт.

36

H426775

WASHER

WASHER - hardened, used with 8 mm bolts, if used

4шт.

37

827-8080

BOLT,Hex, M8 x 1.25 x 80mm, Cl 10.9

If used

4шт.

38

A184545

SPACER

SPACER, fan, 60 mm hole pattern for 10 mm bolts, if used

1шт.

39

196-1

WASHER,13/32" x 13/16" x .089", HDN

WASHER - hardened, used with 10 mm bolts, if used

4шт.

40

814-10080

BOLT,Hex, M10 x 1.5 x 80mm, Cl 8.8

BOLT - hex, 10 mm - 1.5 x 80 mm (8.8), if used

4шт.

41

214-335

HOSE CLAMP,#4, 0.25/0.62 Type M Worm

CLAMP - radiator hose at reservoir, replaces spring type clamp

1шт.

Выбрано товаров: 48