Запчасти Case 480E LL (9-066) - THREE-POINT HITCH CONTROLS (09) - CHASSIS/ATTACHMENTS

Схема запчастей Case 480E LL - (9-066) - THREE-POINT HITCH CONTROLS (09) - CHASSIS/ATTACHMENTS
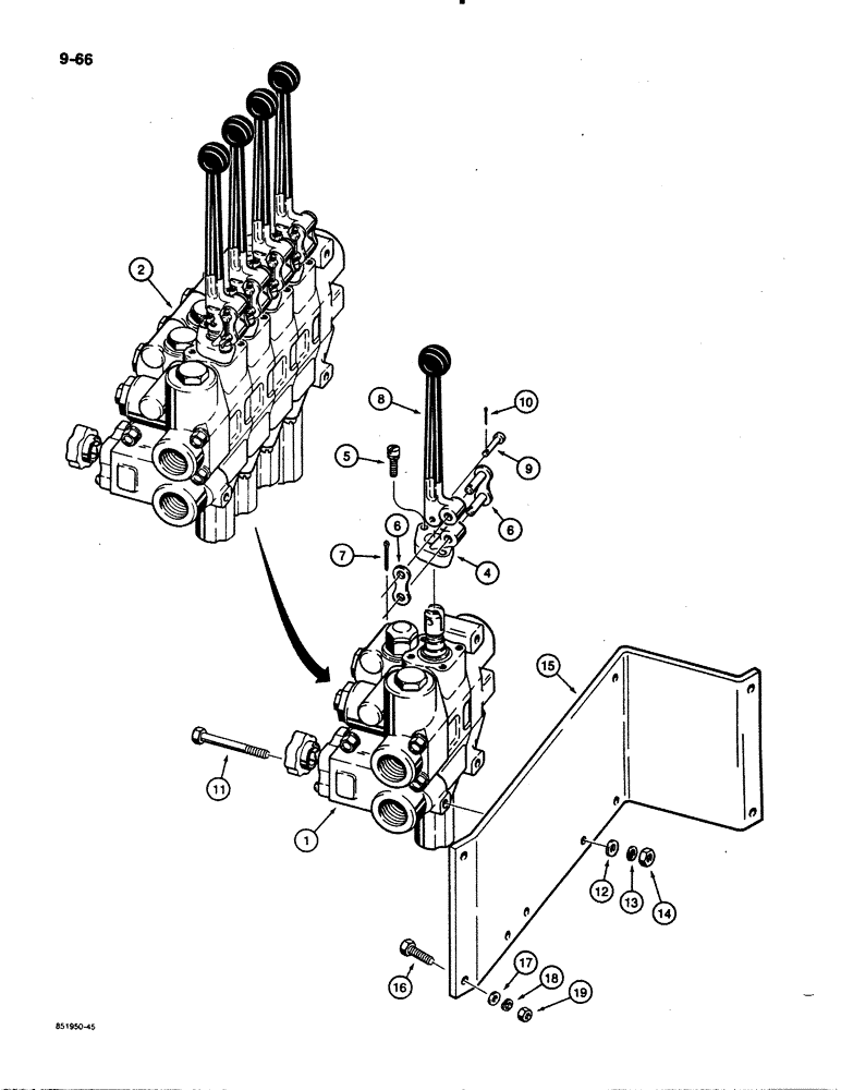
FIT
1:1
100%

Артикул

Название

Примечание

Количество

1

D122163

VALVE

CONTROL VALVE - hitch, one spool, parts list Figure 8-94, Includes: Ref. 4 - 10

1шт.

Refs. 4-10 are included in the control valve assemblies, parts list Figures 8-94 through 8-98. See Figures 8-94 through 8-98 for valve identification.

1шт.

2

D122164

VALVE

SPARE PART CONTROL VALVE - hitch, four spool, parts list Figure 8-96, Includes: Ref. 4 - 10

1шт.

Refs. 4-10 are included in the control valve assemblies, parts list Figures 8-94 through 8-98. See Figures 8-94 through 8-98 for valve identification.

1шт.

3

D122165

VALVE

SPARE PART CONTROL VALVE - hitch, five spool, parts list Figure 8-96, not shown, Includes: Ref. 4 - 10

1шт.

Refs. 4-10 are included in the control valve assemblies, parts list Figures 8-94 through 8-98. See Figures 8-94 through 8-98 for valve identification.

1шт.

3a

D122151

VALVE

SPARE PART CONTROL VALVE - hitch and PTO, five spool, parts list Figure 8-98, not shown, Includes: Ref. 4 - 10

1шт.

Refs. 4-10 are included in the control valve assemblies, parts list Figures 8-94 through 8-98. See Figures 8-94 through 8-98 for valve identification.

1шт.

4

N7114

BRACKET

RETAINER AND BRACKET - section

1-5шт.

5

193-558

SCREW,SEMS, Slot Fil Hd, 1/4"-20 x 7/8"

SCREW - slotted Fillister with lockwasher 1/4 NC x 7/8 inch

2-10шт.

6

H620344

LINK

LINK - bracket to control rod

1-5шт.

7

132-17

COTTER PIN,1/16" x 2"

COTTER PIN - 1/16" x 1-1/2", plated

1-5шт.

8

N7113

HANDLE

LEVER - section control

1-5шт.

9

D88727

PIN

PIN - lever to spool eye

1-5шт.

10

132-379

COTTER PIN,5/64" x 1/2"

PIN, SPLIT (COTTER), 5/64" x 1/2"

1-5шт.

11

113-119

BOLT,Hex, 5/16" - 18 x 2-3/4", Gr 5

BOLT, Hex, 5/16"-18 x 2 3/4", G5

3шт.

12

195-521

WASHER,5/16", SAE

WASHER - flat, 11/32 x 11/16 x 3/64 inch

3шт.

13

192-20

LOCK WASHER,Helical Spring, 0.318" ID, CST, ZND

WASHER, LOCK, 5/16"

3шт.

14

425-105

NUT,5/16"-18, G5

3шт.

15

D99470

PLATE

BRACKET - valve mounting

1шт.

16

113-103

BOLT,Hex, 5/16" - 18 x 1", Gr 5

4шт.

17

195-521

WASHER,5/16", SAE

WASHER - flat, 11/32 x 11/16 x 3/64 inch

4шт.

18

192-20

LOCK WASHER,Helical Spring, 0.318" ID, CST, ZND

WASHER, LOCK, 5/16"

4шт.

19

425-105

NUT,5/16"-18, G5

4шт.

Выбрано товаров: 24