Запчасти Case 480E LL (9-070) - THREE-POINT HITCH DRAFT ARMS, LINKAGE, AND CYLINDER, USED W/MECHANICAL HITCH (09) - CHASSIS/ATTACHMENTS

Схема запчастей Case 480E LL - (9-070) - THREE-POINT HITCH DRAFT ARMS, LINKAGE, AND CYLINDER, USED W/MECHANICAL HITCH (09) - CHASSIS/ATTACHMENTS
FIT
1:1
100%

Артикул

Название

Примечание

Количество

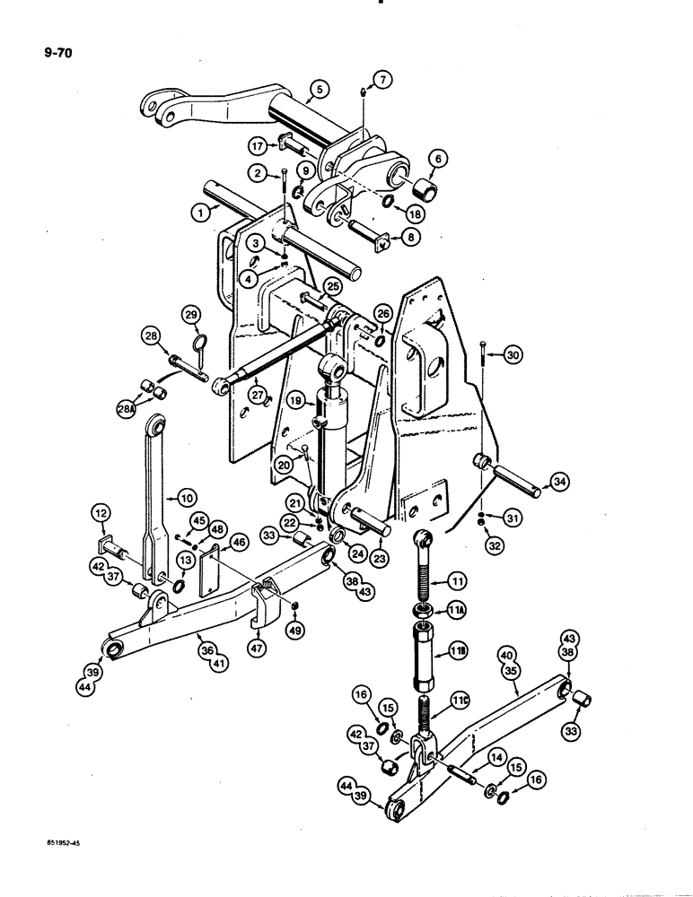
1

D51569

SHAFT

ROCKSHAFT - three-point hitch

1шт.

2

113-241

BOLT,Hex, 3/8" - 16 x 3", Gr 5

BOLT, Hex, 3/8"-16 x 3", G5

1шт.

3

492-11038

LOCK WASHER,3/8"

1шт.

4

129-103

NUT,Hex, 3/8" - 16, Gr 5

NUT, 3/8"-16, G5

1шт.

5

D72875

TUBE,23.6" L

TUBE - rockshaft

1шт.

6

D50146

BUSHING,44.68mm ID x 57.15mm OD x 38.1mm L

BUSHING - tube

2шт.

7

219-1

LUBE NIPPLE,1/8" - 27 NPTF

FITTING - grease, straight, 1/8 PT x 21/32 inch long

1шт.

8

D51299

PIN

PIN - mounting, strut and leveling link, upper

2шт.

9

D25277

SNAP RING,23.5mm ID x 2.62mm Thk

SNAP RING - pin retaining

2шт.

10

D51276

STAND

STRUT - stationary

1шт.

11

D91488

END

EYE - leveling link

1шт.

11a

129-152

JAM NUT,Jam, 1 1/4"-7, G5

NUT - hex, jam, 1-1/4" - 7 NC, plated

1шт.

11b

D91489

TURNBUCKLE

TURNBUCKLE - leveling link

1шт.

11c

D91491

CLEVIS

CLEVIS - leveling link

1шт.

12

D51297

PIN

PIN - mounting, strut, lower

1шт.

13

D25277

SNAP RING,23.5mm ID x 2.62mm Thk

SNAP RING - retaining, lower strut mounting pin

1шт.

14

D95481

AXLE PIN

PIN - leveling link, lower

1шт.

15

195-553

WASHER,1", SAE

WASHER - flat, plated, leveling link alignment

2шт.

16

D25277

SNAP RING,23.5mm ID x 2.62mm Thk

SNAP RING - lower pin retaining, leveling link

2шт.

17

D51302

PIN

PIN - lift cylinder mounting, upper

1шт.

18

D26918

SNAP RING,#125, Ext

Ring, Snap, , upper lift cylinder mounting pin #125, Ext

1шт.

19

G101189

CYLINDER ASSY.

CYLINDER ASSEMBLY - lift, parts list Figure 8-138

1шт.

20

113-257

BOLT,Hex, 3/8" - 16 x 2-1/2", Gr 5

BOLT, Hex, 3/8"-16 x 2 1/2", G5

1шт.

21

492-11038

LOCK WASHER,3/8"

1шт.

22

129-103

NUT,Hex, 3/8" - 16, Gr 5

NUT, 3/8"-16, G5

1шт.

23

D51695

PIN

PIN - mounting, lift cylinder, lower

1шт.

24

D51692

SPACER

SPACER - lift cylinder mounting pin, lower

1шт.

25

D51294

PIN

PIN - mounting, upper link at mounting frame

1шт.

26

T25683

SNAP RING,#75, Ext

Ring, Snap, , upper link mounting pin #75, Ext

1шт.

27

A36228

UPPER LINK

LINK - upper

1шт.

28

G16735

PIN

PIN - mounting, upper, Serial Range: link-equipment

1шт.

28a

T39236

BUSHING

SPACER - to adapt G16735 pin for use with category II hitch, if used

2шт.

29

A30338

PIN

PIN - klik

1шт.

30

113-257

BOLT,Hex, 3/8" - 16 x 2-1/2", Gr 5

BOLT, Hex, 3/8"-16 x 2 1/2", G5

2шт.

31

492-11038

LOCK WASHER,3/8"

2шт.

32

129-103

NUT,Hex, 3/8" - 16, Gr 5

NUT, 3/8"-16, G5

2шт.

33

D51588

PIVOT

BUSHING - pivot, draft arm mounting pin

2шт.

34

D50724

PIN,25.4mm OD x 160.27mm L

PIN - mounting, draft arm to mounting frame

2шт.

35

D51339

ARM

ARM - draft, right-hand, category I hitch, 7/8" (22 mm) pin hole

1шт.

36

D51340

ARM

ARM - draft, left-hand, category I hitch, 7/8" (22 mm) pin hole, Includes: Ref. 37 - 39

1шт.

37

D51608

BUSHING,25.63mm ID x 34.92mm OD x 25.4mm L

BUSHING - arm, 1" (25 mm) ID

1шт.

38

D51336

BALL JOINT

BUSHING - self-aligning, 1" (25 mm) ID

1шт.

39

D51557

BALL JOINT

BUSHING - self-aligning, 7/8" (22 mm) ID

1шт.

40

D99535

ARM, LIFT

ARM - draft, right-hand, category II hitch, 1-1/8" (28 mm) pin hole

1шт.

41

D99536

ARM, LIFT

ARM - draft, left-hand, category II hitch, 1-1/8" (28 mm) pin hole, Includes: Ref. 42 - 44

1шт.

42

D51608

BUSHING,25.63mm ID x 34.92mm OD x 25.4mm L

BUSHING - arm, 1" (25 mm) ID

1шт.

43

D51336

BALL JOINT

BUSHING - self-aligning, 1" (25 mm) ID

1шт.

44

H363424

BALL JOINT

Self-aligning, 1-1/8" (29 mm) ID

1шт.

45

113-219

BOLT,Hex, 3/8" - 16 x 2", Gr 5

BOLT, Hex, 3/8"-16 x 2", G5

4шт.

46

D91303

BAR

PLATE - retainer, draft arm

2шт.

47

D51722

CASTING

RETAINER - draft arm

2шт.

48

492-11038

LOCK WASHER,3/8"

4шт.

49

25-226

SQUARE NUT,Sq, 3/8"-16

NUT - square, 3/8 inch NC

4шт.

Выбрано товаров: 53