Запчасти Case 480E LL (2-34) - CYLINDER BLOCK, 4-390 ENGINE (02) - ENGINE

Схема запчастей Case 480E LL - (2-34) - CYLINDER BLOCK, 4-390 ENGINE (02) - ENGINE
FIT
1:1
100%

Артикул

Название

Примечание

Количество

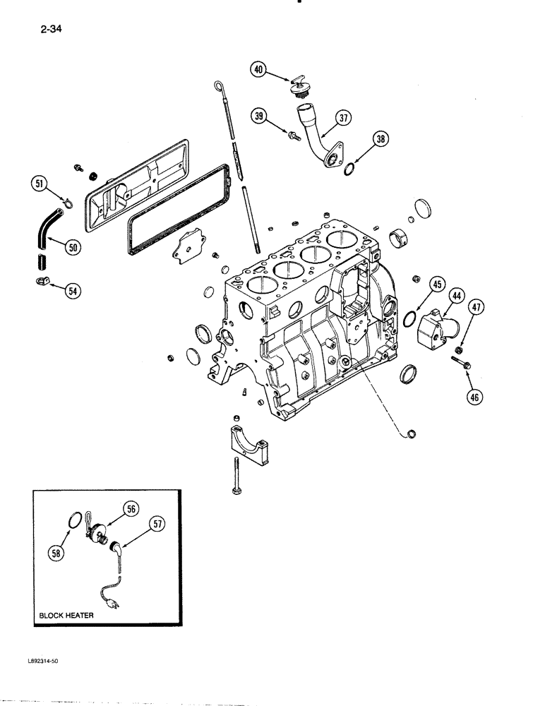
37

J905440

TUBE

TUBE - oil fill

1шт.

38

J906696

SEAL,41mm ID x 43mm OD x 2.5mm H

O-RING - sealing, 38 mm ID

1шт.

39

J901249

FLANGE BOLT,Hvy Hex, M12 x 25mm, Cl 10.9

BOLT - hex flange, 12 mm - 1.75 x 25 mm

2шт.

40

A77424

FILLER CAP

CAP ASSEMBLY - fill, oil

1шт.

44

J903102

CONNECTION

CONNECTION - water inlet

1шт.

45

J906697

SEAL,Square, 5.16mm Thk x 50.17mm ID

O-RING - sealing, 50 mm ID

1шт.

46

J901757

FLANGE BOLT,Hex, M10 x 75mm, Cl 10.9

BOLT - hex flange head, 10 mm - 1.50 x 75 mm

3шт.

47

A77429

PLUG

PLUG - hex socket pipe, 1/2 inch PT

2шт.

50

J906593

HOSE

Breather

1шт.

51

J904230

CLAMP,25.4mm

CLAMP - spring, hose

1шт.

54

J909670

CLIP

CLIP - retaining

1шт.

A77634

KIT

HEATER KIT - engine block, Includes: Ref. 56 - 57

1шт.

56

NSS

NOT SOLD SEPARAT

ELEMENT - engine heater, 12 volt, block

1шт.

57

J905113

CABLE

CABLE - engine block heater

1шт.

58

J910517

O-RING

O-RING - heater sealing, eng block

1шт.

Выбрано товаров: 15