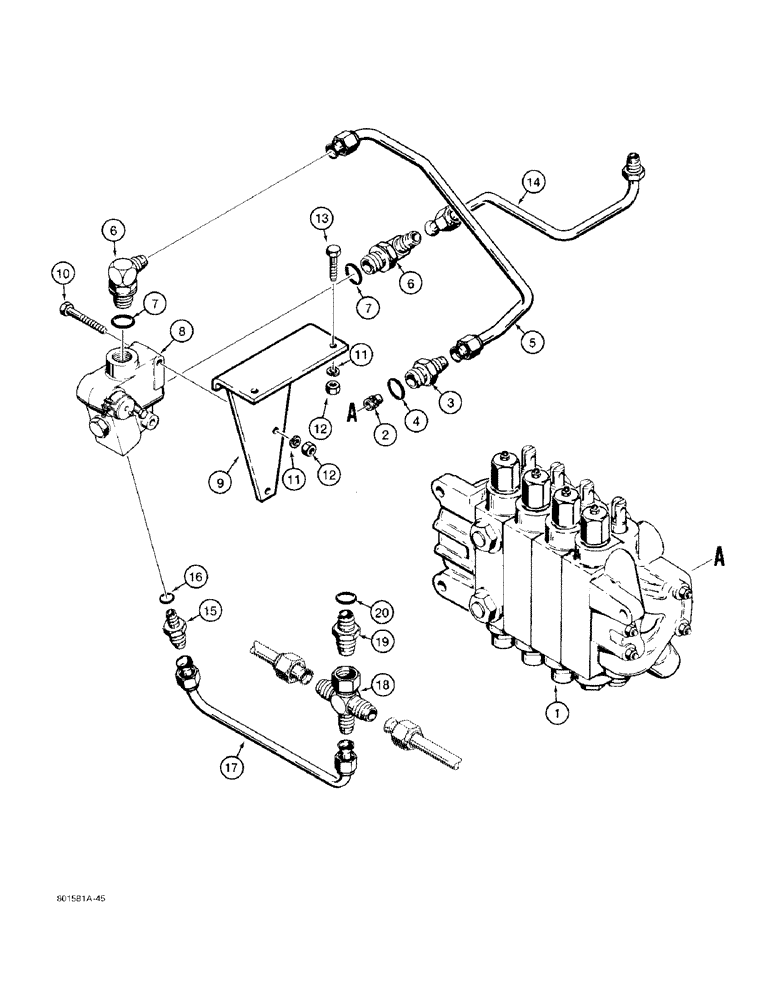
Запчасти Case 480F (8-046) - BACKHOE BOOM LOCK HYDRAULIC CIRCUIT (08) - HYDRAULICS

Схема запчастей Case 480F - (8-046) - BACKHOE BOOM LOCK HYDRAULIC CIRCUIT (08) - HYDRAULICS
FIT
1:1
100%

Артикул

Название

Примечание

Количество

1

REF

INSTRUCTION

VALVE ASSEMBLY - backhoe control, for correct assembly and components, see Figures 8-084 and 8-086

1шт.

2

D87325

RESTRICTOR

- bottom port, boom section

1шт.

3

D99170

CONNECTOR, ELEC

ADAPTER - straight, male, bottom port, Includes: Ref. 4

1шт.

4

237-6012

O-RING,0.116" Thk x 0.924" ID, -912, Cl 6, 90 Duro

- 59/64 ID x 7/8 inch wide

1шт.

5

D99773

HYD TUBE

TUBE - backhoe control valve to boom lock valve

1шт.

6

218-5119

ELBOW,90 Degree Elbow, 7/8" - 14 Male JIC x 1-1/16" - 12 Male ORB

- 90 degree, 7/8-14 flare x 1-1/16-12 inch adj O-ring, Includes: Ref. 7

2шт.

7

237-6012

O-RING,0.116" Thk x 0.924" ID, -912, Cl 6, 90 Duro

- 59/64 ID x 7/8 inch wide

1шт.

8

D88644

VALVE

ASSEMBLY - boom lock, parts list Figure 8-100

1шт.

9

D99784

BRACKET

- valve mounting

1шт.

10

413-644

BOLT,Hex, 3/8" - 16 x 2-3/4", Gr 5

- hex, 3/8 NC x 2-3/4 inch

2шт.

11

492-11038

LOCK WASHER,3/8"

4шт.

12

425-106

NUT,3/8"-16, Cl 5

4шт.

13

413-628

BOLT,Hex, 3/8" - 16 x 1-3/4", Gr 5

- hex, 3/8 NC x 1-3/4 inch

2шт.

14

D99775

HYD TUBE

TUBE - boom lock valve to boom cylinder

1шт.

For boom cylinder hydraulic lines, see Figure 8-024.

1шт.

15

218-5066

HYD CONNECTOR,7/8" - 14 Male JIC x 3/4" - 16 Male ORB

CONNECTOR, HYD., straight, 7/8-14 flare x 3/4-16 inch O-ring boss, Incl. Ref. 16

1шт.

16

237-6010

O-RING,0.097" Thk x 0.755" ID, -910, Cl 6, 90 Duro

10-1, 90 Duro, .755" ID x .097" Thk

1шт.

17

D99777

HYD TUBE

TUBE - boom lock valve return

1шт.

18

D99778

CROSS

FITTING - four-way

1шт.

19

218-5065

HYD CONNECTOR,1-1/16" - 12 Male JIC x 7/8" - 14 Male ORB

ADAPTER - straight, 1-1/16-12 flare x 7/8-14 inch O-ring boss, Includes: Ref. 20

1шт.

20

237-6010

O-RING,0.097" Thk x 0.755" ID, -910, Cl 6, 90 Duro

10-1, 90 Duro, .755" ID x .097" Thk

1шт.

Выбрано товаров: 21