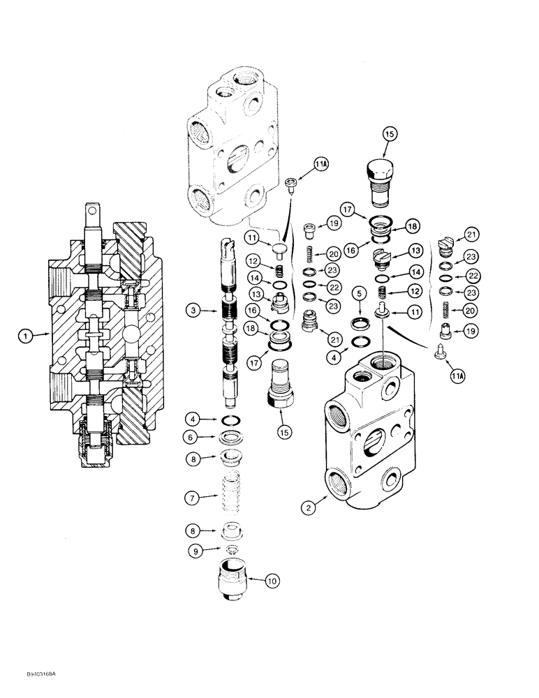
Запчасти Case 480F (8-098) - BACKHOE CONTROL VALVE, DIPPER EXTENSION SECTION (08) - HYDRAULICS

Схема запчастей Case 480F - (8-098) - BACKHOE CONTROL VALVE, DIPPER EXTENSION SECTION (08) - HYDRAULICS
FIT
1:1
100%

Артикул

Название

Примечание

Количество

1

G103404

SEGMENT

SECTION ASSEMBLY - dipper extension, Includes: Ref. 2 - 23

1шт.

2

NSS

NOT SOLD SEPARAT

BODY - section

1шт.

3

NSS

NOT SOLD SEPARAT

SPOOL - section

1шт.

4

1994608C1

O-RING,0.737" ID x 0.943" OD x 0.103"

- body, replaces G108461 O-ring

2шт.

Part of seal kit P/N 1346105C1.

1шт.

5

65457C1

SEAL,19.04mm ID x 25.5mm OD x 3.17mm Thk

- spool, replaces A32309 seal

1шт.

Part of seal kit P/N 1346105C1.

1шт.

6

G102711

RETAINER COLLAR,19.3 mm ID x 32.97 mm OD

- O-ring

1шт.

7

G34463

SPRING

- centering, spool

1шт.

8

G33075

RETAINER,12.2mm ID, 27.9mm OD

SEAT - centering spring

2шт.

9

G33077

SNAP RING,#47, Ext

Ring, Snap, , spool end #47, Ext

1шт.

10

G33080

CAP

- centering spring

1шт.

11

G33081

VALVE POPPET

POPPET - flat poppet pin, load check, no longer used, order 1346219C2 valve, Ref. 19 - 23

2шт.

11a

1343788C1

VALVE POPPET

POPPET - pointed poppet pin, load check, no longer used, order 1346219C2 valve, Ref. 19 - 23

2шт.

12

G33573

SPRING

- load check, no longer used, order 1345219C2 valve, Ref. 19 - 23

2шт.

13

G33084

PLUG

- load check, no longer used, order 1345219C2 valve, Ref. 19 - 23

2шт.

14

G33686

O-RING,0.07" Thk x 0.61" ID

- plug, no longer used, order 1345219C2 valve, Ref. 19 - 23

2шт.

Part of seal kit P/N 1346105C1.

1шт.

G33122

PLUG,ORB

ASSEMBLY - circuit relief valve port, Includes: Ref. 15 - 18

2шт.

15

NSS

NOT SOLD SEPARAT

PLUG - circuit relief valve port

1шт.

16

238-6018

O-RING,0.07" Thk x 0.739" ID, -18, Cl 6, 90 Duro

Seat -018, 90 Duro, .739" ID x .070" Thk

1шт.

Part of seal kit P/N 1346105C1.

1шт.

17

237-6012

O-RING,0.116" Thk x 0.924" ID, -912, Cl 6, 90 Duro

- 59/64 ID x 7/8 inch wide, large

1шт.

Part of seal kit P/N 1346105C1.

1шт.

18

G35540

BACK-UP RING,19.43mm ID x 22.23mm OD x 1.32mm Thk

- backup, small O-ring

1шт.

Part of seal kit P/N 1346105C1.

1шт.

1346219C2

PACKAGE

VALVE ASSEMBLY - load check, hollow poppet pin, Includes: Ref. 19 - 23

2шт.

19

1343777C1

VALVE POPPET,6.9mm ID x 17.5mm OD x 18.8mm L

POPPET - hollow poppet pin with orifice, replaces flat and pointed poppets

1шт.

20

1346175C1

SPRING,Compression, 6.6mm OD x 21.93mm L

- load check valve

1шт.

21

1343708C1

PLUG

- load check valve

1шт.

22

238-6016

O-RING,0.07" Thk x 0.614" ID, -16, Cl 6, 90 Duro

1шт.

Part of seal kit P/N 1346105C1.

1шт.

23

G103862

BACK-UP RING,15.77mm ID x 18.67mm OD x 1.32mm Thk

- backup, plug O-ring

2шт.

Part of seal kit P/N 1346105C1.

1шт.

1346105C1

SEAL KIT

KIT - seal, Includes: Ref. 4, 5, 14, 16 - 18, 22 and 23, plus additional O-rings not required for this applicaton

1шт.

Выбрано товаров: 35