Запчасти Case 480F (9-152) - WINDSHIELD WIPER MOTORS (09) - CHASSIS/ATTACHMENTS

Схема запчастей Case 480F - (9-152) - WINDSHIELD WIPER MOTORS (09) - CHASSIS/ATTACHMENTS
FIT
1:1
100%

Артикул

Название

Примечание

Количество

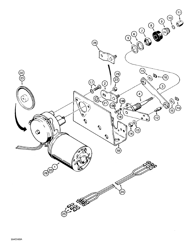
F96772

WIPER MOTOR

MOTOR ASSEMBLY - front windshield wiper, with bracket, no longer available, order components separately, Includes: Ref. 1 - 19

1шт.

1

F96765

WIPER MOTOR

MOTOR - wiper, parts list below, no longer available, for service order 129068A1 motor kit

1шт.

1

129068A1

PACKAGE,SERVICE

KIT - motor, wiper, parts list below

1шт.

2

F64210

LEVER

- drive

1шт.

3

D71427

LINK,85.85mm L

- connecting; Includes Two Nylon Bushings NSS

1шт.

D72848

SHAFT

ASSEMBLY - pivot, Includes: Ref. 4 - 14

1шт.

4

NSS

NOT SOLD SEPARAT

SHAFT - pivot

1шт.

5

D71417

SPECIAL WASHER

WASHER - flat, fiber

1шт.

6

D71418

WASHER

- flat, steel

1шт.

7

D71419

NUT

- hex jam

1шт.

8

D71420

CAP

- shaft

1шт.

9

1267556C1

BUTTON

DRIVER - knurled, replaces D71421

1шт.

10

193-95

LOCK WASHER,Ext Tooth, 5/16"

WASHER, LOCK, Ext Tooth, 5/16"

1шт.

11

D71422

NUT

- hex, cap

1шт.

12

D73642

PIN

PIN - threaded

1шт.

13

493-21026

LOCK WASHER,Int Tooth, 1/4"

WASHER - internal tooth lock, 1/4 inch

1шт.

14

425-154

JAM NUT,Jam, 1/4"-28, G5

- hex, jam, 1/4 inch NF

1шт.

15

A22431

WASHER

SPACER - pivot shaft

2шт.

16

D71414

CLIP

- spring

2шт.

17

D72849

SCREW

- machine, round head, includes lock washer

3шт.

18

D72850

BRACKET

- mounting, motor

1шт.

19

F44456

SCREW,0.19" - 32 x 3 3/4"

- includes lock washer, no longer available, order Ref. 19A and 19B

2шт.

19a

459-1108

SCREW,Slotted Pan Hd, #10-32 x 1/2"

- machine, pan head slotted, No. 10 NF x 1/2 inch

2шт.

19b

492-11010

LOCK WASHER,#10

WASHER, LOCK, #10

2шт.

F96765

WIPER MOTOR

MOTOR ASSEMBLY - wiper, Includes: Ref. 20 - 23, no longer available, order 129068A1 motor kit, front & rear

2шт.

20

NSS

NOT SOLD SEPARAT

MOTOR windshield wiper, front & rear motor assy

1шт.

21

D71411

WASHER

- wave, front & rear motor assy

1шт.

22

F44452

LOCK NUT

- hex, 1/4 inch NF, front & rear motor assy

1шт.

23

N6029

GEAR

- drive, plastic, front & rear motor assy

1шт.

24

F64530

ELECTRICAL WIRE

WIRE - motor, service, front & rear assy

2шт.

25

223-154

CONNECTOR, ELEC

CONNECTOR - male, use with item 24 wire, front & rear motor assy

6шт.

129068A1

PACKAGE,SERVICE

KIT - motor, wiper, front & rear assy, Includes: Ref. 26 - 30

2шт.

26

60-6586T1

WIPER MOTOR

MOTOR - wiper, front & rear assy

1шт.

27

60-6626T1

LEVER

ARM - drive, if used, not shown, front & rear motor assy

1шт.

28

129067A1

ARM ASSY.

ARM - drive, if used, front & rear motor assy

1шт.

29

143267A1

LOCK NUT

- lock, 5/16 inch NC, front & rear motor assy

1шт.

30

NSS

NOT SOLD SEPARAT

GEAR - drive, plastic, front & rear motor assy

1шт.

Выбрано товаров: 37