Запчасти Case 480F (4-50) - DIPPER LAMP, USED WITH EXTENDABLE DIPPER (04) - ELECTRICAL SYSTEMS

Схема запчастей Case 480F - (4-50) - DIPPER LAMP, USED WITH EXTENDABLE DIPPER (04) - ELECTRICAL SYSTEMS
FIT
1:1
100%

Артикул

Название

Примечание

Количество

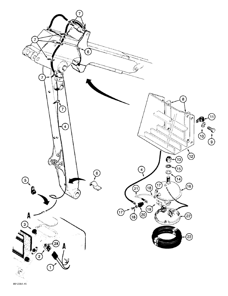
1

D75761

HARNESS

WIRE - to dipper lamp switch

1шт.

2

D74330

SWITCH

- lamp, Includes: Ref. 2A

1шт.

2a

N7557

NUT

- special, 3/8 inch NF

1шт.

3

D95783

KNOB

- dipper lamp switch

1шт.

4

D53268

ELECTRICAL WIRE

WIRE - dipper lamp

1шт.

5

80049853

YOKE

- harness

3шт.

6

D48071

CLAMP

- C-type, wire

2шт.

7

L18337

CABLE TIE,9.95"-12.1" lg

STRAP - tie, 15 inch, nylon

7шт.

8

D52595

BAR

- mounting, lamp housing, welded to dipper extension

2шт.

9

413-612

BOLT,Hex, 3/8" - 16 x 3/4", Gr 5

4шт.

10

492-11038

LOCK WASHER,3/8"

4шт.

11

49859

CLAMP

- harness

1шт.

12

D52591

HOUSING

- dipper lamp

1шт.

13

231-4118

LOCK NUT,1/2"-13, GB

NUT - hex, self-locking, 1/2 inch NC

1шт.

14

495-11053

WASHER,1/2", SAE

(17/32" x 1-1/16" x 5/64") 1/2", SAE

1шт.

15

493-11052

LOCK WASHER,Ext-Int Tooth, 1/2"

WASHER - internal-external tooth lock, 1/2 inch

1шт.

D37811

LAMP

ASSEMBLY - dipper arm, Includes: Ref. 16 - 23

1шт.

16

NSS

NOT SOLD SEPARAT

BODY - lamp

1шт.

17

182-82

SCREW,Slotted Pan Hd, #8-32 x 1/4"

- machine, pan head slotted, No. 8 NC x 1/4 inch

2шт.

18

492-11008

LOCK WASHER,#8

Washer, Lock, #8

2шт.

19

10927

SPRING

- lamp

1шт.

20

68417D

INSULATOR

- lamp, replaces B50293

1шт.

21

A25262

ELECTRICAL WIRE

WIRE - lamp

1шт.

22

A42294

SEALED BEAM UNIT

LAMP - No. 4406

1шт.

23

D31441

RETAINER

- lamp

1шт.

Выбрано товаров: 0