Запчасти Case 480F LL (2-06) - AIR CLEANER AND AIR INTAKE PARTS (02) - ENGINE

Схема запчастей Case 480F LL - (2-06) - AIR CLEANER AND AIR INTAKE PARTS (02) - ENGINE
FIT
1:1
100%

Артикул

Название

Примечание

Количество

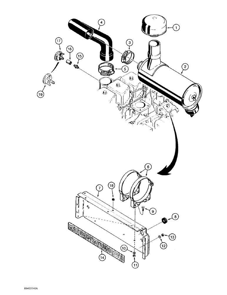
1

A61277

CAP

- air inlet, if used

1шт.

2

A170974

AIR CLEANER

CLEANER ASSEMBLY - air, engine, parts list Figure 2-08

1шт.

3

214-1444

HOSE CLAMP,58.6mm - 82.5mm

CLAMP, HOSE, , Adj. #44, 2.31/3.25 Type F Worm

1шт.

4

D126494

INTAKE AIR HOSE,63.50 mm ID, 76.2 mm ID, SAE J200

Air Cleaner 63.50 mm ID, 76.2 mm ID, SAE J200

1шт.

5

214-1456

HOSE CLAMP,#56, 3.06" - 4", Type F Worm

CLAMP - adj, 3-1/16 - 4 inch dia

1шт.

6

L113910

CLAMP

BAND - air cleaner mounting, replaces L11247

2шт.

7

D129379

BRACKET

- air cleaner mounting

1шт.

8

F5450

GROMMET

- bracket, main, Serial Range: harness-filter

1шт.

9

413-612

BOLT,Hex, 3/8" - 16 x 3/4", Gr 5

4шт.

10

492-11038

LOCK WASHER,3/8"

4шт.

11

425-106

NUT,3/8"-16, Cl 5

4шт.

12

495-81001

WASHER,5/16"

- flat, 3/8 x 7/8 x 5/64 inch

4шт.

13

231-1445

NUT,5/16"-18, GB

NUT - hex, self-locking, 5/16 inch NC

4шт.

14

D83436

PAD

STRIP - sponge rubber, 1/4 inch (6 mm) x 2 inch (51 mm) x 19-5/8 inch (498 mm), cut from D86157 strip, see below

1шт.

15

D36264

FITTING

- filter, used with L103131 sender

1шт.

16

221-1335

COUPLING,Pipe, 1/8" NPT

used with L103131 sender Pipe, 1/8" NPT

1шт.

17

L103131

INDICATOR

SENDER - air filter restriction indicator, no longer available, order item 19, 1983233C1 sender

1шт.

18

L60224

BUMPER

- rubber

3шт.

19

1983233C1

RESTRICTION SWITCH

SENDER - air cleaner restriction

1шт.

D86157

RUBBER

STRIP - sponge rubber, 1/4 inch (6 mm) x 4 inch (102 mm) x 23-1/4 inch (591 mm)

1шт.

Выбрано товаров: 20