Запчасти Case 530CK (041C) - CYL BLOCK ASSY.,(188)DIESEL ENG, FOR WIDE FL. SLEEVES W/FL MOUNTED OIL FILTER 1ST USED ENG SN2614827 (10) - ENGINE

Схема запчастей Case 530CK - (041C) - CYL BLOCK ASSY.,(188)DIESEL ENG, FOR WIDE FL. SLEEVES W/FL MOUNTED OIL FILTER 1ST USED ENG SN2614827 (10) - ENGINE
FIT
1:1
100%

Артикул

Название

Примечание

Количество

A40592

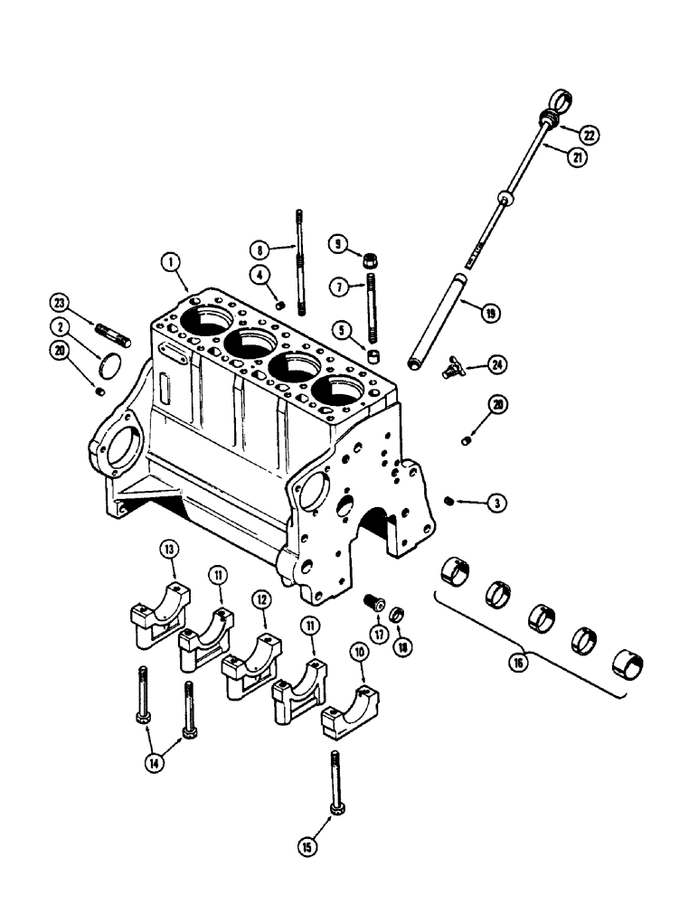
BLOCK ASSY. - short (Casting no. A37205) (Incl. stripped block, crankshaft & brgs., camshaft & gear, piston assy., conn. rods & oil pump), Includes: Ref. 1 - 20

1шт.

1

A40818

BLOCK ASSY. - stripped (Casting no. A37205) (Order A41597), Includes: Ref. 2 - 20

1шт.

2

A39241

PLUG,Exp, 2.12" dia

- camshaft hole (2-1/8" exp.)

1шт.

3

G49070

PLUG

- oil gallery, front, drilled

1шт.

4

221-32

PLUG,Sq Soc, 3/8"-18 NPTF

- water jacket (3/8" P.T., ctsk. sckt. hd.)

1шт.

5

G49608

RING

DOWEL - ring, head locating

2шт.

7

A36904

STUD

- cyl. head, 1/2" N.C. x 4"

4шт.

7

A36902

STUD

- cyl. head, 1/2" N.C. x 5-5/8"

11шт.

7

A36905

STUD

- cyl. head, 1/2" N.C. x 6"

2шт.

8

A36903

STUD

- cyl. head & cover

2шт.

9

A37030

FLANGE NUT

- cyl. heads studs, 1/2" N.C. flanged

19шт.

10

G2126

CAP

- main bearing, front

1шт.

11

G2128

CAP

- main bearing, intermediate

2шт.

12

G2127

CAP

- main bearing, center

1шт.

13

G2129

CAP

- main bearing, rear

1шт.

14

26-842

BOLT - brg. caps, 1/2 x 4-1/2" N.C. spec.

8шт.

15

26-882

BOLT,Hex, 1/2" - 13 x 5-1/8", Gr 8

- front brg. cap, 1/2 x 5-1/8" N.C. spec.

2шт.

16

A42746

CAM

BUSHING KIT - camshaft (Replaces A36317 & A41232)

1шт.

17

A153552

ADAPTER

- oil filter

1шт.

18

A37207

X

PLUG - adapter, 1" cup type

1шт.

19

A37149

TUBE

- oil filler & dipstick guide

1шт.

20

217-433

PLUG,Hex Soc, 1/4" - 18 NPTF

Oil gallery Hex Soc, 1/4"-18 NPTF

2шт.

21

A37148

DIPSTICK

ASSY., Includes: Ref. 22

1шт.

22

F62075

O-RING,0.139" Thk x 0.734" ID, -210, Cl 5, 75 Duro

"O" RING - dipstick, 3/4 x 1 x 1/8"

2шт.

23

A29333

STUD

- engine, 5/8" N.C. x 3"

2шт.

24

217-103

COCK, DRAIN

COCK - drain, cyl. block

1шт.

Выбрано товаров: 26