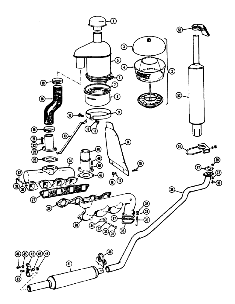
Запчасти Case 530CK (050) - AIR CLEANER-MANIFOLD-MUFFLER, (188) DIESEL ENGINE (10) - ENGINE

Схема запчастей Case 530CK - (050) - AIR CLEANER-MANIFOLD-MUFFLER, (188) DIESEL ENGINE (10) - ENGINE
FIT
1:1
100%

Артикул

Название

Примечание

Количество

1

A21430

CAP

- air cleaner

1шт.

2

A24439

CLEANER

PRE-CLEANER ASSY., Includes: Ref. 3 and 4

1шт.

3

73187

COVER

1шт.

4

NLS

NO LONGER SERVICED

BODY - plastic

1шт.

5

A35586

CLEANER

AIR CLEANER ASSY., Includes: Ref. 6 - 8

1шт.

6

A8297

CLAMP

- oil cup

1шт.

7

R15280

CUP

- oil, inner

1шт.

8

R15279

CUP ASSY.

CUP - oil, outer

1шт.

9

A16898

BAND

- mounting, air cleaner

1шт.

10

111-108

CARRIAGE BOLT,Short NK, 1/4"-20 x 3/4", G2

BOLT - 1/4" x 3/4" rd. hd. sq. nk.

1шт.

11

25-104

NUT,1/4"-20, G5

1шт.

12

92-4

LOCK WASHER,1/4"

WASHER, LOCK, 1/4"

1шт.

13

A37788

BRACE - air, Serial Range: cleaner-engine

1шт.

14

A36613

BRACKET

- air cleaner mounting

1шт.

15

14-612

BOLT,Hex, 3/8" - 24 x 3/4", Gr 5, Full Thd

2шт.

16

25-116

NUT,Hex, 3/8"-24, G5

- 3/8" N.F. hex.

2шт.

17

92-6

LOCK WASHER,3/8"

std. 3/8"

2шт.

18

A35589

LARGE HOSE

HOSE - air, Serial Range: cleaner-manifold

1шт.

19

214-262

HOSE CLAMP,#44, 2.31" - 3.25", Type F Worm

CLAMP - hose

2шт.

20

A37098

FLANGE

- inlet

1шт.

21

13-618

BOLT,Hex, 3/8" - 16 x 1-1/8", Gr 5

2шт.

22

92-6

LOCK WASHER,3/8"

std. 3/8"

2шт.

23

D22670

GASKET

-, Serial Range: flange-manifold

1шт.

24

A35782

MANIFOLD

- intake

1шт.

27

G46871

GASKET

- intake manifold

1шт.

28

G2113

EXHAUST MANIFOLD

MANIFOLD - exhaust

1шт.

29

G46872

MANIFOLD GASKET

- exhaust manifold

1шт.

30

A29431

STUD

- manifold to head (3/8 x 1-3/4")

4шт.

31

131-903

NUT,3/8"-16

NUT - 3/8" N.C. (Seez-Pruf)

10шт.

32

195-25

WASHER,3/8"

- plain 3/8"

10шт.

33

A35175

STUD

- muffler clamp

6шт.

34

A35028

CLAMP

-, Serial Range: manifold-head

6шт.

35

A38188

PLATE

COVER - exhaust opening

1шт.

36

13-624

BOLT,Hex, 3/8" - 16 x 1-1/2", Gr 5

- 3/8' x 1-1/2" N.C. hex. hd.

2шт.

37

92-6

LOCK WASHER,3/8"

std. 3/8"

2шт.

38

A36908

PIPE, EXHAUST SYSTEM

PIPE - exhaust, underneath

1шт.

39

131-903

NUT,3/8"-16

NUT - brass, 3/8" N.C. hex.

2шт.

40

A27077

CLAMP

-, Serial Range: pipe-muffler

1шт.

41

G45287

MUFFLER

- underneath

1шт.

42

A36909

BRACKET

CLAMP - rear, muffler

1шт.

43

11-516

BOLT,Short NK, 5/16"-18 x 1", G2

CARRIAGE, Short NK, 5/16"-18 x 1", G2

1шт.

44

9635082

NUT,5/16" - 18, Gr 5

- 5/16" N.C. hex.

1шт.

45

92-5

LOCK WASHER,5/16"

std. 5/16"

2шт.

46

13-510

BOLT,Hex, 5/16" - 18 x 5/8", Gr 5, Full Thd

1шт.

47

G46853

MANIFOLD GASKET

- exhaust outlet

2шт.

48

G2095

FITTING

ELBOW - exhaust

1шт.

49

13-616

BOLT,Hex, 3/8" - 16 x 1", Gr 5, Full Thd

2шт.

50

92-6

LOCK WASHER,3/8"

std. 3/8"

2шт.

51

A13240

CLAMP,2-5/8" ID

- upright muffler

1шт.

52

A39022

MUFFLER

- upright (Replaces G45239)

1шт.

53

G45048

CAP

- weather

1шт.

Выбрано товаров: 51