Запчасти Case 530CK (074) - TORQUE TUBE-STANDARD DRIVE (17) - TORQUE CONVERTER

Схема запчастей Case 530CK - (074) - TORQUE TUBE-STANDARD DRIVE (17) - TORQUE CONVERTER
FIT
1:1
100%

Артикул

Название

Примечание

Количество

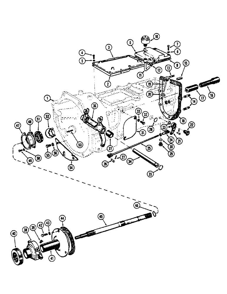
1

G1411

PLATE ASSY. - pressure, Includes: Ref. 1 - 10

1шт.

2

G10876

GASKET

front cover

1шт.

3

G1099

COVER

top front (w/o hydraulics)

1шт.

4

13-616

BOLT,Hex, 3/8" - 16 x 1", Gr 5, Full Thd

11шт.

5

92-6

LOCK WASHER,3/8"

std. 3/8"

11шт.

6

G1360

COVER rear (w/4 speed transmission only)

1шт.

7

13-624

BOLT,Hex, 3/8" - 16 x 1-1/2", Gr 5

3/8" x 1-1/2" N.C. hex. hd.

4шт.

8

92-6

LOCK WASHER,3/8"

std. 3/8"

4шт.

9

G46842

GASKET

rear cover

1шт.

10

A9238

BREATHER

oil (Incl. A10059 element)

1шт.

A10059

FILTER, ELEMENT

ELEMENT filter, breather (Not shown)

1шт.

11

G30309

BREATHER,0.7535" OD x 1.5" L

TUBE breather to cover

1шт.

12

222-508

TUBE NUT,1"-18

NUT breather tube to cover (81LB-3/4")

1шт.

13

G49500

STUD

upper, torque tube to transmission (1/2" x 2-13/16")

2шт.

14

A38707

STUD

- torqu tube to trans., 1/2 x 2-1/2" (Replaces A29336)

8шт.

25-118

NUT,1/2"-20, G5

1/2" N.F. hex.

10шт.

92-8

LOCK WASHER,1/2"

std. 1/2"

10шт.

15

A29540

PIN

DOWEL - torque, Serial Range: tube-transmission

2шт.

16

G10615

SLEEVE coupling drive shaft (w/4 speed trans.)

1шт.

17

G10614

SLEEVE coupling, drive shaft (Tractors w/o hand clutch)

1шт.

18

A37218

X

GASKET - torque tube to transmission (Replaces G46840)

1шт.

19

A35048

DIPSTICK

oil level

1шт.

20

A27927

OIL PAN GASKET SET

- dipstick

1шт.

21

A38168

LEVER

- clutch throwout (Replaces G15910)

1шт.

22

G10644

SCREW

BOLT shoulder, clutch lever

1шт.

23

193-34

LOCK WASHER,Int Tooth, 5/8"

WASHER, LOCK, Int Tooth, 5/8"

1шт.

24

213-3

ADJUSTABLE CLEVIS,5/16"-24

YOKE - clutch throwout rod

1шт.

25

G46243

ROD

clutch throwout

1шт.

26

141-3

CLEVIS PIN,5/16" x .940"

PIN, CLEVIS, , Yoke, clutch rod 5/16" x .940"

2шт.

27

132-26

COTTER PIN

Pin, Split (Cotter), 3/32" x 3/4"

2шт.

28

A30084

PLUG

- expansion, hand clutch lever opening

1шт.

29

A14280

PLUG

drain

1шт.

30

A58608

GASKET

- drain plug

1шт.

31

A7082

COVER

hand hole

1шт.

32

13-68

SCREW,Hex, 3/8" - 16 x 1/2", Gr 5

BOLT 3/8" x 1/2" N.C. hex. hd.

1шт.

33

92-6

LOCK WASHER,3/8"

1шт.

34

A35029

SHAFT

pivot, clutch throwout

1шт.

35

A35030

RING

SNAP RING pivot shaft

1шт.

36

G14469

YOKE

clutch throwout (Includes ref. 37)

1шт.

37

G49661

BUSHING

throwout yoke

2шт.

38

G1324

CARRIER

throwout bearing

1шт.

39

219-36

LUBE NIPPLE,45 Degree Elbow, 1/8" - 27 NPTF

FITTING 1/8" 45 degrees (Lincoln #5200)

1шт.

40

G13624

BEARING

- throwout (Aetna #A2721)

1шт.

41

G14468

HOUSING

- pump drive (Incl. throwout sleeve)

1шт.

42

13-616

BOLT,Hex, 3/8" - 16 x 1", Gr 5, Full Thd

3шт.

43

92-6

LOCK WASHER,3/8"

std. 3/8"

3шт.

44

G10407

GASKET

drive housing and sleeve

1шт.

45

G15967

SHAFT

clutch main drive

1шт.

46

A29978

RING, SNAP

SNAP RING - clutch shaft bearing

1шт.

47

G10382

LOCK

bearing retainer

1шт.

48

G10383

BEARING CAP

CAP bearing retainer

1шт.

49

13-516

BOLT,Hex, 5/16" - 18 x 1", Gr 5

3шт.

50

92-5

LOCK WASHER,5/16"

3шт.

51

G10416

BALL BEARING,30mm ID x 72mm OD x 19mm W

BEARING clutch shaft (N.D. #43306)

1шт.

52

A35216

COVER

timing hole

1шт.

53

138-65

LOCK PIN,1/8" x 1 1/2", Slotted

PIN, , Timing pointer 1/8" x 1 1/2", Slotted

1шт.

54

A35842

COVER

flywheel

1шт.

55

13-1012

BOLT,Hex, 5/8" - 11 x 3/4", Gr 5, Full Thd

2шт.

56

92-10

LOCK WASHER,5/8"

WASHER, LOCK, , Standard 5/8"

2шт.

Выбрано товаров: 59