Запчасти Case 530CK (076) - TORQUE CONVERTER AND HOUSING (17) - TORQUE CONVERTER

Схема запчастей Case 530CK - (076) - TORQUE CONVERTER AND HOUSING (17) - TORQUE CONVERTER
FIT
1:1
100%

Артикул

Название

Примечание

Количество

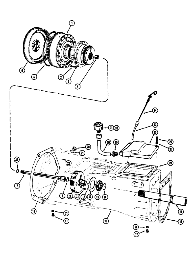
1

G30373

CONVERTER

torque (For repairs see Figure 77A)

1шт.

2

13-624

BOLT,Hex, 3/8" - 16 x 1-1/2", Gr 5

3/8" x 1-1/2" N.C. hex. hd.

5шт.

3

92-6

LOCK WASHER,3/8"

std. 3/8"

5шт.

4

G49634

BUSHING

converter to drive shaft

1шт.

5

G46817

GASKET,293.62mm ID x 314.58mm OD x 4.95mm Thk

, Serial Range: converter-flywheel

1шт.

6

G11860

FLYWHEEL

engine

1шт.

7

G16793

X

SHAFT - clutch main drive (Order A37086 and A37087 ring when depleted)

1шт.

7

A37086

SHAFT

- clutch main drive

1шт.

8

G49046

WASHER

thrust, mainshaft

1шт.

9

G16792

DRUM HUB

DRUM driven, traction clutch

1шт.

10

G16780

CAP bearing retainer

1шт.

11

13-512

BOLT,Hex, 5/16" - 18 x 3/4", Gr 5

3шт.

12

92-5

LOCK WASHER,5/16"

std. 5/16"

3шт.

13

40027

BALL BEARING,49.99mm ID x 80mm OD x 16mm W

drum, traction clch (N.D. #43L10)

1шт.

14

G46177

SNAP RING,#196, 1.849", Ext

cup bearing

1шт.

15

G14118

COUPLING converter to trans. (w/4 speed only)

1шт.

16

A37811

TORQUE TUBE - (Incl. ref. 20, 21, 22 & 23) (Replaces G30391)

1шт.

17

A14280

PLUG

- drain

2шт.

18

A37218

X

GASKET - housing to transmission case (Replaces G46840)

1шт.

19

G46876

GASKET

, Serial Range: housing-engine

1шт.

20

A14280

PLUG

timing hole

1шт.

21

A27927

OIL PAN GASKET SET

- plug, drain and timing hole

3шт.

22

138-63

LOCK PIN,1/8" x 1 1/4", Slotted

PIN, , Timing pointer 1/8" x 1 1/4", Slotted

1шт.

23

G30284

SUPPORT dipstick

1шт.

24

G45253

DIPSTICK

oil level

1шт.

25

G1360

COVER rear (w/4 speed transmission)

1шт.

26

13-624

BOLT,Hex, 3/8" - 16 x 1-1/2", Gr 5

3/8" x 1-1/2" N.C. hex. hd.

4шт.

27

92-6

LOCK WASHER,3/8"

std. 3/8"

4шт.

28

G46842

GASKET

cover

1шт.

29

222-508

TUBE NUT,1"-18

NUT breather tube to cover (81LB-3/4")

1шт.

30

G30309

BREATHER,0.7535" OD x 1.5" L

TUBE breather

1шт.

31

A9238

BREATHER

- oil (Incl. ref. 32)

1шт.

32

A10059

FILTER, ELEMENT

ELEMENT filter, oil breather (Not shown)

1шт.

33

A37087

RING

- seal, main shaft

1шт.

Выбрано товаров: 34