Запчасти Case 530CK (086) - SHUTTLE TRANSMISSION CONTROL COVER (21) - TRANSMISSION

Схема запчастей Case 530CK - (086) - SHUTTLE TRANSMISSION CONTROL COVER (21) - TRANSMISSION
FIT
1:1
100%

Артикул

Название

Примечание

Количество

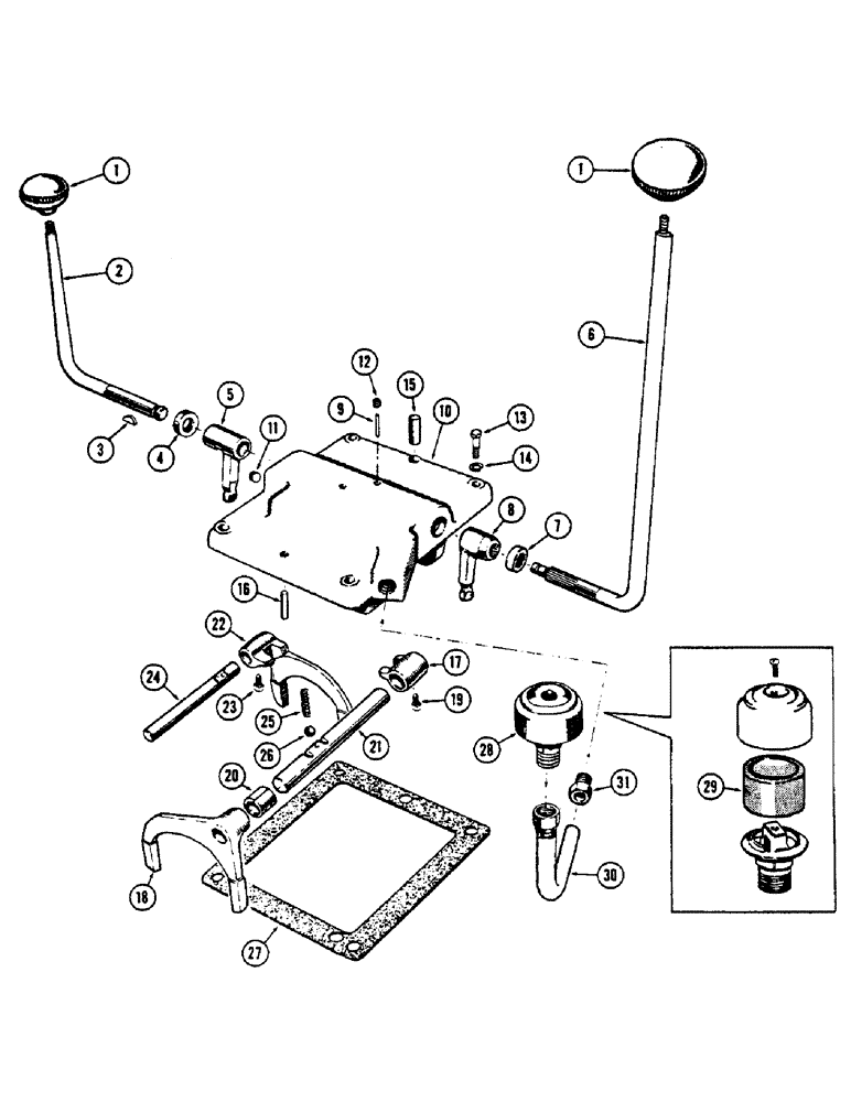
1

A26727

BALL

KNOB - control lever

2шт.

2

G15656

LEVER

shift control, low and direct range

1шт.

3

126-1

KEY - #6 Woodruff

1шт.

4

A26778

SEAL

OIL SEAL - shift lever, low and direct range

1шт.

5

G15657

LEVER

shift fork, low and direct range

1шт.

6

G15658

LEVER

shift control, shuttle

1шт.

7

G10450

OIL SEAL,19.05mm ID x 31.85mm OD x 6.35mm Thk

OIL SEAL shift lever, shuttle

1шт.

8

G15659

LEVER

shift fork, shuttle

1шт.

9

138-61

LOCK PIN,1/8" x 1", Slotted

PIN, , Shift fork lever 1/8" x 1", Slotted

1шт.

10

G30389

X

COVER - shuttle control (Includes ref. 11 and 12) (Order 1-A37987 and 1-A37985)

1шт.

11

221-1849

PLUG

- pipe, 1/8" roll thrd. hex. socket hd.

1шт.

12

221-1850

PLUG,Hex Soc, 1/16"-27

- pipe, 1/16" hex. socket hd.

2шт.

13

13-620

BOLT,Hex, 3/8" - 16 x 1-1/4", Gr 5, Full Thd

4шт.

14

92-6

LOCK WASHER,3/8"

std. 3/8"

4шт.

15

G10711

PIN

dowel, control cover rear (1/2" x 3/4")

1шт.

16

A29426

AXLE PIN

PIN - dowel, control cover front (3/8 x 3/4")

1шт.

17

G16638

LUG

- shuttle shift rail

1шт.

18

G16633

FORK

shift, shuttle

1шт.

19

A29964

LOCK SCREW,Sq Hd, 3/8" - 24 x 27/32", Drilled

- lock, shift fork and lug

2шт.

20

A38203

SPACER

- shuttle shift rail (Replaces G49612, G49628 & G49629)

1шт.

21

G30264

KIT

RAIL KIT - shift, shuttle (Includes ref. 20)

1шт.

22

G16632

FORK

shift, low and direct range

1шт.

23

A29964

LOCK SCREW,Sq Hd, 3/8" - 24 x 27/32", Drilled

- lock, shift fork

1шт.

24

A37985

RAIL

- shift, low and direct range (Replaces G16634)

1шт.

25

G47039

SPRING

detent, shift rail

2шт.

26

211-11

BALL,3/8" Dia

- detent, shift rail

2шт.

27

G46842

GASKET

cover to torque tube

1шт.

28

A9238

BREATHER

oil (Includes ref. 29)

1шт.

29

A10059

FILTER, ELEMENT

ELEMENT filter, oil breather

1шт.

30

G30309

BREATHER,0.7535" OD x 1.5" L

TUBE breather

1шт.

31

222-508

TUBE NUT,1"-18

NUT breather tube to cover (81LB-3/4")

1шт.

Выбрано товаров: 0