Запчасти Case 530CK (098) - TRANSMISSION CASE AND AXLE HOUSINGS (21) - TRANSMISSION

Схема запчастей Case 530CK - (098) - TRANSMISSION CASE AND AXLE HOUSINGS (21) - TRANSMISSION
FIT
1:1
100%

Артикул

Название

Примечание

Количество

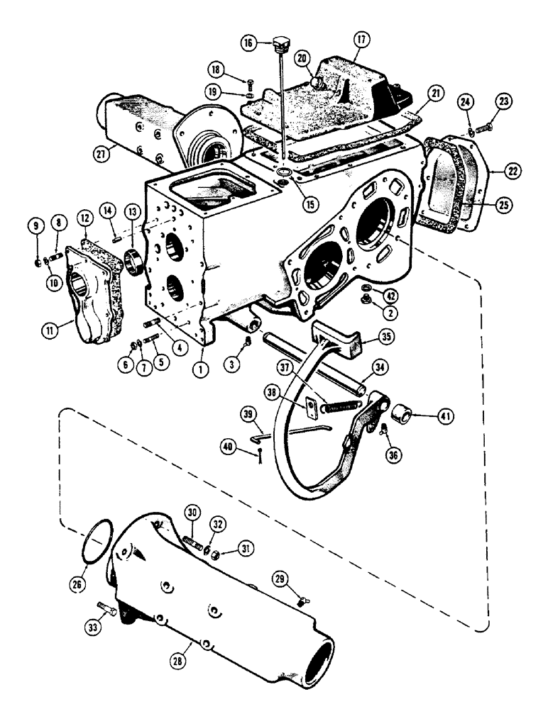
1

A37101

CASE - transmission

1шт.

2

A14280

PLUG

- drain

1шт.

3

219-36

LUBE NIPPLE,45 Degree Elbow, 1/8" - 27 NPTF

FITTING - grease, 1/8" 45 degrees

2шт.

4

G49500

STUD

torque to trans. (1/2" x 2-3/16")

2шт.

5

A38707

STUD

- torque to trans. (1/2 x 2-1/2") (Replaces A29336)

8шт.

6

25-118

NUT,1/2"-20, G5

1/2" N.F. hex.

10шт.

7

92-8

LOCK WASHER,1/2"

std. 1/2"

10шт.

8

G10710

STUD

- frt. cover to case (3/8" x 1-3/4")

7шт.

9

25-116

NUT,Hex, 3/8"-24, G5

3/8" N.F. hex.

7шт.

10

92-6

LOCK WASHER,3/8"

std. 3/8"

7шт.

11

G1027

COVER

frt. trans. case w/4 speed trans. only)

1шт.

12

G46841

GASKET

front cover

1шт.

13

G10311

COLLAR

pilot

1шт.

14

A29540

PIN

DOWEL - torque tube to trans. case (1/2 x 1-5/16")

2шт.

15

G10351

GASKET

dipstick

1шт.

16

A38306

DIPSTICK

- oil level (Replaces G10348)

1шт.

17

G1097

COVER top rear

1шт.

18

113-828

BOLT,Hex, 7/8" - 9 x 9", Gr 5

- 3/8" x 1-1/4" N.C. hex. hd. (Gr. 8)

8шт.

18

113-236

X

BOLT - 3/8" x 2" N.C. hex. hd. (Gr. 8)

4шт.

19

92-6

LOCK WASHER,3/8"

std. 3/8"

12шт.

20

A27173

BREATHER

- oil, rear cover

1шт.

21

G10941

GASKET

- rear cover

1шт.

22

A36885

COVER - rear (P.T.O. opening)

1шт.

23

13-616

BOLT,Hex, 3/8" - 16 x 1", Gr 5, Full Thd

6шт.

24

92-6

LOCK WASHER,3/8"

std. 3/8"

6шт.

25

G10447

GASKET

rear cover

1шт.

26

G10347

O-RING,0.139" Thk x 4.984" ID, -250, Cl 5, 75 Duro

"O" RING axle housing

2шт.

27

A37068

HOUSING

- R.H. axle

1шт.

28

A37069

HOUSING

- L.H. axle

1шт.

29

219-36

LUBE NIPPLE,45 Degree Elbow, 1/8" - 27 NPTF

FITTING 1/8" 45 degrees (Lincoln #5300)

1шт.

30

G49510

STUD

axle housing (5/8" x 2-11/16")

6шт.

A26655

STUD

- axle housing (5/8 x 4-5/8")

2шт.

31

25-1110

NUT,5/8"-18, G5

5/8" N.F. hex.

8шт.

32

92-10

LOCK WASHER,5/8"

WASHER, LOCK, , Standard 5/8"

10шт.

33

13-1032

BOLT,Hex, 5/8" - 11 x 2", Gr 5

Axle hsg Hex, 5/8"-11 x 2", G5

2шт.

34

G10708

SHAFT

cross, clch. & brk. pedal

1шт.

35

G1412

PEDAL clutch

1шт.

36

219-40

LUBE NIPPLE,65 Degree Elbow, 1/8" - 27 NPTF

FITTING - grease, 1/8" 67-1/2 degrees

1шт.

37

A35789

SPRING

return, clutch pedal

1шт.

38

G15912

BRACKET clutch spring

1шт.

39

G10748

LINK

ROD link, clutch pedal

1шт.

40

132-26

COTTER PIN

Pin, Split (Cotter), 3/32" x 3/4"

2шт.

41

G16783

SPACER

- cross shaft (In place of G1412 clutch pedal) w/Case-O-Matic

1шт.

42

A58608

GASKET

- drain plug

1шт.

Выбрано товаров: 44