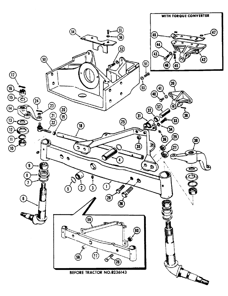
Запчасти Case 530CK (108) - FRONT AXLE AND SUPPORT (25) - FRONT AXLE SYSTEM

Схема запчастей Case 530CK - (108) - FRONT AXLE AND SUPPORT (25) - FRONT AXLE SYSTEM
FIT
1:1
100%

Артикул

Название

Примечание

Количество

1

A36280

X

AXLE - front (Order 1-A38382 & 1-A38384), Includes: Ref. 2

1шт.

2

A36282

BUSHING,44.3mm ID x 56.21mm OD x 50.8mm L

, Start Serial: 8236143

1шт.

3

219-1

LUBE NIPPLE,1/8" - 27 NPTF

FITTING - 1/8" str. (Lincoln #5000)

3шт.

4

A38384

PIN,44.09mm OD x 168.4mm L

- pivot, axle (replaced A38284 )

1шт.

5

A27085

RING

- retainer, pivot pin

2шт.

6

A57248

SPINDLE

- wheel, R.H. and L.H.

2шт.

7

A36565

WASHER,51.2mm ID x 66.67mm OD x 6.35mm Thk

- thrust, spindle

4шт.

8

A27602

THRUST BEARING,2.041" ID x 2.9475" OD x 0.635"

BEARING - thrust, spindle (Timken #T-199)

2шт.

9

A28230

NEEDLE BEARING,Needle, 50.78mm ID x 60.34mm OD x 25.4mm W

BEARING - lower, spdl. (Torrington #B3216-OH)

2шт.

10

A28229

NEEDLE BEARING,Needle, 44.44mm ID x 53.99mm OD x 25.4mm W

BEARING - upper, spindle (Torrington #B2816)

2шт.

11

A27754

OIL SEAL

OIL SEAL - upper, spindle

2шт.

12

A35344

SHIELD

- dust, spindle bearing

2шт.

13

A35861

SHIM,.0149" Thk

Wheel spindle .0149" Thk

1шт.

A35345

SHIM,.0359" Thk

Wheel spindle .0359" Thk

1шт.

A35346

SHIM,.0598" Thk

Wheel spindle .0598" Thk

1шт.

A35347

SHIM,.1345" Thk

Wheel spindle .1345" Thk

1шт.

14

A37926

ARM

- steering, R.H. (Replaces A35564 & A37102)

1шт.

15

A35047

WASHER

- spindle nut

2шт.

16

25-1918

SLOTTED NUT,1 1/8"-12, G5, Thk

NUT - slotted, 1-1/8" N.F. hex.

2шт.

17

132-97

COTTER PIN,3/16" x 1 3/4"

Pin, Split (Cotter), 3/16" x 1 3/4"

2шт.

18

A35567

TUBE

- tie rod

1шт.

19

G49085

JAM NUT

- lock, L.H. tie rod end

1шт.

21

G45368

END ASSY.

END - R.H., tie rod

1шт.

22

G45369

END ASSY.

END - L.H. tie rod

1шт.

23

25-139

SLOTTED NUT,9/16"-18, G5

NUT - tie rod end

2шт.

24

132-50

COTTER PIN,1/8" x 1 1/4"

Pin, Split (Cotter), 1/8" x 1 1/4"

2шт.

25

A36283

ROD

RADIUS ROD, Start Serial: 8236143

1шт.

26

13-1664

BOLT,Hex, 1" - 8 x 4", Gr 5

2шт.

27

25-1616

NUT,1"-8, G5, Hvy

- 1" N.C. hex. ( replaced 25-1016 )

2шт.

28

13-1264

BOLT,Hex, 3/4" - 10 x 4", Gr 5

2шт.

29

25-1012

NUT,3/4"-10, G5

2шт.

30

A37927

ARM

- steering, L.H. (Replaces A35565 & A37103)

1шт.

31

A38199

PIVOT

- radius rod (Incl. ref. 32) (Replaces A36574), Includes: Ref. 32

1шт.

32

A29944

BUSHING

- rear pivot

1шт.

33

13-1036

BOLT,Hex, 5/8" - 11 x 2-1/4", Gr 5

2шт.

34

92-10

LOCK WASHER,5/8"

WASHER, LOCK, , Standard 5/8"

2шт.

35

25-1010

NUT,5/8"-11, G5

2шт.

36

219-36

LUBE NIPPLE,45 Degree Elbow, 1/8" - 27 NPTF

FITTING - 1/8" 45 degrees

1шт.

37

A29725

PIN

- rear pivot

1шт.

38

138-142

LOCK PIN,1/4" x 2", Slotted

PIN, 1/4" x 2", Slotted

1шт.

39

A35599

BRACKET

SUPPORT - rear pvt. (w/dry clch. drive)

1шт.

40

13-1032

BOLT,Hex, 5/8" - 11 x 2", Gr 5

2шт.

41

92-10

LOCK WASHER,5/8"

WASHER, LOCK, , Standard 5/8"

2шт.

42

A35573

BRACKET

SUPPORT - rear pvt. (w/torque converter)

1шт.

43

13-1036

BOLT,Hex, 5/8" - 11 x 2-1/4", Gr 5

2шт.

44

92-10

LOCK WASHER,5/8"

WASHER, LOCK, , Standard 5/8"

2шт.

45

13-520

BOLT,Hex, 5/16" - 18 x 1-1/4", Gr 5

- 5/16" x 1-1/4" N.C. hex. hd.

2шт.

46

195-400

WASHER

- sealing, 5/16" bolt

2шт.

47

A11604

OIL PAN GASKET SET

- pivot support

1шт.

48

A36653

GASKET

- rear pivot (w/torque converter)

1шт.

50

A36895

SUPPORT

- front axle & radiator (Order 1-A38302 & 1-A38303)

1шт.

51

13-1036

BOLT,Hex, 5/8" - 11 x 2-1/4", Gr 5

2шт.

52

14-1048

BOLT,Hex, 5/8" - 18 x 3", Gr 5

- 5/8" x 3" N.F. hex. hd.

2шт.

53

92-10

LOCK WASHER,5/8"

WASHER, LOCK, , Standard 5/8"

4шт.

54

A35574

BRACKET

- radiator mounting

1шт.

55

13-816

BOLT,Hex, 1/2" - 13 x 1", Gr 5, Full Thd

2шт.

56

92-8

LOCK WASHER,1/2"

std. 1/2"

2шт.

57

A35562

X

AXLE - front (Order 1-A38382 & 1-A38384), Includes: Ref. 58

1шт.

58

A35002

BUSHING

, Serial Range: -8236143

1шт.

59

A185074

ROD

RADIUS ROD - ( replaced A35568 ), Serial Range: -8236143

1шт.

60

131-20

LOCK NUT,1"-8, GB

NUT - lock, 1" N.C. hex., Serial Range: -8236143

1шт.

Выбрано товаров: 61