Запчасти Case 530CK (104) - BRAKE SYSTEM (33) - BRAKES & CONTROLS

Схема запчастей Case 530CK - (104) - BRAKE SYSTEM (33) - BRAKES & CONTROLS
FIT
1:1
100%

Артикул

Название

Примечание

Количество

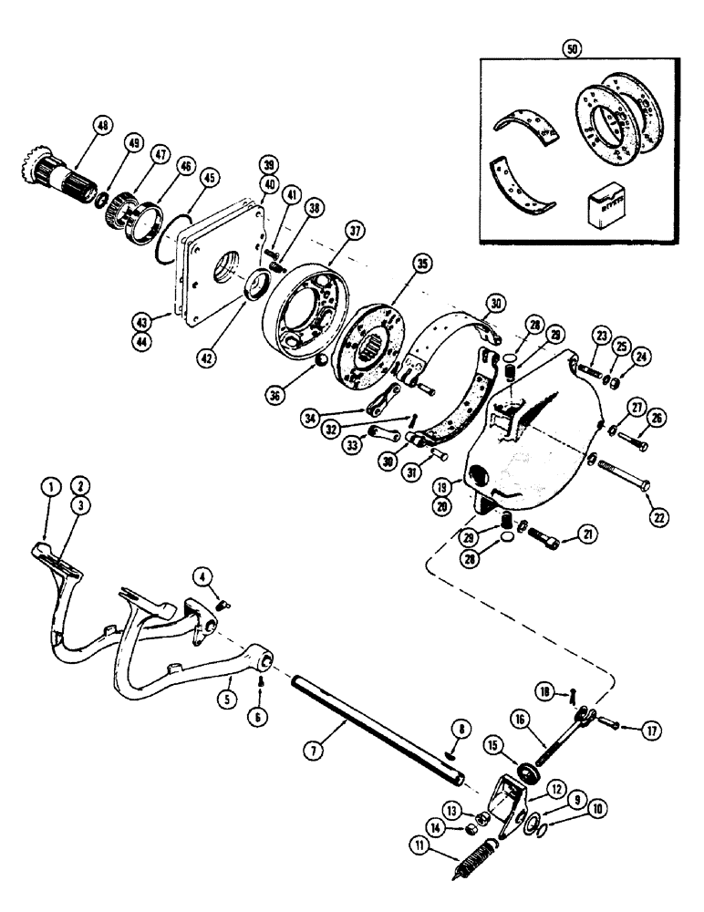
1

G13012

PEDAL

R.H. brake (Includes ref. 2 and 3)

1шт.

2

A29086

INTERLOCK - brake pedal

1шт.

3

46-420

RIVET - 1/4" x 1-1/4" ctsk. hd.

1шт.

4

219-40

LUBE NIPPLE,65 Degree Elbow, 1/8" - 27 NPTF

FITTING 1/8" 67-1/2" (Lincoln #5300)

1шт.

5

G13013

PEDAL

L.H. brake (Includes ref. 6)

1шт.

6

85-610

SET SCREW,Sq Hd, 3/8"-16 x 5/8"

SCREW set, 3/8" x 5/8" N.C. sq. hd. cup pt.

1шт.

7

G10708

SHAFT

cross, brake pedal

1шт.

8

126-216

WOODRUFF KEY,Hi-Pro, 1" Dia x 1/4" x 1 1/16"

KEY - brake pedal and lever

2шт.

9

B18145

WASHER

- cross shaft

2шт.

10

F62093

RING, SNAP

SNAP RING - cross shaft

2шт.

11

G10848

SPRING

return, brake pedal and lever

2шт.

12

G1057

LEVER

brake L.H.

1шт.

13

G10709

NUT

adjusting, brake rod

2шт.

14

25-157

JAM NUT,Jam, 7/16"-20, G5

jam, 7/16" N.F. hex.

2шт.

15

G10943

DUST CAP

CAP dust, brake rod

2шт.

16

G46351

ROD

brake

2шт.

17

141-5

CLEVIS PIN,7/16" x 1.190"

PIN - yoke, brake rod

2шт.

18

132-26

COTTER PIN

Pin, Split (Cotter), 3/32" x 3/4"

2шт.

19

G1394

COVER

R.H. brake

1шт.

20

G1395

COVER

L.H. brake

1шт.

21

61-828

HEX SOC SCREW,1/2"-13 x 1 3/4"

SCREW brake cover to trans. 1/2" x 1-3/4" N.C. hex. socket hd.

2шт.

193-12

LOCK WASHER,Ext Tooth, 0.52" ID x 0.89" OD, STL, PLN

WASHER, LOCK, Ext Tooth, 1/2"

2шт.

22

13-860

BOLT,Hex, 1/2" - 13 x 3-3/4", Gr 5

2шт.

92-8

LOCK WASHER,1/2"

std. 1/2"

2шт.

23

A38707

STUD

- brake cover, 1/2 x 2-1/2" (Replaces A29336)

4шт.

24

25-118

NUT,1/2"-20, G5

1/2" N.F. hex.

4шт.

25

92-8

LOCK WASHER,1/2"

std. 1/2"

4шт.

26

G15801

BOLT

anchor, actuating band

2шт.

27

92-10

LOCK WASHER,5/8"

WASHER, LOCK, , Standard 5/8"

2шт.

28

41-13

GUARD,Exp, 13/16"

- brake cover (13/16") (Replaces A29968)

4шт.

29

G48507

SPRING

return, brake band

4шт.

30

G45468

BRAKE LINING

BAND - actuating (Set of 2) See ref. 50

2шт.

31

G49082

PIN,14.22mm OD x 40.03mm L

actuating link

4шт.

32

132-26

COTTER PIN

Pin, Split (Cotter), 3/32" x 3/4"

4шт.

33

G46345

LINK

straight, band actuating

4шт.

34

G46344

LINK

offset, band actuating

2шт.

35

NLS

NO LONGER SERVICED

- brake (Includes lining) See ref. 50

2шт.

36

211-21

BALL

actuating drum (1" dia.)

8шт.

37

G45361

DRUM

- brake actuating (Includes lining) See ref. 50

2шт.

38

G48508

SPRING

disc return

4шт.

39

G30490

CARRIER

bearing, R.H. side gear (Incl. ref. 46)

1шт.

40

G30491

CARRIER

bearing, L.H. side gear (Incl. ref. 46)

1шт.

41

171-205

SCREW,Phil Flat Hd, Spin Lock, 3/8" - 16 x 1"

lock, 3/8" x 1" flat hd. spin-lok

4шт.

42

G10689

SEAL

OIL SEAL bearing carrier

2шт.

43

G10719

SHIM,.005" Thk

Bearing carrier .005" Thk

1шт.

44

G10720

SHIM,.010" Thk

Bearing carrier .010" Thk

1шт.

45

G10347

O-RING,0.139" Thk x 4.984" ID, -250, Cl 5, 75 Duro

"O" RING bearing carrier

2шт.

46

A26744

BEARING CUP,110.025 mm OD x 18.875 mm

CUP - bearing, side gear (Timken #394A)

2шт.

47

A30114

CONE

- bearing, side gear (Timken #390)

2шт.

48

G30596

GEAR

side, differential (Includes ref. 49)

2шт.

49

A29902

PLUG

- side gear

2шт.

50

G45391

SET

KIT - lining, band and disc

2шт.

A41728

LINING

KIT - lining, brake bands

1шт.

A41552

LINER

KIT - lining, brake discs

1шт.

Выбрано товаров: 54