Запчасти Case 530CK (130) - TORQUE CONVERTER DRIVE, HYDRAULIC PUMP AND ADAPTER (35) - HYDRAULIC SYSTEMS

Схема запчастей Case 530CK - (130) - TORQUE CONVERTER DRIVE, HYDRAULIC PUMP AND ADAPTER (35) - HYDRAULIC SYSTEMS
FIT
1:1
100%

Артикул

Название

Примечание

Количество

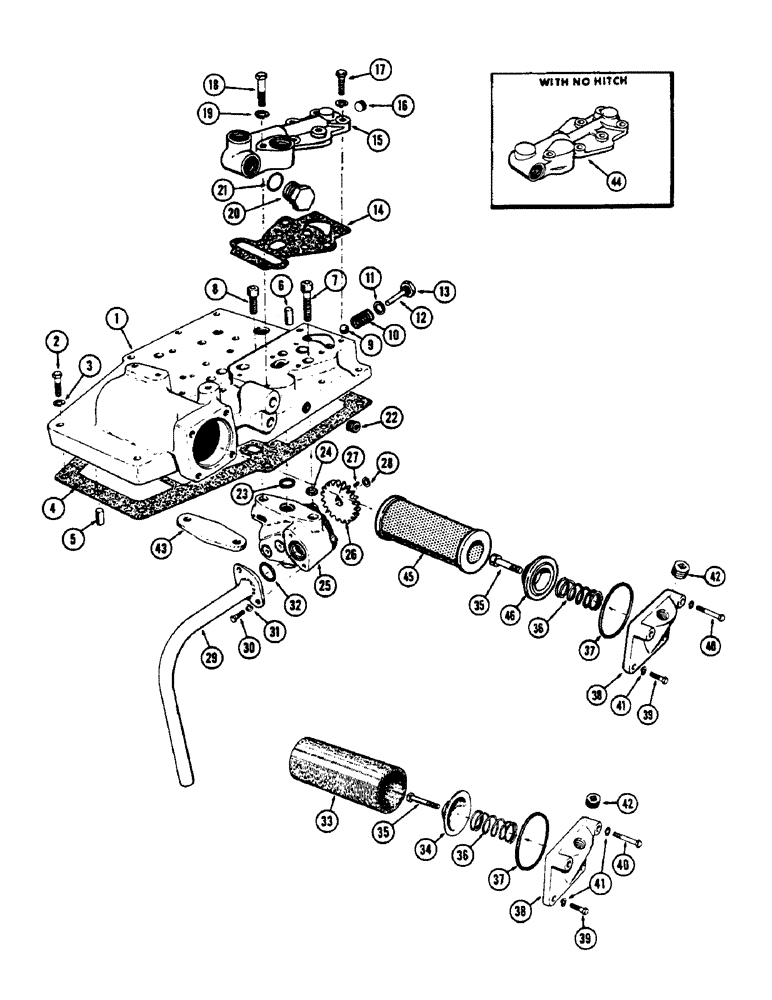
1

A37869

HOUSING

- adapter, hydraulic

1шт.

2

13-618

BOLT,Hex, 3/8" - 16 x 1-1/8", Gr 5

1шт.

2

13-624

BOLT,Hex, 3/8" - 16 x 1-1/2", Gr 5

- 3/8" x 1-1/2" N.C. hex. hd.

1шт.

2

13-626

BOLT,Hex, 3/8" - 16 x 1-5/8", Gr 5

5шт.

3

92-6

LOCK WASHER,3/8"

std. 3/8"

7шт.

4

G46818

GASKET

- adapter housing

1шт.

5

G10711

PIN

- dowel, adapter housing rear

1шт.

6

A29426

AXLE PIN

PIN - dowel, adapter housing front

1шт.

7

165-104

SCREW - 7/16" x 1-3/4" socket hd. self-locking

1шт.

8

165-106

SCREW - 7/16" x 1" socket hd. self-locking

1шт.

9

211-13

BALL,1/2" Dia

- drop check valve 1/2" Dia

1шт.

10

A35442

VALVE SPRING

SPRING - drop check valve

1шт.

11

G10964

WASHER

GASKET - plug, drop check valve

1шт.

12

138-106

LOCK PIN,3/16" x 2 1/2", Slotted

PIN, , Drop check valve 3/16" x 2 1/2", Slotted

1шт.

13

A14280

PLUG

- drop check valve

1шт.

14

A35617

GASKET

- cover

1шт.

15

A35443

RIVET

COVER - valve or housing (w/Draft-O-Matic)

1шт.

16

221-1849

PLUG

- pipe, 1/8" hex. socket hd.

1шт.

17

13-520

BOLT,Hex, 5/16" - 18 x 1-1/4", Gr 5

- 5/16" x 1-1/4" N.C. hex. hd.

7шт.

18

13-528

BOLT,Hex, 5/16" - 18 x 1-3/4", Gr 5

- 5/16" x 1-3/4" N.C. hex. hd.

1шт.

19

92-5

LOCK WASHER,5/16"

std. 5/16"

8шт.

20

86512512

PLUG,7/8" - 14 ORB

5/8" O.D. (Incl. Ref. 21) Hex Hd, 7/8"-14 ORB

1шт.

21

237-6010

O-RING,0.097" Thk x 0.755" ID, -910, Cl 6, 90 Duro

"O" RING - plug to cover

1шт.

22

221-32

PLUG,Sq Soc, 3/8"-18 NPTF

- pipe, 3/8" hex. socket hd. (Short)

1шт.

23

A27365

O-RING,0.103" Thk x 0.75" ID, -116, Cl 5, 75 Duro

"O" RING - pump to adapter

1шт.

24

G16785

RING

- dowel, Serial Range: pump-adapter

2шт.

25

G45460

PUMP

- hydraulic

1шт.

26

G16797

GEAR

- pump drive

1шт.

27

126-11

WOODRUFF KEY,#5, 1/8" x 5/8"

1шт.

28

G46176

SNAP RING,#56, Ext

Ring, Snap, , gear to pump #56, Ext

1шт.

29

A35210

TUBE - suction, pump

1шт.

30

13-516

BOLT,Hex, 5/16" - 18 x 1", Gr 5

2шт.

31

92-5

LOCK WASHER,5/16"

std. 5/16"

2шт.

32

A27352

O-RING,0.859" ID x 1.137" OD x 0.139"

"O" RING - suction tube to pump

1шт.

33

G13113

ELEMENT,2.25" OD x 6" L

ELEMENT - filter, fiber type (Order ref. 45 and 46)

1шт.

34

A29236

CYLINDER END CAP

CAP - retainer, (w/fiber type filter) (See ref. 46)

1шт.

35

13-428

BOLT,Hex, 1/4" - 20 x 1-3/4", Gr 5

1шт.

36

A29993

VALVE SPRING

SPRING - retainer, filter element

1шт.

37

A29884

O-RING,0.139" Thk x 2.359" ID, -229, Cl 5, 75 Duro

"O" RING - filter cap

1шт.

38

G1353

CAP - cover, oil filter

1шт.

39

13-616

BOLT,Hex, 3/8" - 16 x 1", Gr 5, Full Thd

2шт.

40

13-636

BOLT,Hex, 3/8" - 16 x 2-1/4", Gr 5

2шт.

41

92-6

LOCK WASHER,3/8"

4шт.

42

221-845

PLUG,Hex Soc, 3/4"-14

- pipe, 3/4" hex. socket hd.

1шт.

43

G16830

COVER - pump to opening (Without hydraulic pump)

1шт.

44

A35440

COVER - valve or housing (w/Draft-O-Matic)

1шт.

45

A36524

FILTER, ELEMENT

ELEMENT - filter (Metal type)

1шт.

46

A36523

CAP

- retainer, filter element, metel type

1шт.

Выбрано товаров: 0