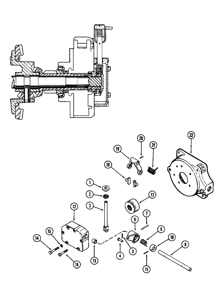
Запчасти Case 580 (115A) - DIFFERENTIAL LOCK CONTROLS (27) - REAR AXLE SYSTEM

Схема запчастей Case 580 - (115A) - DIFFERENTIAL LOCK CONTROLS (27) - REAR AXLE SYSTEM
7
8
9
6
5
17
1
3
22
12
21
19
11
8
16
13
14
2
15
20
10
4
FIT
1:1
100%

Артикул

Название

Примечание

Количество

1

A37501

PEDAL

- foot, differential lock

1шт.

2

A37563

GROMMET

- platform

1шт.

3

A37498

ROD -, Serial Range: pedal-lever

1шт.

4

141-3

CLEVIS PIN,5/16" x .940"

PIN, CLEVIS, , Yoke, rod to lever 5/16" x .940"

1шт.

5

132-26

COTTER PIN

PIN - Split (Cotter), 3/32" x 3/4"

1шт.

6

A37565

LEVER

- actuating, differential lock

1шт.

7

138-96

LOCK PIN,3/16" x 1", Slotted

PIN, 3/16" x 1", Slotted

1шт.

8

A37564

SHAFT

- actuating

1шт.

9

A36446

SPRING

- lever

1шт.

10

A36447

RETAINER

COLLAR - spring retainer

1шт.

11

138-99

LOCK PIN,3/16" x 1 3/8", Slotted

PIN, 3/16" x 1 3/8", Slotted

1шт.

12

A35923

HOUSING

COVER ASSY. - lock assy., Includes: Ref. 13

1шт.

13

A35925

BUSHING

- lever shaft

1шт.

14

13-540

BOLT,Hex, 5/16" - 18 x 2-1/2", Gr 5

5шт.

15

92-5

LOCK WASHER,5/16"

WASHER - , lock 5/16"

5шт.

16

61-536

HEX SOC SCREW,5/16"-18 x 2 1/4"

SCREW - 5/16 x 2-1/4" N.C. hex. sckt. hd.

1шт.

17

A35929

CLAMP

COLLAR - locking

1шт.

18

A65101

FINGER

- locking collar (Replaces A35928 & A38750)

2шт.

19

A38749

LEVER

- locking collar (Replaces A35927)

1шт.

20

138-96

LOCK PIN,3/16" x 1", Slotted

PIN, 3/16" x 1", Slotted

1шт.

21

A35933

SPRING

- inner

1шт.

22

A37052

COVER

- R.H. brake (See Figure 116)

1шт.

Выбрано товаров: 22