Запчасти Case 580 (161A) - INDEPENDENT P.T.O. CLUTCH & LINKAGE (27) - REAR AXLE SYSTEM

Схема запчастей Case 580 - (161A) - INDEPENDENT P.T.O. CLUTCH & LINKAGE (27) - REAR AXLE SYSTEM
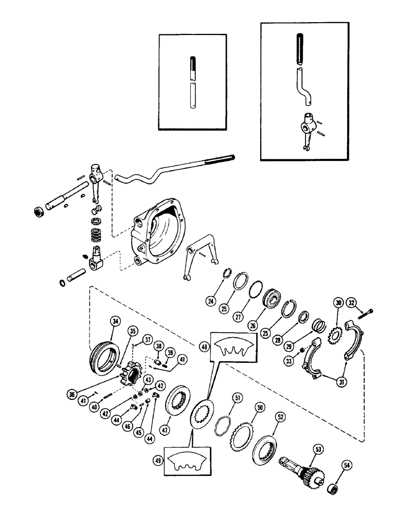
28
44
35
46
53
33
25
41
40
36
43
41
39
29
26
45
49
52
42
47
30
51
54
34
48
31
42
27
38
24
25
44
50
32
37
FIT
1:1
100%

Артикул

Название

Примечание

Количество

24

A21619

CIRCLIP

RING - snap, output shaft rear brg. (Replaces A27074)

1шт.

25

A27369

RING, SNAP

RING - snap, rear, Serial Range: bearing-housing

2шт.

26

G13611

BALL BEARING

BEARING ASSY. - rear, output shaft, Inlcudes: Ref. 27

1шт.

27

G46844

O-RING,2.628" ID

"O" RING - 2-5/8 x 2-13/16 x 7/64"

1шт.

28

A37695

WASHER

- pressure spring adjusting

1шт.

29

A37694

SPRING

- plate pressure

1шт.

30

A38305

LARGE PLATE

PLATE - clutch adjusting (Replaces A37693)

1шт.

31

A37675

COLLAR ASSY.

- clutch throwout, Inlcudes: Ref. 32 and 33

1шт.

32

14-540

BOLT,Hex, 5/16" - 24 x 2-1/2", Gr 5

- 5/16 x 2-1/2" N.F. hex.

2шт.

33

131-575

NUT

NUT - 5/16" N.F. flex lock (Thin)

2шт.

34

A38282

SLEEVE

- sliding (Incl. bonded brake lining) (Replaces A37672)

1шт.

35

135-139

PIN

- groove, 1/4 x 1/2" shear proof

1шт.

36

A38280

CARRIER

- clutch lever (Replaces A37668)

1шт.

37

138-43

LOCK PIN,3/32" x 7/8", Slotted

PIN, 3/32" x 7/8", Slotted

1шт.

38

A37691

PIN

- lock, clutch adjusting

1шт.

39

A37692

VALVE SPRING

SPRING - lock pin, clutch adjusting

1шт.

40

A37671

AXLE PIN,6.29mm OD x 42.16mm L

PIN - pivot, clutch link

3шт.

41

132-24

COTTER PIN,3/32" x 1/2"

PIN, SPLIT (COTTER), 3/32" x 1/2"

6шт.

42

A37689

ROLLER

- outer, clutch link

6шт.

43

A37688

ROLLER

- inner, clutch link

3шт.

44

A38281

DRAG LINK

LINK - clutch plate (Replaces A37669)

6шт.

45

A37670

SPACER

- clutch link

3шт.

46

A37690

AXLE PIN,6.31mm OD x 18.9mm L

PIN - link roller

3шт.

47

A39934

PLATE

- pressure, clutch (Replaces A37667 & A38975)

1шт.

48

A65425

PLATE

- clutch, internal tooth (Replaces A7102 & A57070)

7шт.

49

A57170

BRAKE DISC

PLATE - clutch, internal tooth (Order A65425)

7шт.

50

A11127

PLATE

- clutch, external tooth

8шт.

51

A27591

VALVE SPRING

SPRING - separator, clutch plate

8шт.

52

A7101

PLATE

- backing, clutch

1шт.

53

A37666

SHAFT

- output, P.T.O.

1шт.

54

F7232

BEARING

- needle, output shaft

1шт.

Выбрано товаров: 31