Запчасти Case 580 (078) - HORN, BLOCK HEATER, BATTERY HEATER (55) - ELECTRICAL SYSTEMS

Схема запчастей Case 580 - (078) - HORN, BLOCK HEATER, BATTERY HEATER (55) - ELECTRICAL SYSTEMS
12
11
19
24
4
1
10
25
18
2
7
9
6
8
5
14
3
10
13
FIT
1:1
100%

Артикул

Название

Примечание

Количество

A36945

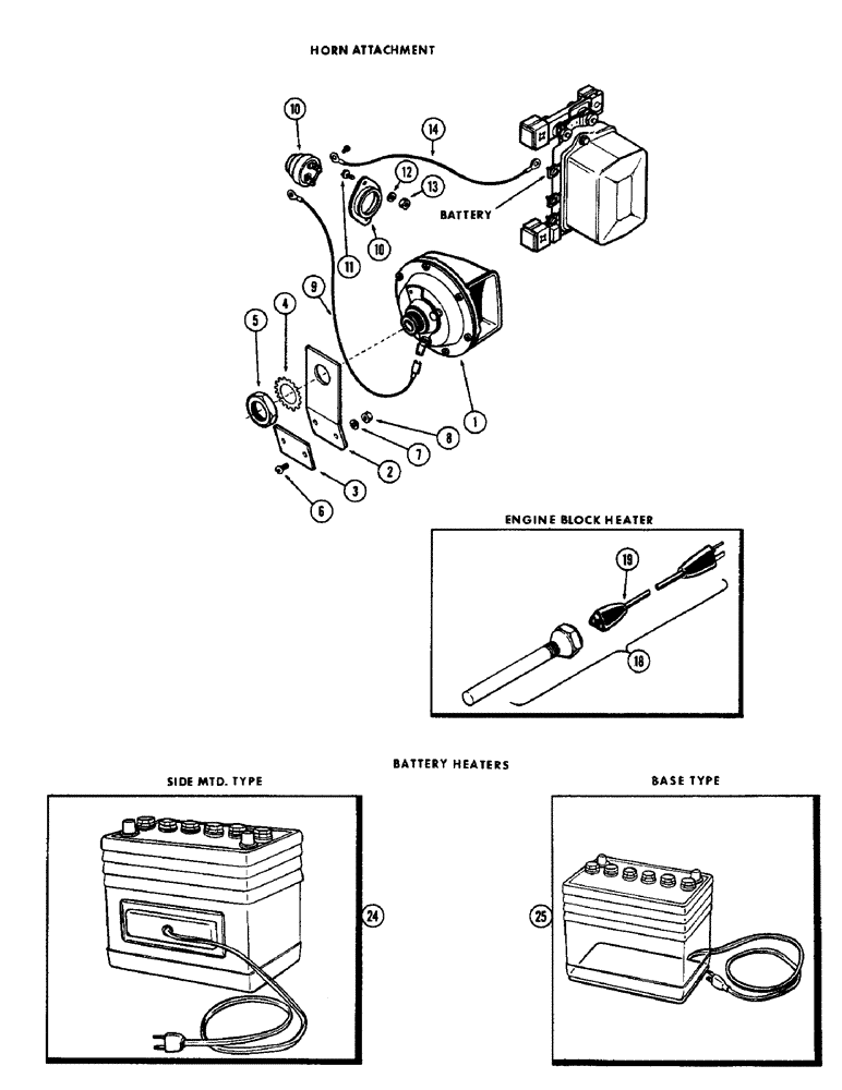
HORN ATTACHMENT - (Mchy. item), Inlcudes: Ref. 1 - 14

1шт.

1

A19581

HORN

(12 volt)

1шт.

2

A36946

BRACKET

- horn mounting

1шт.

3

A36947

PLATE ASSY.

PLATE - mounting bracket

1шт.

4

193-16

LOCK WASHER,Ext Tooth, 7/8"

WASHER - 7/8" ext. Shakeproof

1шт.

5

L30866

LOCK NUT

- 7/8" N.F. hex. (Replaces A19827)

1шт.

6

173-207

X

SCREW - bracket, 1/4 x 5/8" N.C. rd. hd.

2шт.

7

192-19

LOCK WASHER,Helical Spring, 0.256" ID, CST, ZND

WASHER, LOCK, 1/4"

2шт.

8

7770

NUT,Hex, 1/4 - 20, Cl 5

1/4"-20, G5

2шт.

9

A36949

WIRE -, Serial Range: button-horn

1шт.

10

A36948

SWITCH

- horn

1шт.

11

173-234

SCREW - button, #5 x 1/2" N.C. rd. hd.

2шт.

12

192-14

LOCK WASHER,Helical Spring, #5, 0.13" ID, CST, ZND

Washer, Lock, #5

2шт.

13

129-14

NUT,#5-40

2шт.

14

A13906

WIRE - button to volt. regulator

1шт.

18

A40637

HEATER ASSY.

- (Includes cord) (188D only), block, Inlcudes: Ref. 19

1шт.

19

A40477

ELECTRICAL WIRE

CORD - heater, block

1шт.

24

M20509

HEATER

ASSY. - side mounted type, battery

1шт.

25

M20510

HEATER

ASSY. - base type, battery

1шт.

Выбрано товаров: 19