Запчасти Case 580 (009C) - CYL. BLOCK ASSY., (188) DIESEL ENG., USED ENG. SER. NO. 2639536 USED W/STAMPED PAN W/O TACH. DRIVE (10) - ENGINE

Схема запчастей Case 580 - (009C) - CYL. BLOCK ASSY., (188) DIESEL ENG., USED ENG. SER. NO. 2639536 USED W/STAMPED PAN W/O TACH. DRIVE (10) - ENGINE
19
3
2
7
11
6
21
15
1
13
4
20
17
25
5
10
18
10
12
23
16
9
24
8
14
FIT
1:1
100%

Артикул

Название

Примечание

Количество

A41596

ENGINE ASSEMBLY

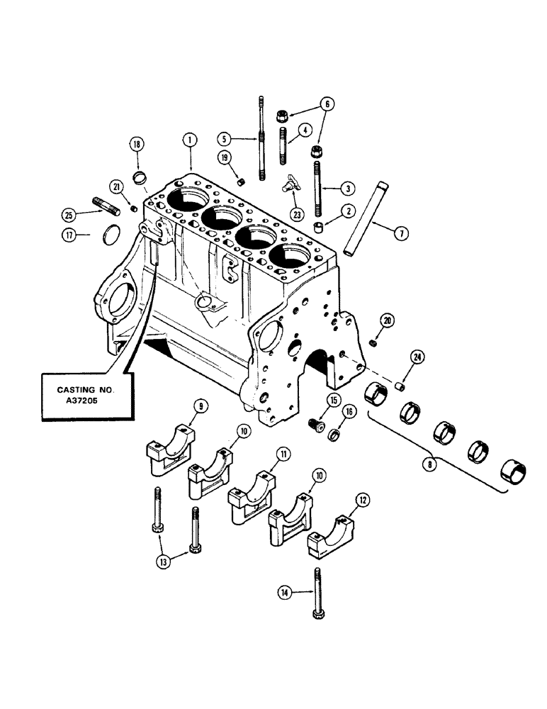
BLOCK ASSY. - cyl., short (Casting no. A37205) (Incl. crankshaft & brgs., connecting rods & brgs., camshaft, piston assy., oil pump & timing gears) (Order A42814), Inlcudes: Ref. 1 - 25

1шт.

1

A41597

SKELETON ENGINE

BLOCK ASSY. - stripped (Casting #A37205 or A38535), Inlcudes: Ref. 2 - 21

1шт.

2

G49608

RING

- dowel, cylinder, Serial Range: head-block

2шт.

3

A36902

STUD

- cyl. head to block (1/2" N.C. x 5-5/8")

11шт.

3

A36905

STUD

- cyl. head to block (1/2" N.C. x 6")

2шт.

4

A36904

STUD

- cyl. head to block (1/2" N.C. x 4")

4шт.

5

A36903

STUD

- cyl. head &, Serial Range: cover-block

2шт.

6

A37030

FLANGE NUT

- cyl. head studs (1/2" N.C. flanged)

19шт.

7

A37149

TUBE

- oil gauge & filler

1шт.

8

A42746

CAM

BUSHING SET - camshaft (Replaces A41232)

1шт.

9

A38385

CAP

- main bearing, rear

1шт.

10

G2128

CAP

- main bearing, intermediate

2шт.

11

G2127

CAP

- main bearing, center

1шт.

12

G2126

CAP

- main bearing, front

1шт.

13

113-444

BOLT

- brg. caps, rear, inter., & ctr. (1/2 x 4-1/2" N.C., sltd. hex. hd.)

8шт.

14

113-445

BOLT

- brg. cap, front & oil pump (1/2 x 5-1/8" N.C., sltd. hex. hd.)

2шт.

15

A153552

ADAPTER

- oil filter

1шт.

16

41-1016

PLUG,Cup, 1"

- adapter hole (1" cup type)

1шт.

17

A39241

PLUG,Exp, 2.12" dia

- camshaft hole (2-1/8" exp.)

1шт.

18

A38534

PLUG

- tach. drive hole (1-1/16" cup type)

1шт.

19

221-1032

DRAIN PLUG,Sq Soc, 3/8"-18 NPTF

PLUG - (3/8" P.T. sckt. hd.)

1шт.

20

G49070

PLUG

- front oil gallery (1/4" P.T. drilled hd.)

1шт.

21

217-433

PLUG,Hex Soc, 1/4" - 18 NPTF

Rear oil gallery Hex Soc, 1/4"-18 NPTF

1шт.

23

A23656

COCK, DRAIN

VALVE ASSY. drain cyl. block

1шт.

24

A29442

RING

- dowel, timing gear, Serial Range: cover-block

2шт.

25

A29333

STUD

- engine to torque tube (5/8" N.C./N.F. x 3")

2шт.

Выбрано товаров: 26