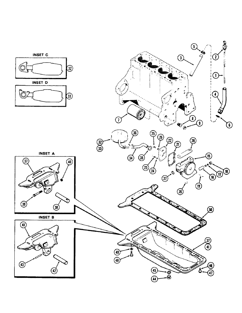
Запчасти Case 580 (018) - OIL PUMP - OIL FILTER - OIL PAN, (188) DIESEL ENGINE, CAST IRON OIL PAN, 1ST USED ENG. S/N. 2639536 (10) - ENGINE

Схема запчастей Case 580 - (018) - OIL PUMP - OIL FILTER - OIL PAN, (188) DIESEL ENGINE, CAST IRON OIL PAN, 1ST USED ENG. S/N. 2639536 (10) - ENGINE
4
39
5
45
9
47
3
32
43
34
25
16
25
42
38
17
40
23
8
35
27
26
6
7
41
36
33
41
32
18
46
50
44
48
33
2
22
1
19
37
21
49
15
20
37
24
FIT
1:1
100%

Артикул

Название

Примечание

Количество

1

A37406

DIPSTICK

DIPSTICK - engine oil level, Inlcudes: Ref. 2

1шт.

2

F62075

O-RING,0.139" Thk x 0.734" ID, -210, Cl 5, 75 Duro

"O" RING - dipstick seal (3/4 x 1 x 1/8")

2шт.

3

A37149

TUBE

TUBE - oil filler & dipstick (In block)

1шт.

4

A37407

TUBE

EXTENSION - filler & dipstick tube

1шт.

5

214-256

HOSE CLAMP,#20, 0.81" - 1.75", Type F Worm

CLAMP - extension, 1-3/16" to 1-3/4"

1шт.

6

A27342

O-RING,1.109" ID x 1.387" OD x 0.139"

"O" RING - extension to tube (1-1/8 x 1-3/8 x 1/8")

1шт.

7

A37189

FILTER, ELEMENT

ELEMENT, FILTER FILTER - engine oil

1шт.

8

A153552

ADAPTER

ADAPTER -, Serial Range: filter-block

1шт.

9

41-1016

PLUG,Cup, 1"

PLUG - adapter opening (1" cup type)

1шт.

15

A38372

PUMP

PUMP ASSY. - oil (Replaces G37070), Inlcudes: Ref. 16 - 26

1шт.

15

AR38372

REMAN-ENG OIL PUMP

REMAN-ENGINE OIL PUMP Remanufactured Oil Pump; For N.A. only

1шт.

15

AC38372

CORE-ENGINE OIL PUMP

CORE-ENGINE OIL PUMP Return number - For N.A. only

1шт.

15

JR930336

REMAN-ENG OIL PUMP

REMAN-ENGINE OIL PUMP Remanufactured Oil Pump; For N.A. only

1шт.

15

JC926202

CORE-ENGINE OIL PUMP

CORE-ENGINE OIL PUMP Return number - For N.A. only

1шт.

16

A155144

VALVE, PRESSURE RELI

- relief

1шт.

17

G48500

SPRING

SPRING - relief valve

1шт.

18

A29260

RETAINER

RETAINER - relief spring

1шт.

19

138-62

LOCK PIN,1/8" x 1 1/8", Slotted

PIN - roll, 1/8 x 1-1/4"

1шт.

20

41-102

PLUG,Exp, 1/2"

PLUG - pump body

1шт.

21

G46852

GASKET

GASKET - pump cover

1шт.

22

NSS

NOT SOLD SEPARAT

COVER - pump body

1шт.

23

13-420

BOLT,Hex, 1/4" - 20 x 1-1/4", Gr 5

BOLT, Hex, 1/4"-20 x 1 1/4", G5

1шт.

23

13-412

BOLT,Hex, 1/4" - 20 x 3/4", Gr 5, Full Thd

BOLT, Hex, 1/4"-20 x 3/4", G5, Full Thd

3шт.

24

92-4

LOCK WASHER,1/4"

WASHER, LOCK, 1/4"

4шт.

25

73-410

SCREW,Slotted Flat Hd, 1/4"-20 x 5/8"

SCREW - 1/4 x 5/8" flat hd.

2шт.

26

193-52

LOCK WASHER,Ext Csk Tooth, 1/4"

WASHER, LOCK, Ext Csk Tooth, 1/4"

2шт.

27

A27365

O-RING,0.103" Thk x 0.75" ID, -116, Cl 5, 75 Duro

"O" RING - oil port (3/4 x 15/16 x 3/32")

1шт.

28

G11337

SHIM,.002" Thk

SHIM, , Pump to block .002" Thk

1шт.

28

G11338

SHIM,.005" Thk

SHIM, , Pump to block .005" Thk

1шт.

32

A39036

FLOAT

FLOAT ASSY. - (See inset C) (1st used eng. ser. no. 2700140)

1шт.

33

A30126

SPARE PART FLOAT ASSY. - (See inset D) (Order 1-A39036 & 1-A39035) (Used prior to eng. ser. no. 2700140)

1шт.

34

A39035

TUBE

PIPE - suction (Used w/A39036 float) (1st used eng. ser. no. 2700140)

1шт.

34

G45766

PIPE, EXHAUST SYSTEM

PIPE, EXHAUST PIPE - suction (Used w/A30126 float) (Used prior to eng. ser. no. 2700140)

1шт.

35

223-207

LOCK NUT

NUT - lock, Serial Range: pipe-pump

1шт.

36

132-50

COTTER PIN,1/8" x 1 1/4"

Pin, Split (Cotter), 1/8" x 1 1/4"

1шт.

37

A51539

PAN

PAN - oil (Replaces A38425) (See inset A)

1шт.

38

A51537

PIN

PIN - pivot, radius rod, rear

1шт.

39

26-544

BOLT,Hex, 5/16" - 18 x 2-3/4", Gr 8

BOLT - (5/16 x 2-3/4" N.C. hex.)

1шт.

40

131-351

LOCK NUT,5/16"-18, GA

NUT - lock (5/16" N.C. hex.)

1шт.

41

A38425

PAN

PAN - oil (Order 1-A51539 oil pan, 1-A51537 pivot pin, 1-26-544 bolt & 1-131-351 nut) (See inset B)

1шт.

42

A51356

PIN

PIN - pivot, radius rod, rear (Replaced A29725)

1шт.

43

135-361

GROOVED PIN,1/4" x 2", Type F

PIN - Grooved, 1/4" x 2", Type F

1шт.

44

A14280

PLUG

PLUG - drain

1шт.

45

A58608

GASKET

GASKET - drain plug (Nylon)

1шт.

46

113-137

X

BOLT - (5/16 x 1-3/4" N.C. hex.)

14шт.

46

113-126

BOLT

BOLT - (5/16 x 1" N.C. hex.)

2шт.

47

92-5

LOCK WASHER,5/16"

WASHER - lock, 5/16"

16шт.

48

113-135

BOLT

BOLT - oil pan, 5/16 x 4" N.C. hex.

2шт.

49

195-1019

WASHER

WASHER - 11/32 x 3/4 x 1/16"

2шт.

50

NSS

NOT SOLD SEPARAT

GASKET - oil pan (Order from Figure 020)

1шт.

Выбрано товаров: 50