Запчасти Case 580 (090) - TORQUE CONVERTER & POWER SHUTTLE (17) - TORQUE CONVERTER

Схема запчастей Case 580 - (090) - TORQUE CONVERTER & POWER SHUTTLE (17) - TORQUE CONVERTER
27
11
6
2
16
20
2
30
10
15
1
3
33
5
3
19
38
31
8
14
26
25
34
9
24
32
34
22
36
17
21
7
35
18
13
28
31
23
29
4
FIT
1:1
100%

Артикул

Название

Примечание

Количество

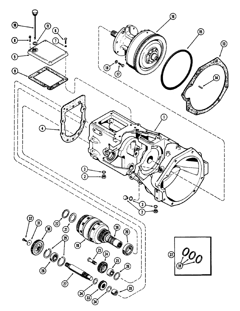
1

A51791

HOUSING

TORQUE TUBE - (Replaces A37659 & A38359)

1шт.

2

A14280

PLUG

- drain & timing hole

3шт.

3

A27927

OIL PAN GASKET SET

- plug

3шт.

4

A39029

GASKET

- torque tube to trans. case (Replaces A37218)

1шт.

5

A37222

COVER - top rear, torque tube

1шт.

6

13-624

BOLT,Hex, 3/8" - 16 x 1-1/2", Gr 5

- 3/8 x 1-1/2" N.C. hex.

3шт.

7

92-6

LOCK WASHER,3/8"

WASHER - , lock 3/8"

3шт.

8

166-45

12 PT SCREW,Flg, 3/8" - 16 x 1", Gr 8

SCREW - 3/8 x 1" N.C. Ferry hd.

1шт.

9

G46842

GASKET

- cover

1шт.

10

A38313

DIPSTICK

- oil level (Replaces A37655)

1шт.

11

A38660

GASKET

- dipstick (Replaces G10351)

1шт.

13

G46876

GASKET

- torque, Serial Range: tube-engine

1шт.

14

138-63

LOCK PIN,1/8" x 1 1/4", Slotted

PIN, , Timing pointer 1/8" x 1 1/4", Slotted

1шт.

15

G46817

GASKET,293.62mm ID x 314.58mm OD x 4.95mm Thk

-, Serial Range: converter-flywheel

1шт.

16

A37654

TORQUE CONVERTER - (See Figure 92)

1шт.

17

13-624

BOLT,Hex, 3/8" - 16 x 1-1/2", Gr 5

- 3/8 x 1-1/2" N.C. hex.

5шт.

18

92-6

LOCK WASHER,3/8"

WASHER - , lock 3/8"

5шт.

19

A38133

CLUTCH

ASSY. - power shuttle (Rockford) (Replaces A37620) (See Figures 94 & 95A)

1шт.

19

A38926

CLUTCH

ASSY. - power shuttle (Twin disc) (See Figures 95C & 95E)

1шт.

20

G10418

BEARING, BALL

BEARING - front, shuttle clutch

1шт.

21

A37783

SHIM,.0149" Thk

Clutch to main trans. shaft .0149" Thk

1шт.

22

A26946

RING

- snap, clutch to main shaft

1шт.

23

NLS

NO LONGER SERVICED

- idler gear, clutch

1шт.

24

A37629

GEAR WHEEL

GEAR - idler, clutch (28 teeth)

1шт.

25

G13608

BALL BEARING

BEARING - idler

1шт.

26

A27150

RING

- snap, idler gear

1шт.

27

A37623

SHAFT

COUNTERSHAFT - clutch drive

1шт.

28

40040

BALL BEARING,1.1811" ID x 2.4409" OD x 0.6299"

- rear, countershaft

1шт.

29

A30091

RING, SNAP

RING - snap, rear bearing, countershaft

2шт.

30

A37625

GEAR WHEEL

GEAR - countershaft rear (39 teeth)

1шт.

31

A37627

WASHER

- retaining, gear

1шт.

32

114-215

BOLT,Locking, 3/8" - 24 x 1", Gr 5

1шт.

33

A37624

GEAR

- countershaft front (23 teeth)

1шт.

34

A37626

SNAP RING,#137, 1.291", Ext

RING - snap, front countershaft gear

2шт.

35

F60368

NEEDLE BEARING

BEARING - front, countershaft

1шт.

36

NSS

NOT SOLD SEPARAT

RING - seal, 2" I.D. (Order ref. 37)

3шт.

37

A43258

SEAL KIT

KIT - seal, main shaft (Replaces A41001), Inlcudes: Ref. 38

1шт.

38

NSS

NOT SOLD SEPARAT

RING - seal, 2" I.D.

3шт.

Выбрано товаров: 38