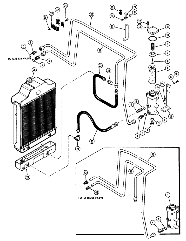
Запчасти Case 580 (098) - OIL FILTER & COOLER LINES, POWER SHUTTLE, USED W/A38434 VALVE, 1ST USED TRAC. S/N. 8357336 (21) - TRANSMISSION

Схема запчастей Case 580 - (098) - OIL FILTER & COOLER LINES, POWER SHUTTLE, USED W/A38434 VALVE, 1ST USED TRAC. S/N. 8357336 (21) - TRANSMISSION
5
41
32
4
21
13
4
31
34
10
5
1
26
3
22
29
16
14
7
23
15
42
20
24
4
16
30
27
4
5
2
8
33
11
12
24
40
1
6
5
9
25
15
4
28
35
5
42
FIT
1:1
100%

Артикул

Название

Примечание

Количество

1

A38416

HOUSING

- filter element

1шт.

2

86512512

PLUG,7/8" - 14 ORB

Assy, Filter housing, Incl. Ref. 3 Hex Hd, 7/8"-14 ORB

1шт.

3

237-6010

O-RING,0.097" Thk x 0.755" ID, -910, Cl 6, 90 Duro

"O" RING - (3/4 x 15/16 x 3/32")

1шт.

4

218-5062

HYD CONNECTOR,7/8"-14, 37 Degree x 7/8"-14, O-Ring

CONNECTOR ASSY. - (For 5/8" tube), Inlcudes: Ref. 5

4шт.

5

237-6010

O-RING,0.097" Thk x 0.755" ID, -910, Cl 6, 90 Duro

"O" RING - (3/4 x 15/16 x 3/32")

1шт.

6

A36524

FILTER, ELEMENT

ELEMENT - oil filter

1шт.

7

A36523

CAP

- element retainer

1шт.

8

13-428

BOLT,Hex, 1/4" - 20 x 1-3/4", Gr 5

1шт.

9

A29993

VALVE SPRING

SPRING - retainer, filter element

1шт.

10

A29884

O-RING,0.139" Thk x 2.359" ID, -229, Cl 5, 75 Duro

"O" RING - filter cover (2-3/8 x 2-5/8 x 1/8")

1шт.

11

G1248

COVER

CAP - filter housing

1шт.

12

13-616

BOLT,Hex, 3/8" - 16 x 1", Gr 5, Full Thd

Cap Hex, 3/8"-16 x 1", G5, Full Thd

4шт.

13

92-6

LOCK WASHER,3/8"

WASHER - , lock 3/8"

4шт.

14

A38223

BRACKET

- filter housing support

1шт.

15

13-614

BOLT,Hex, 3/8" - 16 x 7/8", Gr 5, Full Thd

Bracket Hex, 3/8"-16 x 7/8", G5, Full Thd

4шт.

16

92-6

LOCK WASHER,3/8"

WASHER - , lock 3/8"

4шт.

20

A38658

TUBE

- input (A38434 valve to A38416 filter) (See ref. 40)

1шт.

21

A38659

TUBE

- return (To A38434 valve) (See ref. 41)

1шт.

22

A37586

HOSE,12.70 mm ID x 485.60 mm

RADIATOR HOSE, , to Return Tube 12.70 mm ID x 485.60 mm

1шт.

23

A38417

HOSE

- filter to radiator (17-13/32" long)

1шт.

24

221-1413

ELBOW,90 Degree, 3/8"-18, NPT

- street, 3/8" P.T., 90 degrees (Not required)

2шт.

25

A35583

RADIATOR

ASSY. - (Incl. cooling tubes), Inlcudes: Ref. 26

1шт.

26

G45484

RESERVOIR

TANK - oil cooler (Repairs only)

1шт.

27

A37587

BRACKET

- tube clamp (w/gas eng.) (5-3/4" high)

1шт.

27

A37588

BRACKET

- tube clamp (w/diesel eng.) (5-9/64" high)

1шт.

28

A37590

CLAMP

- tube

2шт.

29

G46835

GROMMET

- rubber, tube clamp

4шт.

30

174-203

SCREW,Phil Rnd Hd, #10 - 32 x 3/4"

- clamp, #10-32 x 3/4" rd. hd., Phillips

2шт.

31

193-1000

NUT,Keps, w/LW,#10-32

- #10-32 Keps

2шт.

32

A38391

CLAMP

- tubes

1шт.

33

A38392

STRAP

- tubes

1шт.

34

13-410

BOLT,Hex, 1/4" - 20 x 5/8", Gr 5, Full Thd

Strap to clamp Hex, 1/4"-20 x 5/8", G5, Full Thd

1шт.

35

131-2

NUT,1/4"-20, GB

NUT - 1/4" N.C. elastic stop

1шт.

40

A38779

TUBE - input (A38021 valve to A38416 filter)

1шт.

41

A38780

TUBE - return (To A38031 valve)

1шт.

42

222-507

TUBE NUT,7/8"-18

NUT - (5/8" tube fitting)

2шт.

Выбрано товаров: 36