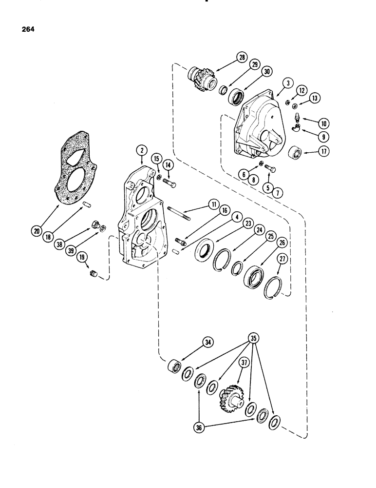
Запчасти Case 580E (264) - TRANSAXLE TRANSFER GEAR BOX, 4 WHEEL DRIVE, PRIOR TO TRANSMISSION SN 16270319 (06) - POWER TRAIN

Схема запчастей Case 580E - (264) - TRANSAXLE TRANSFER GEAR BOX, 4 WHEEL DRIVE, PRIOR TO TRANSMISSION SN 16270319 (06) - POWER TRAIN
13
36
28
18
3
8
15
10
27
23
19
6
37
16
7
35
38
24
20
5
25
14
29
39
4
2
12
11
26
30
34
9
17
FIT
1:1
100%

Артикул

Название

Примечание

Количество

A156239

HOUSING

ASSEMBLY, transfer gearbox, matched set, Includes: Ref. 2 - 6

1шт.

2

NSS

NOT SOLD SEPARAT

HOUSING transfer gearbox, order A156239, Reference No. A156238

1шт.

3

NSS

NOT SOLD SEPARAT

COVER transfer gearbox, order A156239, Reference No. A156237

1шт.

4

A55459

PIN

dowel, Serial Range: cover-housing

2шт.

5

26-624

BOLT,Hex, 3/8" - 16 x 1-1/2", Gr 8

hex, Grade 8, 3/8 x 1-1/2 inch

3шт.

6

92-6

LOCK WASHER,3/8"

3шт.

7

26-624

BOLT,Hex, 3/8" - 16 x 1-1/2", Gr 8

hex, Grade 8, 3/8 NC x 1-1/2 inch

2шт.

8

92-6

LOCK WASHER,3/8"

2шт.

9

221-411

ELBOW,90 Degree, 1/8"-27, NPT

Street, gearbox cover 90º, 1/8"-27, NPT

1шт.

10

A12928

BREATHER

transfer gearbox

1шт.

11

A153248

STUD

transfer gearbox mounting, 4-13/16 inch

2шт.

12

92-6

LOCK WASHER,3/8"

2шт.

13

129-103

NUT,Hex, 3/8" - 16, Gr 5

NUT, 3/8"-16, G5

2шт.

14

13-830

BOLT,Hex, 1/2" - 13 x 1-7/8", Gr 5

4шт.

15

92-8

LOCK WASHER,1/2"

4шт.

16

166-87

BOLT,Flg, 1/2" - 13 x 1 1/2", Gr 8

12 point head, 1/2 NC x 1-1/2 inch

2шт.

17

A156286

NEEDLE BEARING,Needle, 38.1mm ID x 47.63mm OD x 25.4mm W

BEARING idler gear, front

1шт.

18

A29540

PIN

dowel, transmission housing

1шт.

19

221-844

PLUG,Hex Soc, 1/2"-14

square head, 1/4 inch PT

1шт.

20

A156248

GASKET

GASKET transmission housing to transfer gearbox

1шт.

23

A157228

OIL SEAL

input gear oil

1шт.

24

A31234

RING

bearing to gearbox retaining

1шт.

25

CASA27117

RING, SNAP

RING retaining, 0.096 inch (2.44 mm)

1шт.

25

A27118

RING, SNAP

RING retaining, 0.0975 inch (2,47 mm)

1шт.

25

A27119

RING, SNAP

RING retaining, 0.099 inch (2.52 mm)

1шт.

25

A27116

SNAP RING

RING retaining, 0.109 inch (2.78 mm)

1шт.

26

A21266

BALL BEARING,2.1654" ID x 3.937" OD x 0.8268"

BEARING input gear, rear

1шт.

27

A31234

RING

bearing to gearbox retaining

1шт.

28

A157190

GEAR

input, 14 teeth

1шт.

29

41-1024

PLUG,Cup, 1 1/2"

cup type, 1-1/2 inch (38 mm)

1шт.

30

A28161

NEEDLE BEARING,Needle, 57.15mm ID x 66.67mm OD x 19.05mm W

BEARING input gear, front

1шт.

34

F7356

NEEDLE BEARING,Needle, 38.1mm ID x 47.63mm OD x 22.23mm W

BEARING idler gear, rear

1шт.

35

A54031

WASHER,38.15mm ID x 55.3mm OD x 2.41mm Thk

idler gear thrust

4шт.

36

T41022

THRUST BEARING,38.22mm ID x 55.17mm OD x 1.98mm W

BEARING idler gear thrust

2шт.

37

A156256

GEAR

idler, 17 teeth

1шт.

38

A140222

PLUG

transfer gearbox drain

1шт.

39

A58608

GASKET

drain plug

1шт.

A157625

STUD

transaxle front mount, 5/8 NC x 63.5 mm, Not Shown

2шт.

Выбрано товаров: 38