Запчасти Case 580E (016) - AIR CLEANER AND AIR INTAKE PARTS, MODELS WITHOUT TURBOCHAGED ENGINE (02) - ENGINE

Схема запчастей Case 580E - (016) - AIR CLEANER AND AIR INTAKE PARTS, MODELS WITHOUT TURBOCHAGED ENGINE (02) - ENGINE
11
9
1
18
15
16
8
12
13
17
14
4
10
6
3
7
5
2
FIT
1:1
100%

Артикул

Название

Примечание

Количество

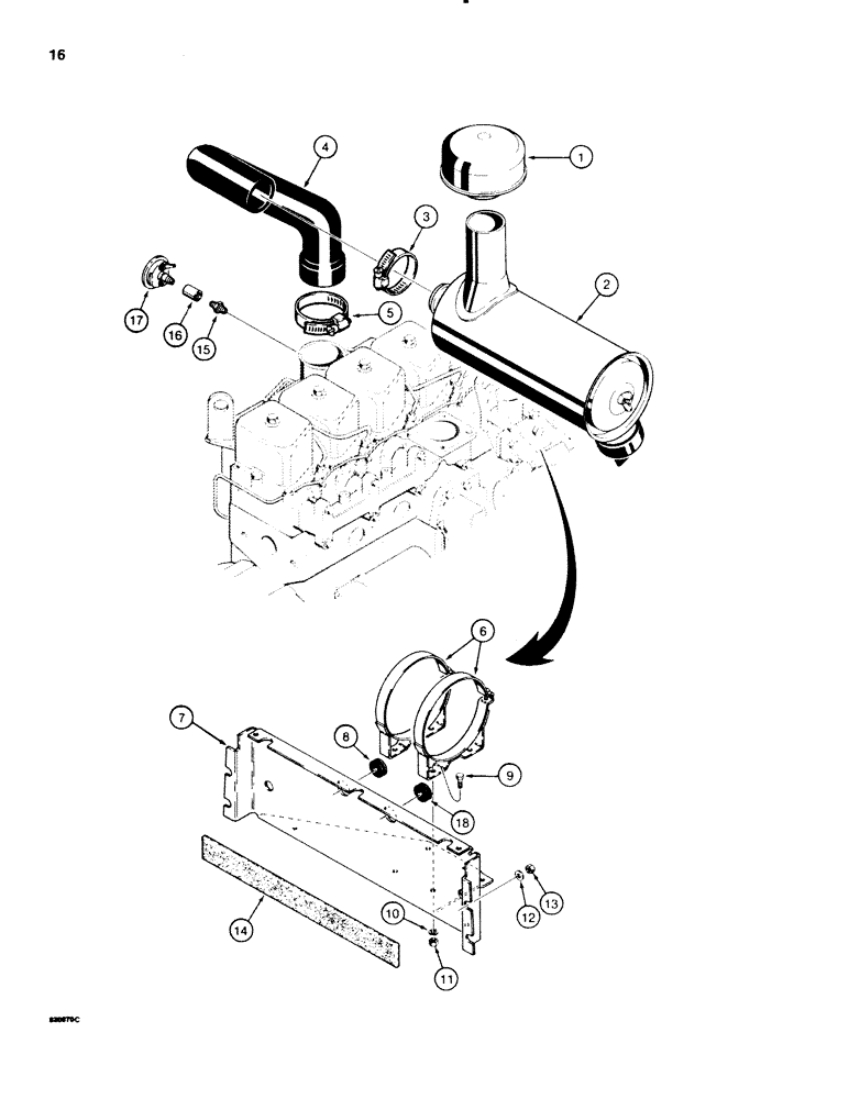
1

A61277

CAP

air cleaner

1шт.

2

A170974

AIR CLEANER

engine, parts list Figure 20

1шт.

3

214-262

HOSE CLAMP,#44, 2.31" - 3.25", Type F Worm

CLAMP hose to air cleaner

1шт.

4

D126494

INTAKE AIR HOSE,63.50 mm ID, 76.2 mm ID, SAE J200

Air Cleaner 63.50 mm ID, 76.2 mm ID, SAE J200

1шт.

5

214-265

HOSE CLAMP,#56, 3.06" - 4", Type F Worm

CLAMP hose to engine

1шт.

6

L113910

CLAMP

BAND air cleaner mounting

2шт.

7

D127281

BRACKET

air cleaner mounting

1шт.

8

F37765

GROMMET,5/8" ID x 1 1/4" Groove Dia, Str Cut

mechanical tachometer drive cable to air cleaner bracket, if used

1шт.

9

113-206

BOLT,Hex, 3/8" - 16 x 3/4", Gr 5, Full Thd

4шт.

10

192-21

LOCK WASHER,3/8"

WASHER, LOCK, 3/8"

4шт.

11

129-103

NUT,Hex, 3/8" - 16, Gr 5

NUT, 3/8"-16, G5

4шт.

12

195-524

WASHER,5/16"

flat, plated, 3/8" ID x 1-1/8" OD

4шт.

13

131-4

LOCK NUT,5/16"-18, GB

NUT hex, self locking, 5/16" - 18 NC

4шт.

14

D83436

PAD

STRIP sponge rubber

1шт.

15

D36264

FITTING

AND FILTER ASSEMBLY, air restriction indicator

1шт.

16

221-1335

COUPLING,Pipe, 1/8" NPT

1шт.

17

L103131

INDICATOR

SENDER air filter restriction indicator

1шт.

18

F37765

GROMMET,5/8" ID x 1 1/4" Groove Dia, Str Cut

harness wire to hydraulic oil filter

1шт.

Выбрано товаров: 18