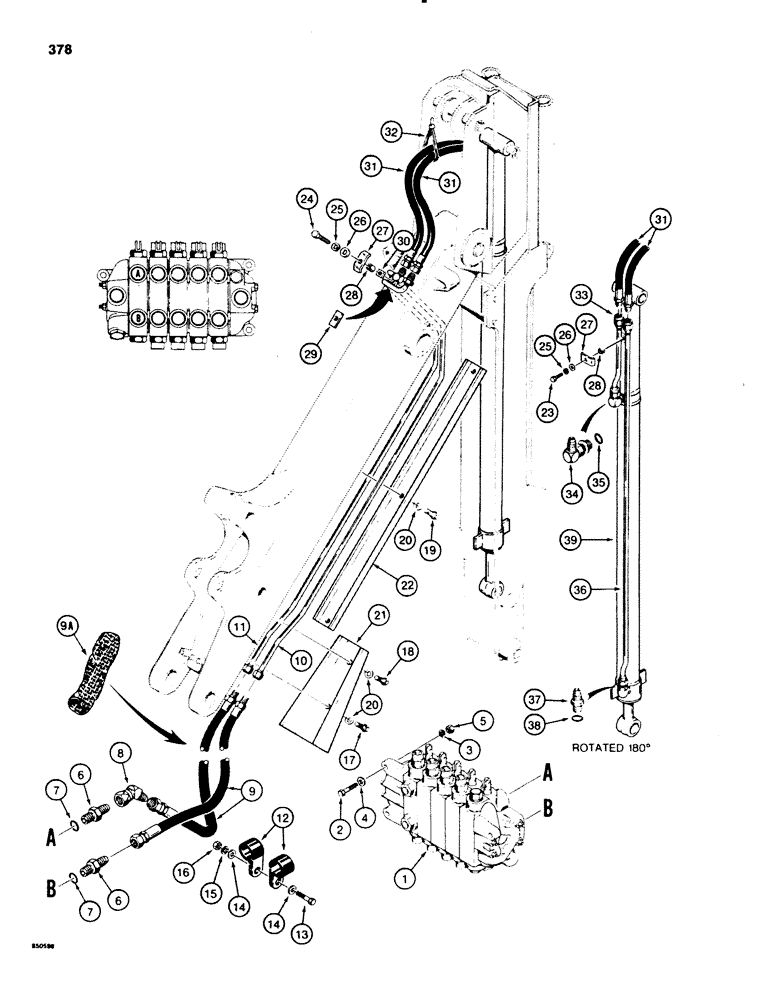
Запчасти Case 580E (378) - BACKHOE EXTENDABLE DIPPER HYDRAULIC CIRCUIT, MODELS WITH TWO BOOM MOUNTING PIN AT SWING TOWER (08) - HYDRAULICS

Схема запчастей Case 580E - (378) - BACKHOE EXTENDABLE DIPPER HYDRAULIC CIRCUIT, MODELS WITH TWO BOOM MOUNTING PIN AT SWING TOWER (08) - HYDRAULICS
26
13
24
6
35
22
14
11
5
2
17
38
12
25
3
8
31
27
31
19
39
30
16
28
10
36
9a
29
20
15
37
28
1
14
32
20
34
7
9
26
6
7
4
25
18
23
21
33
27
31
FIT
1:1
100%

Артикул

Название

Примечание

Количество

1

REF

INSTRUCTION

VALVE control, backhoe, See Figure 416 or 418, for mounting plate, See Figure 344

1шт.

2

113-421

BOLT,Hex, 1/2" - 13 x 2", Gr 5

3шт.

3

192-23

LOCK WASHER,1/2"

WASHER, LOCK, 1/2"

3шт.

4

95-8

WASHER,1/2"

flat 1/2"

3шт.

5

129-105

NUT,Hex, 1/2" - 13, Gr 5

3шт.

6

218-5064

HYD CONNECTOR,1-1/16" - 12 Male JIC x 1-1/16" - 12 Male ORB

CONNECTOR straight, male, Incl. Ref. 7

2шт.

7

218-5008

O-RING,0.116" Thk x 0.924" ID, -912, Cl 6, 90 Duro

O RING connector

1шт.

8

218-5175

ELBOW,45 Degree Elbow, 1-1/16" - 12 Male JIC x 1-1/16" - 12 Female JIC

swivel, upper port, 45 degree

1шт.

9

D93649

HOSE,12.7mm ID x 1200mm L, SAE 100R2

From Control Valve 12.70 mm ID x 1200.00 mm, SAE 100R2

2шт.

9a

D131814

SLEEVE

hose

1шт.

10

D93646

HYD TUBE

TUBE right hand

1шт.

11

D93648

HYD TUBE

TUBE left hand

1шт.

12

T50103

CLAMP

p type, hose

2шт.

13

113-219

BOLT,Hex, 3/8" - 16 x 2", Gr 5

1шт.

14

95-6

WASHER,3/8"

flat, 3/8"

2шт.

15

192-21

LOCK WASHER,3/8"

WASHER, LOCK, 3/8"

1шт.

16

129-103

NUT,Hex, 3/8" - 16, Gr 5

NUT, 3/8"-16, G5

1шт.

17

113-412

BOLT,Hex, 1/2" - 13 x 1-3/4", Gr 5

1шт.

18

113-417

BOLT,Hex, 1/2" - 13 x 1-1/4", Gr 5, Full Thd

1шт.

19

113-433

BOLT,Hex, 1/2" - 13 x 3/4", Gr 5, Full Thd

3шт.

20

95-8

WASHER,1/2"

flat 1/2"

5шт.

21

D93678

GUARD

tube, lower

1шт.

22

D54137

GUARD

tube, upper

1шт.

23

113-209

BOLT,Hex, 3/8" - 16 x 1-1/2", Gr 5

1шт.

24

113-233

BOLT,Hex, 3/8" - 16 x 1-3/4", Gr 5

1шт.

25

192-21

LOCK WASHER,3/8"

WASHER, LOCK, 3/8"

2шт.

26

195-525

WASHER,3/8", SAE

flat, plated, 3/8"

1-2шт.

27

D42504

CLAMP

metal, tube

2шт.

28

D76209

SPACER

tube clamp

2шт.

29

D76302

BLOCK

SPACER flat

1шт.

30

25-226

SQUARE NUT,Sq, 3/8"-16

square, 3/8" - 16 NC

1шт.

31

D32284

HOSE,12.7mm ID x 1016mm L, SAE 100R2

40" (1016 mm), Serial Range: long,-cylinder

2шт.

32

L18337

CABLE TIE,9.95"-12.1" lg

STRAP tie, nylon, 15 inch

1шт.

33

D52572

TUBE

to cylinder, closed end

1шт.

34

218-5107

90 ELBOW,90 Degree Elbow, 7/8" - 14 Male JIC x 7/8" - 14 Male ORB

adjustable, male, 90 degree, Incl. Ref. 35

1шт.

35

237-6010

O-RING,0.097" Thk x 0.755" ID, -910, Cl 6, 90 Duro

O RING elbow

1шт.

36

D52574

TUBE

to cylinder, rod end, Includes: Ref. 37

1шт.

37

218-5062

HYD CONNECTOR,7/8"-14, 37 Degree x 7/8"-14, O-Ring

CONNECTOR straight, male

1шт.

38

237-6010

O-RING,0.097" Thk x 0.755" ID, -910, Cl 6, 90 Duro

O RING connector

1шт.

39

G101183

CYLINDER

dipper extension, See Figure 480

1шт.

Выбрано товаров: 40