Запчасти Case 580E (400) - PARKER LOADER CONTROL VALVE, MAIN RELIEF VALVE (08) - HYDRAULICS

Схема запчастей Case 580E - (400) - PARKER LOADER CONTROL VALVE, MAIN RELIEF VALVE (08) - HYDRAULICS
6
19
7
12
15
2
8
14
10
5
16
11
9
2
13
4
17
18
1
3
FIT
1:1
100%

Артикул

Название

Примечание

Количество

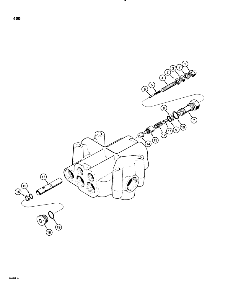
1

129-514

CROWN NUT,Low, 5/16" - 24

dome, 5/16" - 24 NF

1шт.

2

D26270

WASHER, SEALING

SEAL special, may be one or two piece part

2шт.

3

25-155

JAM NUT,Jam, 5/16"-24, G5

hex, jam, 5/16" - 24 NF

1шт.

4

176-296

SET SCREW,5/16"-24 x 1 3/4", Slotted

SCREW adjusting, main relief valve, 5/16" - 24 NF x 1-3/4"

1шт.

5

D26268

SPRING

plunger

1шт.

6

D26267

PLUNGER

main relief valve

1шт.

7

A25291

CAP

BODY main relief valve

1шт.

8

L30443

BACK-UP RING,0.547" ID x 0.049" Width

backup, L30444 O ring

1шт.

9

L30444

O-RING,0.521" ID x 0.661" OD

O RING small

1шт.

11

D26266

SEAT

plunger

1шт.

12

D52319

SPRING

poppet

1шт.

13

D37062

VALVE

POPPET ASSEMBLY, main relief valve

1шт.

14

D37063

SEAT

poppet

1шт.

15

L30444

O-RING,0.521" ID x 0.661" OD

O RING sleeve seat

1шт.

16

L30443

BACK-UP RING,0.547" ID x 0.049" Width

backup, L30444 O ring

1шт.

17

D83201

SLEEVE

seat

1шт.

18

71100209

PLUG,Hex Soc, 3/4"-16 ORB

Main relief valve, Incl Ref 19 Hex Soc, 3/4"-16 ORB

1шт.

10

218-5006

O-RING,0.087" Thk x 0.644" ID, -908, Cl 6, 90 Duro

8-1, 90 Duro, .644" ID x .087" Thk

1шт.

19

218-5006

O-RING,0.087" Thk x 0.644" ID, -908, Cl 6, 90 Duro

8-1, 90 Duro, .644" ID x .087" Thk, plug

1шт.

Выбрано товаров: 19