Запчасти Case 580E (418) - BACKHOE CONTROL VALVES, USED ON MODELS WITH EXTENDABLE DIPPER (08) - HYDRAULICS

Схема запчастей Case 580E - (418) - BACKHOE CONTROL VALVES, USED ON MODELS WITH EXTENDABLE DIPPER (08) - HYDRAULICS
11
3
4
8
5a
13
4a
9
13
9
2
5a
7
9
12
5
6a
1
12
10
4
6
FIT
1:1
100%

Артикул

Название

Примечание

Количество

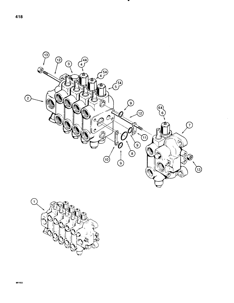
1

G109537

VALVE, CONTROL

CONTROL VALVE ASSEMBLY, foot swing models, Replaces G104994 control valve

1шт.

1

G109540

VALVE, CHECK

CONTROL VALVE ASSEMBLY, hand swing models, Replaces G104996 control valve, Includes: Ref. 2 - 13

1шт.

2

G33108

MANIFOLD

OUTLET SECTION See Figure 420

1шт.

3

G103404

SEGMENT

EXTENDABLE DIPPER SECTION See Figure 426

1шт.

4

REF

INSTRUCTION

DIPPER AND BUCKET SECTION See Figures 422 and 424, used with G109540 control valve assembly

2шт.

4a

REF

INSTRUCTION

BOOM SECTION See Figures 432-438, used with G109537 control valve assembly 5REFSWING SECTION See Figures 428 and 430, used with G109540 control valve assembly

1шт.

5a

REF

INSTRUCTION

DIPPER AND BUCKET SECTION See Figures 422 and 424, used with G109537 control valve assembly

2шт.

6

REF

INSTRUCTION

BOOM SECTION See Figures 432 - 438, used with G109540 control valve assembly

1шт.

6a

REF

INSTRUCTION

SWING SECTION See Figures 428 and 430, used with G109537 control valve assembly

1шт.

7

G33102

MANIFOLD

INLET SECTION See Figure 420

1шт.

8

G34001

O-RING,0.103" Thk x 1.424" ID, -127, Cl 6, 90 Duro

O RING section ports, large

6шт.

9

G34000

O-RING,0.103" Thk x 0.924" ID, -119, Cl 6, 90 Duro

O RING section ports, small

18шт.

10

G107251

SHIM,10.31mm ID x 20.62mm OD x 0.06mm Thk

Section, Port side of control valve 0.051mm Thk

6шт.

11

G33965

SHIM,22.86mm OD x 0.06mm Thk

Section, Non-port side of control valve 0.051mm Thk

6шт.

12

G34675

TIE-ROD

STUD tie, 3/8" - 16 NC x 15-3/4"

4шт.

13

129-103

NUT,Hex, 3/8" - 16, Gr 5

NUT, 3/8"-16, G5

8шт.

Выбрано товаров: 16