Запчасти Case 580E (424) - BACKHOE CONTROL VALVE, DIPPER AND BUCKET SECTION (08) - HYDRAULICS

Схема запчастей Case 580E - (424) - BACKHOE CONTROL VALVE, DIPPER AND BUCKET SECTION (08) - HYDRAULICS
5
14
1
8
26
15
2
27
13
7
26
13
22
19
25
21
23
16
12
10
24
9
3
11
24
19
10
3
21
17
4
25
23
18
14
6
15
17
16
18
20
22
11
20
7
27
12
FIT
1:1
100%

Артикул

Название

Примечание

Количество

G109512

VALVE, CONTROL

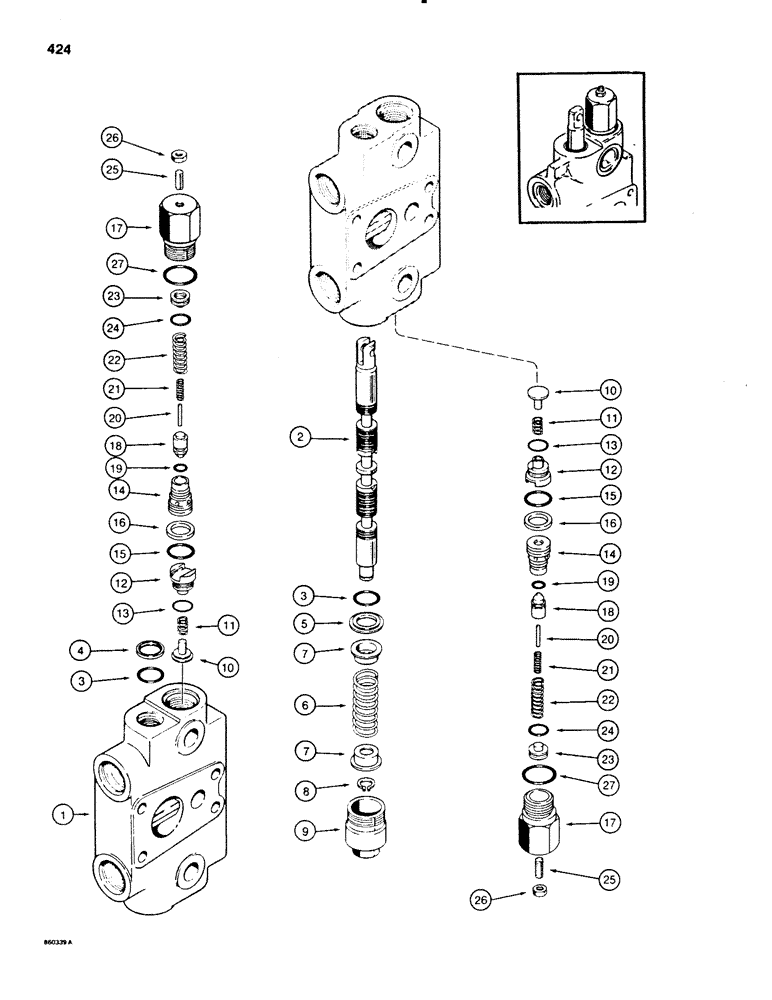
SECTION ASSEMBLY, dipper and bucket, circuit relief valve with one piece cap, Replaces G103400 section assembly on Figure 422, Includes: Ref. 1 - 27

1шт.

1

NSS

NOT SOLD SEPARAT

BODY section

1шт.

2

NSS

NOT SOLD SEPARAT

SPOOL section

1шт.

3

G108461

O-RING

O RING body

2шт.

4

A32309

SEAL,18.8mm ID x 25.5mm OD x 3.1mm Thk

spool

1шт.

5

G102711

RETAINER COLLAR,19.3 mm ID x 32.97 mm OD

O ring

1шт.

6

G34463

SPRING

centering, spool

1шт.

7

G33075

RETAINER,12.2mm ID, 27.9mm OD

SEAT centering spring

2шт.

8

G33077

SNAP RING,#47, Ext

Ring, Snap, , spool end #47, Ext

1шт.

9

G33080

CAP

centering spring

1шт.

10

G33081

VALVE POPPET

POPPET load check valve

2шт.

11

G33573

SPRING

load check valve

2шт.

12

G33084

PLUG

load check valve

2шт.

13

G33686

O-RING,0.07" Thk x 0.61" ID

O RING plug

2шт.

G109445

CIRCUIT RELIEF VALVE ASSEMBLY, one piece cap, Replaces G34672 valve in production, See Figure 422, order G109449 kit for service, Includes: Ref. 14 - 27

2шт.

The pressure setting of the repair circuit relief valve is not preset for this application. Adjust the setting according to the instrucitons sent with the repair valve.

1шт.

14

NSS

NOT SOLD SEPARAT

SEAT circuit relief valve

1шт.

15

G107675

O-RING,0.07" Thk x 0.739" ID, -18, Cl 6, 90 Duro

O RING small, seat

1шт.

16

G35540

BACK-UP RING,19.43mm ID x 22.23mm OD x 1.32mm Thk

backup, small O ring, seat

1шт.

17

NSS

NOT SOLD SEPARAT

BODY circuit relief valve

1шт.

18

NSS

NOT SOLD SEPARAT

POPPET circuit relief valve

1шт.

19

NSS

NOT SOLD SEPARAT

O RING poppet

1шт.

20

NSS

NOT SOLD SEPARAT

PIN relief stop

1шт.

21

NSS

NOT SOLD SEPARAT

SPRING circuit relief valve, inner

1шт.

22

NSS

NOT SOLD SEPARAT

SPRING circuit relief valve, outer

1шт.

23

NSS

NOT SOLD SEPARAT

PISTON circuit relief valve

1шт.

24

NSS

NOT SOLD SEPARAT

O RING piston

1шт.

25

178-890

SET SCREW,Hex Soc, 5/16"-24 x 1"

SCREW set, hex socket headless, oval point, plated, 5/16" - 24 NF x 1"

1шт.

26

86637933

JAM NUT,5/16" - 24, Gr 5

1шт.

27

218-5008

O-RING,0.116" Thk x 0.924" ID, -912, Cl 6, 90 Duro

O RING large, body

1шт.

G109449

KIT

service for G109445, includes G109447 relief valve assembly, Refs. 14 - 27, and an instruction sheet

1шт.

The pressure setting of the repair circuit relief valve is not preset for this application. Adjust the setting according to the instrucitons sent with the repair valve.

1шт.

Выбрано товаров: 32