Запчасти Case 580E (426) - BACKHOE CONTROL VALVE, DIPPER EXTENSION SECTION (08) - HYDRAULICS

Схема запчастей Case 580E - (426) - BACKHOE CONTROL VALVE, DIPPER EXTENSION SECTION (08) - HYDRAULICS
5
16
1
3
8
14
12
4
16
6
8
13
18
10
17
15
13
11
12
11
14
7
17
2
4
15
9
18
FIT
1:1
100%

Артикул

Название

Примечание

Количество

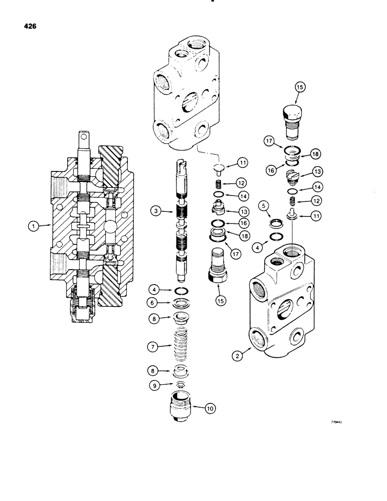
1

G103404

SEGMENT

SECTION ASSEMBLY, dipper extension, Includes: Ref. 2 - 18

1шт.

2

NSS

NOT SOLD SEPARAT

BODY section

1шт.

3

NSS

NOT SOLD SEPARAT

SPOOL section

1шт.

4

G108461

O-RING

O RING body

2шт.

5

A32309

SEAL,18.8mm ID x 25.5mm OD x 3.1mm Thk

spool

1шт.

6

G102711

RETAINER COLLAR,19.3 mm ID x 32.97 mm OD

O ring

1шт.

7

G34463

SPRING

centering, spool

1шт.

8

G33075

RETAINER,12.2mm ID, 27.9mm OD

SEAT centering spring

2шт.

9

G33077

SNAP RING,#47, Ext

Ring, Snap, , spool end #47, Ext

1шт.

10

P0033080G

SCREW

centering spring

1шт.

11

G33081

VALVE POPPET

POPPET load check valve

2шт.

12

G33573

SPRING

load check valve

2шт.

13

G33084

PLUG

load check valve

2шт.

14

G33686

O-RING,0.07" Thk x 0.61" ID

O RING plug

2шт.

G33122

PLUG,ORB

ASSEMBLY, circuit relief valve port, Includes: Ref. 15 - 18

2шт.

15

NSS

NOT SOLD SEPARAT

PLUG circuit relief valve port

1шт.

16

G107675

O-RING,0.07" Thk x 0.739" ID, -18, Cl 6, 90 Duro

O RING plug, small

1шт.

17

218-5008

O-RING,0.116" Thk x 0.924" ID, -912, Cl 6, 90 Duro

O RING plug, large

1шт.

18

G35540

BACK-UP RING,19.43mm ID x 22.23mm OD x 1.32mm Thk

backup, O ring

1шт.

Выбрано товаров: 19