Запчасти Case 580E (432) - BACKHOE CONTROL VALVE, BOOM SECTION (08) - HYDRAULICS

Схема запчастей Case 580E - (432) - BACKHOE CONTROL VALVE, BOOM SECTION (08) - HYDRAULICS
11
47
34
35
23
58
12
19
57
16
11
2
21
43
33
32
12
56
41
17
59
49
15
1
24
39
46
18
27
22
11
30
26
14
7
45
55
51
25
37
29
4
52
8
10
36
50
13
44
10
12
48
9
7
54
61
3
6
5
31
3
42
60
53
40
13
10
13
28
38
20
FIT
1:1
100%

Артикул

Название

Примечание

Количество

G104997

VALVE

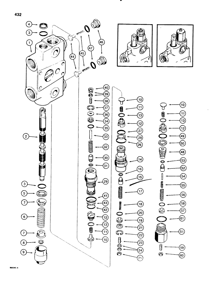
SECTION ASSEMBLY, boom, with round retainer and snap ring at outer end of circuit relief cap, no longer available, order G109517 section on Figure 438, Includes: Ref. 1 - 61

1шт.

1

NSS

NOT SOLD SEPARAT

BODY section

1шт.

2

NSS

NOT SOLD SEPARAT

SPOOL boom section

1шт.

3

G108461

O-RING

O RING body

2шт.

4

A32309

SEAL,18.8mm ID x 25.5mm OD x 3.1mm Thk

spool

1шт.

5

G102711

RETAINER COLLAR,19.3 mm ID x 32.97 mm OD

O ring

1шт.

6

G34463

SPRING

centering, spool

1шт.

7

G33075

RETAINER,12.2mm ID, 27.9mm OD

SEAT centering spring

2шт.

8

G33077

SNAP RING,#47, Ext

Ring, Snap, #47, Ext

1шт.

9

G33080

CAP

centering spring

1шт.

10

G33081

VALVE POPPET

POPPET load check valve

2шт.

11

G33573

SPRING

load check valve

2шт.

12

G33084

PLUG

load check valve

2шт.

13

G33686

O-RING,0.07" Thk x 0.61" ID

O RING plug

2шт.

G34672

VALVE

CIRCUIT RELIEF VALVE ASSEMBLY, lower, with round retainer and snap ring at outer of circuit relief cap, used in production, no longer available, replaced by G109445 valve in production, order G109449 kit for service, Includes: Ref. 14 - 28

1шт.

The pressure setting of the repair circuit relief valve is not preset for this application. Adjust the setting according to the instructions sent with the repair valve.

1шт.

14

NSS

NOT SOLD SEPARAT

BODY circuit relief valve

1шт.

15

NSS

NOT SOLD SEPARAT

POPPET circuit relief valve

1шт.

16

A28090

O-RING,0.301" ID x 0.441" OD x 0.07"

-011, 70 Duro, .301" ID x .070" Thk - Poppet

1шт.

17

G105693

VALVE SPRING

SPRING circuit relief valve, outer

1шт.

18

G34659

SPRING

circuit relief valve, inner

1шт.

19

G33091

PISTON

circuit relief valve

1шт.

20

G102845

O-RING,0.07" Thk x 0.489" ID, -14, Cl 6, 90 Duro

O RING piston

1шт.

21

G33092

RETAINER

circuit relief valve

1шт.

22

G46150

SNAP RING,0.75", Int, #75

Ring, Snap, , circuit relief valve 0.75", Int, #75

1шт.

23

G102782

SET SCREW,1/4" - 20 x 1"

set, piston, 1/4" - 20 NC x 1"

1шт.

24

G102781

WASHER

special, if used

2шт.

25

129-141

JAM NUT,Jam, 1/4"-20, G5

1шт.

26

218-5008

O-RING,0.116" Thk x 0.924" ID, -912, Cl 6, 90 Duro

O RING large

1шт.

27

G107675

O-RING,0.07" Thk x 0.739" ID, -18, Cl 6, 90 Duro

O RING small

1шт.

28

G35540

BACK-UP RING,19.43mm ID x 22.23mm OD x 1.32mm Thk

backup, O ring, if used

1шт.

G109449

KIT

service for G34672, includes G109447 relief valve assembly, Ref. 14 - 28, and an instruction sheet

1шт.

The pressure setting of the repair circuit relief valve is not preset for this application. Adjust the setting according to the instructions sent with the repair valve.

1шт.

G104997

VALVE

SECTION ASSEMBLY, boom

1шт.

G103396

VALVE

CIRCUIT RELIEF VALVE ASSEMBLY, upper, with round retainer and snap ring at outer end of circuit relief cap, used in production, no longer available, Replaced by G109441 valve in production, See Figure 438, order G109448 kit for service

1шт.

Includes: Ref. 29 - 43

1шт.

The pressure setting of the repair circuit relief valve is not preset for this application. Adjust the setting according to the instructions sent with the repair valve.

1шт.

29

NSS

NOT SOLD SEPARAT

BODY circuit relief valve

1шт.

30

NSS

NOT SOLD SEPARAT

POPPET circuit relief valve

1шт.

31

A28090

O-RING,0.301" ID x 0.441" OD x 0.07"

-011, 70 Duro, .301" ID x .070" Thk - Poppet

1шт.

32

G105693

VALVE SPRING

SPRING circuit relief valve

1шт.

33

G33241

PIN

circuit relief valve

1шт.

34

G33091

PISTON

circuit relief valve

1шт.

35

G102845

O-RING,0.07" Thk x 0.489" ID, -14, Cl 6, 90 Duro

O RING piston

1шт.

36

G33092

RETAINER

circuit relief valve

1шт.

37

G46150

SNAP RING,0.75", Int, #75

Ring, Snap, , circuit relief valve 0.75", Int, #75

1шт.

38

G102782

SET SCREW,1/4" - 20 x 1"

set, piston, 1/4" - 20 NC x 1"

1шт.

39

G102781

WASHER

special, if used

2шт.

40

129-141

JAM NUT,Jam, 1/4"-20, G5

1шт.

41

218-5008

O-RING,0.116" Thk x 0.924" ID, -912, Cl 6, 90 Duro

O RING large

1шт.

42

G107675

O-RING,0.07" Thk x 0.739" ID, -18, Cl 6, 90 Duro

O RING small

1шт.

43

G35540

BACK-UP RING,19.43mm ID x 22.23mm OD x 1.32mm Thk

backup, O ring, if used

1шт.

44

G34938

VALVE POPPET,6.55mm ID x 17.48mm OD x 17.02mm L

POPPET anticavitation valve

2шт.

45

G34458

SPRING,Compression, 5.08mm OD x 27.56mm L

anticavitation valve

2шт.

46

G34937

PLUG

anticavitation valve

2шт.

47

237-6010

O-RING,0.097" Thk x 0.755" ID, -910, Cl 6, 90 Duro

O RING plug

2шт.

G109448

KIT

service for G103396, includes G109446 relief valve assembly, Ref, 29 - 47, and an instruction sheet

1шт.

G104997

VALVE

SECTION ASSEMBLY boom

1шт.

G109445

CIRCUIT RELIEF VALVE ASSEMBLY, lower, one piece cap, Replaces G34672 valve in production, order G109449 kit for service, Includes: Ref. 48 - 61

1шт.

The pressure setting of the repair circuit relief valve is not preset for this application. Adjust the setting according to the instructions sent with the repair valve.

1шт.

48

NSS

NOT SOLD SEPARAT

SEAT circuit relief valve

1шт.

49

G107675

O-RING,0.07" Thk x 0.739" ID, -18, Cl 6, 90 Duro

O RING small, seat

1шт.

50

G35540

BACK-UP RING,19.43mm ID x 22.23mm OD x 1.32mm Thk

backup, small O ring, seat

1шт.

51

NSS

NOT SOLD SEPARAT

BODY circuit relief valve

1шт.

52

NSS

NOT SOLD SEPARAT

POPPET circuit relief valve

1шт.

53

NSS

NOT SOLD SEPARAT

O RING poppet

1шт.

54

NSS

NOT SOLD SEPARAT

PIN relief stop

1шт.

55

NSS

NOT SOLD SEPARAT

SPRING circuit relief valve, inner

1шт.

56

NSS

NOT SOLD SEPARAT

SPRING circuit relief valve, outer

1шт.

57

NSS

NOT SOLD SEPARAT

PISTON circuit relief valve

1шт.

58

NSS

NOT SOLD SEPARAT

O RING piston

1шт.

59

178-890

SET SCREW,Hex Soc, 5/16"-24 x 1"

SCREW set, hex socket headless, oval point, plated, 5/16" - 24 NF x 1"

1шт.

60

86637933

JAM NUT,5/16" - 24, Gr 5

1шт.

61

218-5008

O-RING,0.116" Thk x 0.924" ID, -912, Cl 6, 90 Duro

O RING large, body

1шт.

G109449

KIT

service for G109445, includes G109447 relief valve assembly, Ref. 48 - 61, and an instruction sheet

1шт.

The pressure setting of the repair circuit relief valve is not preset for this application. Adjust the setting according to the instructions sent with the repair valve.

1шт.

Выбрано товаров: 76