Запчасти Case 580E (052) - CYLINDER BLOCK, 4T-390 DIESEL ENGINE, BLOCK HEATER (02) - ENGINE

Схема запчастей Case 580E - (052) - CYLINDER BLOCK, 4T-390 DIESEL ENGINE, BLOCK HEATER (02) - ENGINE
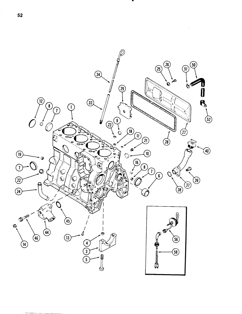
1
11
46
27
3
8
5
16
22
52
28
18
12
29
21
23
33
39
7
7
13
37
24
9
40
51
44
34
56
25
4
14
45
7
6
38
58
50
8
26
19
10
FIT
1:1
100%

Артикул

Название

Примечание

Количество

1

JR905378

BLOCK

BLOCK ASSEMBLY, short, engine remanufactured, North America only, Service only

1шт.

1

JC905378

CORE-ENGINE

Return Part Number, Use this Number when returning Short Block Assembly

1шт.

.

for credit, includes J905813 hardware kit

1шт.

1

J905378

SKELETON ENGINE

BLOCK ASSEMBLY, short, engine, Includes stripped block, pistons, connecting rods and bearings, crankshaft and bearings, includes

1шт.

.

J905813 kit, Includes: Ref. 1 - 21

1шт.

1

1989092C3R

REMAN-BASIC ENGINE

Reman for New PN J905378

1шт.

1

1989092C3C

CORE-BASIC ENGINE

Return Part Number

1шт.

1

J905376

CRANKCASE

BLOCK ASSEMBLY, stripped, engine, Order J905813 hardware kit

1шт.

3

J900967

BEARING CAP

CAP main bearing

5шт.

4

J900068

BEARING WASHER

DOWEL ring, bearing cap

10шт.

5

J904217

BOLT,Hex, M14 x 2 x 119mm, Cl 12.9

BOLT bearing cap

10шт.

6

REF

INSTRUCTION

BUSHING camshaft front, See Figure 48

1шт.

7

J900965

PLUG

PLUG expansion, 58.1 mm OD

4шт.

8

J900956

PLUG

PLUG expansion, 17.9 mm OD

3шт.

9

J900957

PLUG

PLUG expansion, 25.7 mm OD

2шт.

J905813

PACKAGE, REPAIR

KIT hardware, block, engine

1шт.

10

J900958

PLUG

PLUG expansion, 32 mm OD

2шт.

11

J900955

PLUG

PLUG expansion, 9.8 mm OD

1шт.

12

J900687

PLUG

PLUG expansion, Welch, 60.3 mm OD

1шт.

13

J901020

NOZZLE CAP

NOZZLE piston cooling

4шт.

14

A77429

PLUG

PLUG hex socket head pipe, 1/2 inch PT

2шт.

16

J900257

PIN,10.01mm OD x 16mm L

PIN dowel, 16 mm long

2шт.

18

J902343

DOWEL

DOWEL ring, 16 mm OD

2шт.

19

J900068

BEARING WASHER

RING dowel, 18 mm OD

2шт.

21

J906619

PLUG,1/8" - 27

PLUG hex head, 1/8 inch PT

2шт.

22

A77439

PLUG

PLUG expansion, 0.886 mm OD

1шт.

24

J903744

PIPE FITTING,22.42 mm ID x 28 mm OD x 90.2, 64 mm L

TUBE turbocharger oil drain

1шт.

25

J900267

SEAL

SEAL ASSEMBLY, cover bolt

2шт.

26

813-8020

BOLT,Hex, M8 x 1.25 x 20mm, Cl 8.8, Full Thd

BOLT, Hex, M8 x 20, 8.8, Full Thd

2шт.

26

J900629

FLANGE BOLT,Hvy Hex, M8 x 16mm, Cl 8.8

BOLT, , cover Hex Flg, M8 x 16, 8.8, Full Thd

2шт.

27

J905023

COVER

COVER tappet

1шт.

This does not include the baffle, Ref. 29.

1шт.

28

J904056

GASKET

GASKET tappet cover

1шт.

29

NSS

NOT SOLD SEPARAT

BAFFLE tappet cover, Order Cover J905023

1шт.

.

Reference No. J907586

1шт.

This is P/N J907586.

1шт.

33

J905779

TUBE,9.52 mm OD x 228 mm L

TUBE dipstick

1шт.

34

J905781

DIPSTICK

DIPSTICK oil level gauge

1шт.

37

J905440

TUBE

TUBE oil fill

1шт.

38

J906704

O-RING

O RING sealing

1шт.

39

J901249

FLANGE BOLT,Hvy Hex, M12 x 25mm, Cl 10.9

BOLT hex flange head, M12 x 25 mm

2шт.

40

A77424

FILLER CAP

CAP oil fill tube

1шт.

44

J903102

CONNECTION

CONNECTION water inlet

1шт.

45

J901467

O-RING,Square, 5.16mm Thk x 50.17mm ID

O RING sealing, 50 mm ID

1шт.

46

J901757

FLANGE BOLT,Hex, M10 x 75mm, Cl 10.9

BOLT hex flange head, M10 x 75 mm

3шт.

50

J906593

HOSE

Breather

1шт.

51

J904230

CLAMP,25.4mm

CLAMP spring, hose

1шт.

52

A77531

CLIP

CLIP hose

1шт.

55

A77489

KIT

KIT, heater, engine coolant, Includes: Ref. 56 - 58

1шт.

The O ring seal for this is P/N J910517.

1шт.

56

NSS

NOT SOLD SEPARAT

ELEMENT engine heater, Reference No. J903645

1шт.

58

J905113

CABLE

CABLE engine block heater

1шт.

Выбрано товаров: 52