Запчасти Case 580SE (522) - BACKHOE MOUNTING FRAME AND STABILIZERS (09) - CHASSIS/ATTACHMENTS

Схема запчастей Case 580SE - (522) - BACKHOE MOUNTING FRAME AND STABILIZERS (09) - CHASSIS/ATTACHMENTS
31
7
37
12
5
40
42
8
2
17
43
1
44
26
29
11b
32
20
22
30
24
19
10
34
36
35
11b
33
28
3
9
14
6
27
16
25
11a
11
15
41
21
4
10
2
13
38
23
18
39
FIT
1:1
100%

Артикул

Название

Примечание

Количество

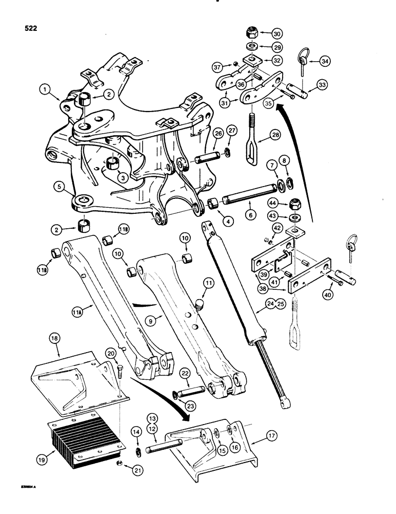
1

D93335

FRAME

backhoe mounting

1шт.

2

D90722

BUSHING,57.38mm ID x 76.2mm OD x 43mm L

swing tower mounting, upper and lower

2шт.

3

D60159

BUSHING,60.55mm ID x 69.85mm OD x 38.1mm L

swing cylinder plate

2шт.

4

D37495

BUSHING,44.76mm ID x 57.15mm OD x 31.75mm L

stabilizers

4шт.

5

D73848

WASHER,60mm ID x 120mm OD x 4mm L

bearing, Serial Range: welds-frame

1шт.

6

D89838

PIN,44.45mm OD x 320mm L

stabilizer leg to mounting frame

2шт.

7

195-2152

WASHER,1 13/16" x 2 1/2" x .109"

flat, 1-3/4" bolt size, 1-13/16" ID x 2-1/2" OD x 1/8" thick, used as a spacer

4шт.

8

D25280

SNAP RING,#175, Ext

Ring, Snap, , P/N D89838 pin #175, Ext

4шт.

9

D94215

STABILIZER

LEG stabilizer, no longer used, order P/N D133428 stabilizer leg

2шт.

10

D50146

BUSHING,44.68mm ID x 57.15mm OD x 38.1mm L

leg to frame

2шт.

11

D120450

PLUG

leg

4шт.

11a

D133428

STABILIZER

LEG stabilizer, without plugs

2шт.

11b

D50146

BUSHING,44.68mm ID x 57.15mm OD x 38.1mm L

leg to frame

2шт.

12

D28648

PIN,1.5" OD x 10 7/16" L

P/N D88427 stabilizer, Serial Range: plate-leg

2шт.

13

D50696

PIN,38.1mm OD x 225.55mm L

P/N D61376 stabilizer, Serial Range: plate-leg

2шт.

14

D25279

SNAP RING,M35, Int

RING snap, pin retaining

4шт.

15

D28610

WASHER,38.5mm ID x 63.5mm OD x 2.66mm Thk

shim, 2-1/2" (63.5 mm) OD x 7/64" (3 mm) thick

1шт.

16

D31312

WASHER

shim, 2-3/4" (70 mm) OD x 1/16" (1.6 mm) thick

1шт.

17

D88427

PLATE

stabilizer, cleated, if used

2шт.

18

D61376

STABILIZER

PLATE stabilizer, street or cemetery pad, if used, uses P/N D61368 pad

2шт.

19

D61368

PAD

Rubber, P/N D61376 stabilizer plate, if used, also, P/N D142314 may be used, 4-1/2" x 12" flip pad, used with P/N D143474 plate

2шт.

20

113-713

BOLT,Hex, 3/4" - 10 x 1-3/4", Gr 5

8шт.

21

129-108

NUT,3/4"-10, G5

8шт.

22

D26002

PIN,38.1mm OD x 187.32mm L

stabilizer, Serial Range: cylinder-leg

2шт.

23

D25279

SNAP RING,M35, Int

RING snap, pin retaining

4шт.

24

REF

INSTRUCTION

CYLINDER stabilizer, right hand, See Figure 466

1шт.

25

REF

INSTRUCTION

CYLINDER stabilizer, left hand, See Figure 466, not shown

1шт.

26

D32930

PIN,38.1mm OD x 127mm L

stabilizer, Serial Range: cylinder-frame

2шт.

27

D25279

SNAP RING,M35, Int

RING snap, pin retaining

4шт.

28

D123960

ROD

tension

2шт.

29

D64968

WASHER

hardened, 1-1/4", used with Ref. 31, if used

2шт.

30

131-454

LOCK NUT,1 1/4"-7

NUT hex, self locking, 1-1/4" - 7 NC, 1.6" long, used with Ref. 31, if used

2шт.

31

D120162

TRUSS ROD

LINK curved, frame to chassis, no longer available, order P/N D101397 Kit

4шт.

32

D120163

PLATE

link

2шт.

33

D49812

PIN,38.1mm OD x 137.16mm L

link

4шт.

34

D33805

PIN

self locking

8шт.

35

113-203

BOLT,Hex, 3/8" - 16 x 3-1/2", Gr 5

Used with Ref. 31, if used Hex, 3/8"-16 x 3 1/2", G5

2шт.

D101397

KIT

backhoe mounting link, must order two kits when servicing both sides of backhoe frame

1шт.

36

D94121

BUSHING

SPACER link

1шт.

37

129-103

NUT,Hex, 3/8" - 16, Gr 5

NUT, 3/8"-16, G5

2шт.

38

D123569

LINK

flat bar type, Serial Range: frame-chassis

2шт.

39

D124421

CLIP,ELECTRICAL

RETAINER links, used with Ref. 38

1шт.

40

113-267

BOLT,Hex, 3/8" - 16 x 4", Gr 5

2шт.

41

D64745

SPACER

link, used with Ref. 38

1шт.

42

192-21

LOCK WASHER,3/8"

WASHER, LOCK, 3/8"

2шт.

44

131-479

LOCK NUT,1 1/4"-7

NUT hex, self locking, 1-1/4" - 7 NC, used with Ref. 38

1шт.

Выбрано товаров: 46