Запчасти Case 580SE (540) - EXTENDABLE DIPPER (09) - CHASSIS/ATTACHMENTS

Схема запчастей Case 580SE - (540) - EXTENDABLE DIPPER (09) - CHASSIS/ATTACHMENTS
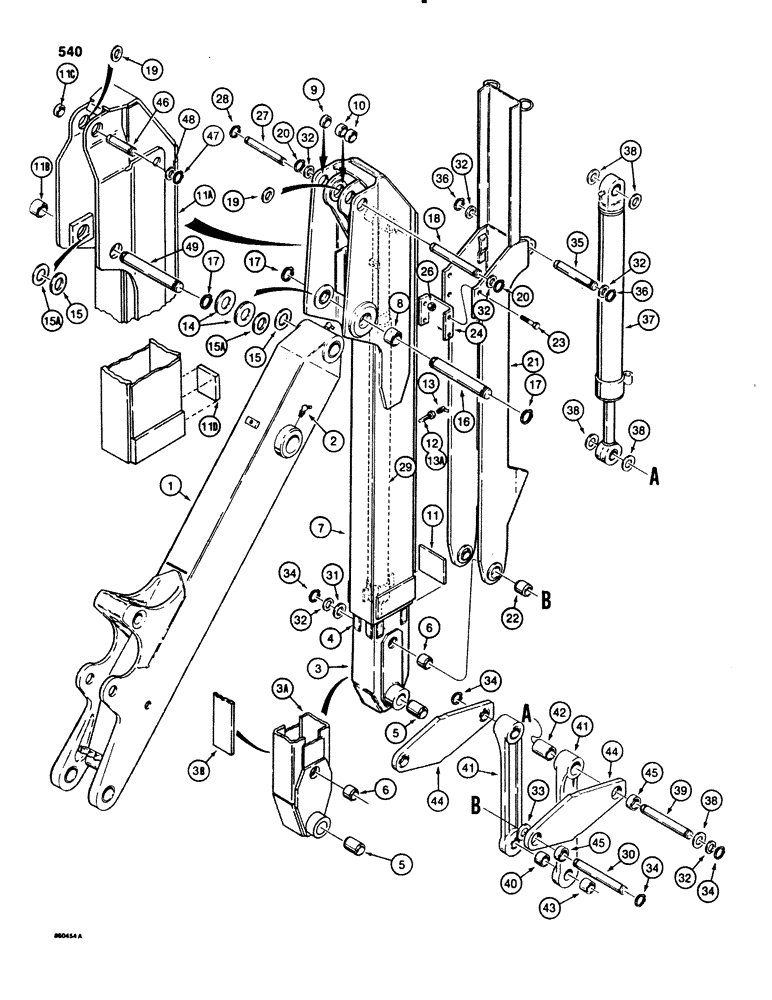
8
34
21
32
46
32
5
15
9
32
47
13
11
23
33
11a
28
34
17
15a
5
6
38
11b
10
24
36
22
18
14
12
39
26
7
18
49
11d
20
34
3a
38
44
27
45
44
16
1
32
45
30
32
34
11c
15
48
3b
19
15a
3
36
2
20
32
17
31
4
6
13a
43
35
38
42
41
17
37
29
40
41
38
FIT
1:1
100%

Артикул

Название

Примечание

Количество

1

REF

INSTRUCTION

BOOM backhoe, See Figure 530

1шт.

2

219-89

LUBE NIPPLE,45 Degree Elbow, 1/8" NPTF

FITTING grease, self tapping, 1/8" pipe, 45°

2шт.

3

D55727

ARM

DIPPER ASSEMBLY, extension, inner, used with P/N D73826 dipper housing, Ref. 7 - 11, if used, Includes: Ref. 3B - 6

1шт.

Inner dipper extension assemblies are not interchangeable. D55727, Ref. 3, inner dipper extension assembly must be used with D73826, Ref. 7, outer dipper housing assembly. Either D55727, Ref. 3, or D133021, Ref. 3A, inner dipper extension assembly can be used with D133096 or D133421, Ref. 7 or 11A, outer dipper housing assembly. D73826 dipper housing has weld flash on center at bottom inside of housing., Includes: Ref. 3B-6

1шт.

3a

D133021

ARM

DIPPER ASSEMBLY, extension, inner, used with P/N D133096 or D133421 dipper housing Ref. 7 - 11 or 11A - 11D, if used

1шт.

Inner dipper extension assemblies are not interchangeable. D55727, Ref. 3, inner dipper extension assembly must be used with D73826, Ref. 7, outer dipper housing assembly. Either D55727, Ref. 3, or D133021, Ref. 3A, inner dipper extension assembly can be used with D133096 or D133421, Ref. 7 or 11A, outer dipper housing assembly. D73826 dipper housing has weld flash on center at bottom inside of housing., Includes: Ref. 3B-6

1шт.

3b

D133010

PLATE

wear, 6' (1830 mm) long, P/N D133021 dipper only

1шт.

4

D55688

STRIP

wear, dipper slide, steel, P/N D55727 dipper only

8шт.

5

D50146

BUSHING,44.68mm ID x 57.15mm OD x 38.1mm L

at bucket, P/N D55727 or D133021 dipper

2шт.

Bottom of the extendable dipper, The Weldment boss that that fits into is D133012. The plate is part no. D133014 and the smaller upper boss is part no. D133013.

1шт.

6

D37443

BUSHING,44.68mm ID x 57.15mm OD x 50.8mm L

at bucket link, P/N D55727 or D133021 dipper

2шт.

D73826

COVER

HOUSING ASSEMBLY, dipper, backhoe, no longer used, order P/N D133096 dipper housing, P/N D37611 pin, P/N D45034 pin, and, 4, P/N D127471 spacers, Includes: Ref. 7 - 11

1шт.

D133096

DIPPER

HOUSING ASSEMBLY, dipper, backhoe, service replacement, Includes: Ref. 7 - 11

1шт.

Inner dipper extension assemblies are not interchangeable. D55727, Ref. 3, inner dipper extension assembly must be used with D73826, Ref. 7, outer dipper housing assembly. Either D55727, Ref. 3, or D133021, Ref. 3A, inner dipper extension assembly can be used with D133096 or D133421, Ref. 7 or 11A, outer dipper housing assembly. D73826 dipper housing has weld flash on center at bottom inside of housing., Includes: Ref. 3B-6

1шт.

7

NSS

NOT SOLD SEPARAT

HOUSING dipper

1шт.

8

D30756

BUSHING,51.02mm ID x 63.5mm OD x 31.8mm L

at boom

2шт.

9

D34340

BUSHING,44.68mm ID x 53.98mm OD x 25.4mm L

at dipper cylinder, left hand side plate, if used

1шт.

10

D46405

BUSHING,44.68mm ID x 53.98mm OD x 19.05mm L

dipper cylinder, inner plate

2шт.

11

D61708

BLOCK

stop

1шт.

D133421

SLIDE

HOUSING ASSEMBLY, dipper, backhoe, Includes: Ref. 11A - 11D

1шт.

Inner dipper extension assemblies are not interchangeable. D55727, Ref. 3, inner dipper extension assembly must be used with D73826, Ref. 7, outer dipper housing assembly. Either D55727, Ref. 3, or D133021, Ref. 3A, inner dipper extension assembly can be used with D133096 or D133421, Ref. 7 or 11A, outer dipper housing assembly. D73826 dipper housing has weld flash on center at bottom inside of housing., Includes: Ref. 3B-6

1шт.

Does not require P/N D127471 spacers at dipper housing to boom mounting hole location, used in prodution on some models, not available, for service order P/N D133096 dipper housing, P/N D37611 pin, P/N D45034 pin, 4, P/N D127471 spacers, and P/N D55727 inner dipper

1шт.

11a

NSS

NOT SOLD SEPARAT

HOUSING dipper

1шт.

11b

D30756

BUSHING,51.02mm ID x 63.5mm OD x 31.8mm L

at boom

2шт.

11c

D46405

BUSHING,44.68mm ID x 53.98mm OD x 19.05mm L

at dipper cylinder

2шт.

11d

D61708

BLOCK

stop

1шт.

12

D134699

NOZZLE CAP

NOZZLE extension, grease fitting, for 1/4" diameter hole, used with Ref. 13 to lubricate dipper slide, P/N D133421 or D133096 dipper housing, also order P/N 9-72236 instruction sheet

1шт.

13

219-89

LUBE NIPPLE,45 Degree Elbow, 1/8" NPTF

FITTING grease, 1/8" pipe, self tapping, 45°, used with Ref. 12 or 13A to lubricate dipper slide

1шт.

13a

219-107

NOZZLE CAP

NOZZLE extension, grease fitting, for 1/2" diameter hole, used with Ref. 13 to lubricate dipper slide, P/N D73826 dipper housing

1шт.

14

D127471

SPACER

dipper housing to boom, 5/16" (8 mm) thick

4шт.

15

D44813

SHIM,53.34mm ID x 76.2mm OD x 0.89mm Thk

Spacer (.78 mm) .035" Thk

1шт.

15a

195-2155

WASHER,2 1/16" x 3" x .109"

flat, 2" bolt size, 2-1/16" ID x 3" O.D. x 1/8" thick, between boom and dipper

1шт.

16

D45034

PIN

2" O.D. x 11-3/4" long, dipper, Serial Range: housing-boom

1шт.

17

D26919

SNAP RING,#200, Ext

Ring, Snap, , pin #200, Ext

2шт.

18

D37611

PIVOT PIN,44.45mm OD x 255.59mm L

PIN, 1-3/4" O.D. x 10-1/16" long, dipper cylinder to dipper housing

1шт.

19

195-2152

WASHER,1 13/16" x 2 1/2" x .109"

flat, 1-3/4" bolt size, 1-13/16" ID x 2-1/2" O.D. x 1/8" thick, side of cylinder eye

2шт.

20

D25280

SNAP RING,#175, Ext

Ring, Snap, , pin #175, Ext

2шт.

21

D124163

ARM

EXTENSION ASSEMBLY, dipper, Includes: Ref. 23

1шт.

22

D43940

BUSHING,44.68mm ID x 57.15mm OD x 25.4mm L

bucket link pin

2шт.

23

26-832

BOLT,Hex, 1/2" - 13 x 2", Gr 8

hex head, 1/2" - 13 NC x 2", grade 8, Replaces bolt with lock washer and hex nut used on some models

4шт.

24

D61701

BRACE

PLATE guide

1шт.

25

RESERVED

1шт.

26

131-72

LOCK NUT,1/2"-13

NUT hex, self locking, 1/2" - 13 NC, plated, Replaces lock washer and hex nut used on some models

4шт.

27

D44882

PIN,38.1mm OD x 203.2mm L

extension, Serial Range: cylinder-housing

1шт.

28

D25279

SNAP RING,M35, Int

RING ring, pin retaining

2шт.

29

G101183

CYLINDER

dipper extension, See Figure 480

1шт.

30

D53818

PIN,44.45mm OD x 278.89mm L

dipper, and dipper extension to bucket links

1шт.

31

195-2152

WASHER,1 13/16" x 2 1/2" x .109"

flat, 1-3/4" bolt size, 1-13/16" ID x 2-1/2" O.D. x 1/8" thick, bucket link to extension

1шт.

32

51200255

SEALING WASHER,45.77mm ID x 62.18mm OD x 1.59mm Thk

WASHER spacer, 1/16" (1.6 mm) thick

1шт.

33

D77725

WASHER

spacer, 5/16" (7.9 mm) thick

2шт.

34

D25280

SNAP RING,#175, Ext

Ring, Snap, , pin #175, Ext

4шт.

35

D38907

PIN,1.75" OD x 5 5/16 L

bucket cylinder to dipper extension

1шт.

36

D25280

SNAP RING,#175, Ext

Ring, Snap, , pin #175, Ext

2шт.

37

REF

INSTRUCTION

CYLINDER bucket, See Figure 474

1шт.

38

195-2152

WASHER,1 13/16" x 2 1/2" x .109"

flat, 1-3/4" bolt size, 1-13/16" ID x 2-1/2" O.D. x 1/8" thick, bucket cylinder to links

1шт.

39

D53818

PIN,44.45mm OD x 278.89mm L

bucket cylinder

1шт.

40

D93227

BUSHING

SPACER bucket link

1шт.

41

D126492

LINK

bucket cylinder to bucket, Includes: Ref. 42 - 43

2шт.

42

D121845

BUSHING,44.68mm ID x 57.15mm OD x 70mm L

at cylinder

1шт.

43

D30933

BUSHING,38.41mm ID x 47.63mm OD x 31.75mm L

at bucket

1шт.

44

D89620

LINK

bucket cylinder to dipper, Includes: Ref. 45

2шт.

45

D46405

BUSHING,44.68mm ID x 53.98mm OD x 19.05mm L

link

2шт.

46

D121564

PIN

1-3/4" OD x 4-7/8" long, dipper cylinder to dipper housing, used with P/N D133421 housing only

1шт.

47

195-2152

WASHER,1 13/16" x 2 1/2" x .109"

flat, 1-3/4" bolt size, 1-13/16" ID x 2-1/2" O.D. x 1/8" thick

2шт.

48

D25280

SNAP RING,#175, Ext

Ring, Snap, , pin #175, Ext

2шт.

49

D42911

PIN

2" O.D. x 10-1/2" long, dipper housing to boom, used with P/N D133421 housing only

1шт.

Выбрано товаров: 66