Запчасти Case 580SE (634) - CAB FRONT WINDSHIELD WIPER, AMERICAN BOSCH PARTS (09) - CHASSIS/ATTACHMENTS

Схема запчастей Case 580SE - (634) - CAB FRONT WINDSHIELD WIPER, AMERICAN BOSCH PARTS (09) - CHASSIS/ATTACHMENTS
6
15
17
24
19
3
14
10
1
8
13
22
11
7
20
2
18
8
25
9
21
26
28
23
27
9
4
5
16
12
FIT
1:1
100%

Артикул

Название

Примечание

Количество

F96898

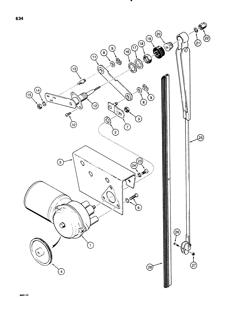
WIPER

MOTOR AND BRACKET ASSEMBLY, complete, front windshield wiper, 12 volt, you willl receive American Bosch assembly, see below, or Robert Bosch assembly, See Figure 636, Includes: Ref. 1 - 22 and P/N F96765 and P/N N6714

1шт.

F96765

WIPER MOTOR

MOTOR ASSEMBLY, windshield wiper, American Bosch, front or rear, Includes: Ref. 1 - 4

1шт.

1

NSS

NOT SOLD SEPARAT

MOTOR windshield wiper

1шт.

2

D71411

WASHER

wave

1шт.

3

F44452

LOCK NUT

hex, lock, plated, 1/4" - 28 NF

1шт.

4

N6029

GEAR

plastic drive

1шт.

5

D72850

BRACKET

mounting, motor

1шт.

6

D72849

SCREW

AND WASHER, Serial Range: bracket-motor

3шт.

7

A36091

ARM

drive

1шт.

8

A22431

WASHER

spacer

2шт.

9

D71414

CLIP

spring

2шт.

10

F44456

SCREW,0.19" - 32 x 3 3/4"

pivot, Serial Range: shaft-bracket

2шт.

11

D71427

LINK,85.85mm L

drive arm to pivot shaft; Includes Two Nylon Bushings NSS

1шт.

N6714

SHAFT

ASSEMBLY, pivot, Includes: Ref. 12 - 22

1шт.

12

NSS

NOT SOLD SEPARAT

SHAFT pivot

1шт.

13

D73642

PIN

special

1шт.

14

193-60

LOCK WASHER,Int Tooth, 1/4"

WASHER, LOCK, Int Tooth, 1/4"

1шт.

15

425-154

JAM NUT,Jam, 1/4"-28, G5

1шт.

16

N6749

WASHER

fiber

1шт.

17

N6750

WASHER

steel

1шт.

18

N6751

NUT

shaft

1шт.

19

N6752

CAP

shaft, rubber

1шт.

20

N6753

BLOCK DRIVER

DRIVER knurled

1шт.

21

193-68

LOCK WASHER,Int Tooth, 3/8"

WASHER, LOCK, Int Tooth, 3/8"

1шт.

22

N6754

NUT

cap

1шт.

23

182-548

SCREW,Slotted Pan Hd, 1/4"-28 x 3/8"

machine, pan head slotted, plated, 1/4" - 28 NF x 3/8"

2шт.

24

192-19

LOCK WASHER,Helical Spring, 0.256" ID, CST, ZND

WASHER, LOCK, 1/4"

2шт.

25

F44928

WIPER

ARM windshield wiper, 22" (559 mm) long, Includes: Ref. 26 and 27

1шт.

26

182-567

SCREW,Sltd Pan Hd, #5-40 x 1/2"

machine, pan head slotted, plated, No. 5 - 40 NC x 1/2"

1шт.

27

129-14

NUT,#5-40

1шт.

28

F43938

WIPER BLADE

BLADE windshield wiper, 22" (559 mm) long

1шт.

Выбрано товаров: 0