Запчасти Case 580SE (638) - CAB REAR WINDSHIELD WIPER, MODELS W/SHORT WIPER POSITIONING LEVER (ITEM 42), IF USED (09) - CHASSIS/ATTACHMENTS

Схема запчастей Case 580SE - (638) - CAB REAR WINDSHIELD WIPER, MODELS W/SHORT WIPER POSITIONING LEVER (ITEM 42), IF USED (09) - CHASSIS/ATTACHMENTS
36
21
36b
2
25
15
1
28
26
11
30
22
44
27
45
33
29
24
35
20
41
14
23
14
13
31
18
17
36a
43
9
4
45
8
40
37
5
46
6
34
29
44
12
39
38
3
15
19
32
42
10
7
47
FIT
1:1
100%

Артикул

Название

Примечание

Количество

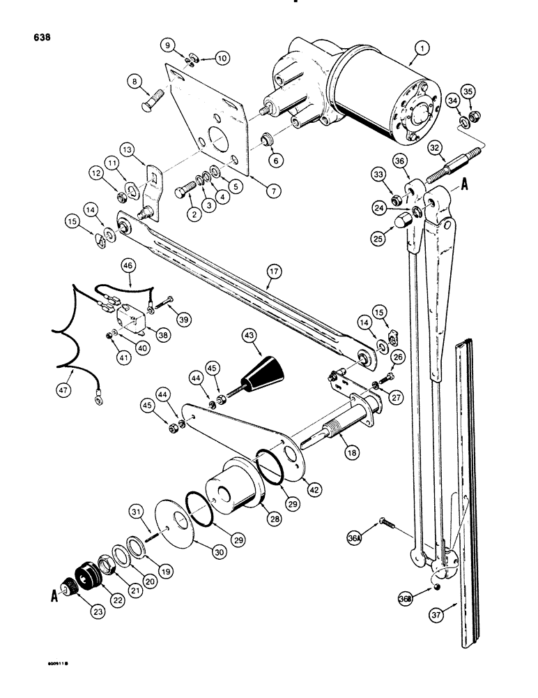
1

F96765

WIPER MOTOR

MOTOR ASSEMBLY, rear windshield wiper, See Figure 634

1шт.

2

114-7

BOLT,Hex, 1/4" - 28 x 7/8", Gr 5, Full Thd

Motor to bracket Hex, 1/4"-28 x 7/8", G5, Full Thd

3шт.

3

192-19

LOCK WASHER,Helical Spring, 0.256" ID, CST, ZND

WASHER, LOCK, 1/4"

3шт.

4

195-521

WASHER,5/16", SAE

flat, plated, 5/16"

3шт.

5

F64384

WASHER

nylon, insulator

3шт.

6

F44834

BUSHING

nylon, motor mounting

3шт.

7

F44686

BRACKET

mounting, windshield wiper motor

1шт.

8

111-203

CARRIAGE BOLT,Short NK, 5/16"-18 x 1", G2

BOLT, CARRIAGE, Short NK, 5/16"-18 x 1", G2, Bracket mounting

2шт.

9

192-20

LOCK WASHER,Helical Spring, 0.318" ID, CST, ZND

WASHER, LOCK, 5/16"

2шт.

10

9635082

NUT,5/16" - 18, Gr 5

2шт.

11

D71411

WASHER

wave, Included with F96765 motor assembly

1шт.

12

F44452

LOCK NUT

hex, lock, plated, 1/4" - 28 NF, Included with F96765 motor assembly

1шт.

13

F64210

LEVER

ARM drive

1шт.

14

A22431

WASHER

spacer, drive arm mounting

2шт.

15

D71414

CLIP

spring

2шт.

16

RESERVED

1шт.

17

F44754

LINK

drive arm to pivot shaft

1шт.

F96719

SHAFT

ASSEMBLY, pivot, Includes: Ref. 18 - 25

1шт.

18

NSS

NOT SOLD SEPARAT

SHAFT pivot

1шт.

19

D71417

SPECIAL WASHER

WASHER fiber

1шт.

20

D71418

WASHER

steel

1шт.

21

D71419

NUT

shaft

1шт.

22

D71420

CAP

shaft

1шт.

23

D71421

TOOL

DRIVER knurled

1шт.

24

193-9

LOCK WASHER,Ext Tooth, 5/16"

WASHER, LOCK, Ext Tooth, 5/16"

1шт.

25

D71422

NUT

cap

1шт.

26

182-528

SCREW,Sl Pan Hd, #10 - 32 x 1/2"

machine, pan head slotted, plated, No. 10 - 32 NF x 1/2"

2шт.

27

192-18

LOCK WASHER,Helical Spring, #10, 0.196" ID, CST, ZND

WASHER, LOCK, #10

2шт.

28

F44821

HOUSING

pivot shaft

1шт.

29

D26819

O-RING,1.299" ID x 1.505" OD

O RING housing

2шт.

30

F44822

WASHER

pivot shaft

1шт.

31

138-52

PIN,1/8" x 7/16", Slotted

1шт.

32

F43960

STUD

arm mounting

1шт.

33

425-154

JAM NUT,Jam, 1/4"-28, G5

1шт.

34

195-513

WASHER,#10

flat, plated, No. 10

1шт.

35

129-642

CROWN NUT,Crown, #10-24

dome, hex, plated, No. 10 - 24 NC

1шт.

36

F44823

WIPER ARM

ARM windshield wiper, 17" (432 mm) long, Includes: Ref. 36A and 36B

1шт.

36a

182-567

SCREW,Sltd Pan Hd, #5-40 x 1/2"

machine, pan head slotted, plated, No. 5 - 40 NC x 1/2", blade attaching

1шт.

36b

129-14

NUT,#5-40

Blade attaching #5-40

1шт.

37

F43574

WIPER BLADE

BLADE windshield wiper, 14" (356 mm) long

1шт.

38

F43348

SWITCH

windshield wiper arm return

1шт.

39

182-575

SCREW,Cross Pan Hd, #4-40 x 3/4"

machine, pan Phillips head, plated, No. 4 - 40 NC x 3/4"

2шт.

40

195-505

WASHER,#4

2шт.

41

131-1409

LOCK NUT,#4-40, GB

NUT, LOCK, #4-40, GB

2шт.

42

F44813

LEVER

windshield wiper position control

1шт.

43

F44877

KNOB

position control lever, windshield wiper

1шт.

44

192-18

LOCK WASHER,Helical Spring, #10, 0.196" ID, CST, ZND

WASHER, LOCK, #10

2шт.

45

129-37

NUT,#10-32

2шт.

46

F43620

ELECTRICAL WIRE

WIRE ground

1шт.

47

F43621

ELECTRICAL WIRE

WIRE, Serial Range: motor-switch

1шт.

48

321-5801

DECAL

Caution, manually position wiper blade in stowed position before lowering window, not shown, See Figure 670

1шт.

Выбрано товаров: 51