Запчасти Case 580SK (7-06) - BRAKE PEDALS AND BRAKE MASTER CYLINDER MOUNTING (07) - BRAKES

Схема запчастей Case 580SK - (7-06) - BRAKE PEDALS AND BRAKE MASTER CYLINDER MOUNTING (07) - BRAKES
13
8
5
5
22
21
24
4
23
15
2
26
14
20
8
3
28
16
4
1
25
11
15
32
16
18
26
26
19
14
14
27
7
31
30
10
14
3
9
29
6
2
6
7
25
17
1
13
17
12
FIT
1:1
100%

Артикул

Название

Примечание

Количество

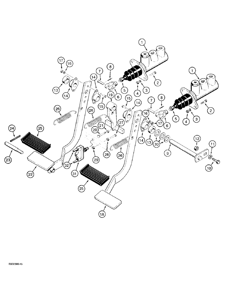
1

D143162

MASTER CYLINDER

CYLINDER ASSEMBLY brake master, parts list Figure 7-10

2шт.

2

413-516

BOLT,Hex, 5/16" - 18 x 1", Gr 5

hex, 5/16 NC x 1 inch

4шт.

3

492-11031

LOCK WASHER,5/16"

WASHER, LOCK, 5/16"

4шт.

4

425-105

NUT,5/16"-18, G5

- hex, 5/16 inch NC

4шт.

5

425-156

JAM NUT,Jam, 3/8"-24, G5

hex, jam, 3/8 inch NF

2шт.

6

D137077

CLEVIS

female, master cylinder

2шт.

7

L26209

PIN,11.07mm OD x 39.75mm L

clevis, 3/8 inch

2шт.

8

432-612

COTTER PIN,3/32" x 3/4"

PIN , SPLIT (COTTER), 3/32" x 3/4"

2шт.

9

D140035

SHAFT,180mm L

Brake pedal

1шт.

10

413-616

BOLT,Hex, 3/8" - 16 x 1", Gr 5

hex, 3/8 NC x 1 inch

1шт.

11

495-11041

WASHER,0.406" ID x 0.812" OD x 0.065" W

flat, (13/32 x 13/16 x 1/16")

1шт.

12

231-1446

NUT,3/8" - 16, Gr 5

NUT hex, self-locking, 3/8 inch NC, grade 8

1шт.

13

D124529

SPACER,19.5mm ID x 35mm OD x 12mm Thk

pedal

2шт.

14

A77310

SUPPORT,0.754" ID x 1.375" OD x 0.81"

pivot, brake pedal

4шт.

15

413-524

BOLT,Hex, 5/16" - 18 x 1-1/2", Gr 5

- hex, 5/16 NC x 1-1/2 inch

4шт.

16

492-11031

LOCK WASHER,5/16"

WASHER, LOCK, 5/16"

4шт.

17

425-105

NUT,5/16"-18, G5

- hex, 5/16 inch NC

4шт.

18

D124521

PEDAL

brake, right-hand

1шт.

19

D124528

LEVER

brake lamp

1шт.

20

121-140

FLANGE BOLT,Elevator, Flat Csk, 5/16" - 18 x 2"

BOLT flat countersunk head, 5/16 NC x 2 inch, grade 2, special, brake switch actuator

1шт.

21

425-105

NUT,5/16"-18, G5

- hex, 5/16 inch NC

1шт.

22

D124522

PEDAL

brake, left-hand

1шт.

23

D124530

PIN,15.85mm OD x 111mm L

pedal lock

1шт.

24

438-12040

LOCK PIN,5/16" x 2 1/2", Slotted

Pin, 5/16" x 2 1/2", Slotted

1шт.

25

F9197

PAD

COVER pedal, rubber

2шт.

26

D120911

SPRING

pedal and lever return, attaches to brake pedal spring rod in firewall frame

3шт.

27

413-524

BOLT,Hex, 5/16" - 18 x 1-1/2", Gr 5

- hex, 5/16 NC x 1-1/2 inch, attaches to brake pedal stop bar in firewall frame

2шт.

28

425-145

JAM NUT,Jam, 5/16"-18, G5

2шт.

29

425-105

NUT,5/16"-18, G5

- hex, 5/16 inch NC

2шт.

30

495-81261

WASHER,13/16" x 1 1/2" x .067", HDN

flat, 13/16 x 1-1/2 x 1/16 inch, use as a shim

1шт.

31

D148108

SWITCH

brake lamp, attaches to front console wiring harness, mounts in brake pedal stop bar in firewall frame

1шт.

32

A187990

TERMINAL CONNECTOR,Tin, 0.254 - 1.520mm

TERMINAL Male

2шт.

Выбрано товаров: 32