Запчасти Case 580SK (9-002) - LOADER LIFT CONTROL (09) - CHASSIS/ATTACHMENTS

Схема запчастей Case 580SK - (9-002) - LOADER LIFT CONTROL (09) - CHASSIS/ATTACHMENTS
19
10
20
2
8
12
14
4
13
7
16
7
21
1
17
6
25
23
11
24
8
14
9
9
15
5
3
24
22
18
22
10
FIT
1:1
100%

Артикул

Название

Примечание

Количество

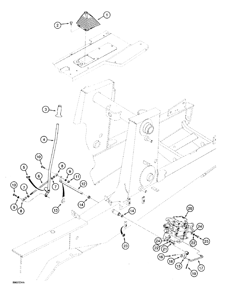
1

D137466

BOOT

control lever, models without clam control lever, see Figure 9-006 for boot used on models with clam control lever

1шт.

2

281-1478

SELF-TAP SCREW,1/4" - 20 x 1/2"

SCREW self-tapping, hex washer head, 1/4 NC x 1/2 inch

4шт.

3

D147443

HANDLE

KNOB lever, loader control, see Figure 4-24 for fast cycle switch and cover

1шт.

4

D149132

LEVER

loader lift and bucket control, see Figure 9-004 for bucket control linkage

1шт.

5

219-36

LUBE NIPPLE,45 Degree Elbow, 1/8" - 27 NPTF

FITTING grease, 45 degree, 1/8 PT x 7/8 inch

1шт.

6

D148005

ROD

lift, loader control

1шт.

7

425-116

NUT,3/8" - 24, Gr 5

- hex, 3/8 inch NF

2шт.

8

D136773

BALL JOINT

JOINT ball, 3/8 inch NF, replaces S108030 ball joint

2шт.

9

492-11038

LOCK WASHER,3/8"

2шт.

10

413-624

BOLT,Hex, 3/8" - 16 x 1-1/2", Gr 5

hex, 3/8 NC x 1-1/2 inch

2шт.

11

425-106

NUT,3/8"-16, Cl 5

1шт.

12

D149802

SHAFT

lift and bucket control, see Figure 9-004, Ref. 18 through Ref. 24 for bucket control pivot and related parts

1шт.

13

D95096

SNAP RING,M15.88 x 1.27mm Thk

5/8 inch, shaft retaining, special, replaces D143591

1шт.

14

D149799

BUSHING

- pivot, chassis right-hand side

2шт.

15

49066

SHIM,.036" Thk

BELLCRANK lift control

1шт.

16

138-136

LOCK PIN,1/4" x 1 1/4", Slotted

PIN, 1/4" x 1 1/4", Slotted

1шт.

17

D148826

PITMAN

ROD lift, bellcrank to lift section

1шт.

18

495-21038

WASHER,5/16"

(flat, 3/8 x 7/8 x 5/64") 5/16"

1шт.

19

432-610

COTTER PIN,3/32" x 5/8"

PIN, SPLIT (COTTER), 3/32" x 5/8"

2шт.

20

1346392C1

VALVE

ASSEMBLY loader control, two spool, see parts list Figure 8-064

1шт.

21

413-620

BOLT,Hex, 3/8" - 16 x 1-1/4", Gr 5

hex, 3/8 NC x 1-1/4 inch

1-3шт.

22

492-11038

LOCK WASHER,3/8"

3шт.

23

84899

SQUARE NUT,Sq, 3/8"-16, G2

square, 3/8 inch NC

3шт.

CAGE NUT WELDED TO FRAME THAT REF 23 GOES INTO IS D88417.

1шт.

24

495-11041

WASHER,0.406" ID x 0.812" OD x 0.065" W

flat, (13/32 x 13/16 x 1/16")

1шт.

25

413-622

BOLT,Hex, 3/8" - 16 x 1-3/8", Gr 5

hex, 3/8 NC x 1-3/8 inch

2шт.

Выбрано товаров: 26