Запчасти Case 580SK (9-076) - THREE-POINT HITCH, FRAME, DRAFT ARMS, LINKAGE AND CYLINDER (09) - CHASSIS/ATTACHMENTS

Схема запчастей Case 580SK - (9-076) - THREE-POINT HITCH, FRAME, DRAFT ARMS, LINKAGE AND CYLINDER (09) - CHASSIS/ATTACHMENTS
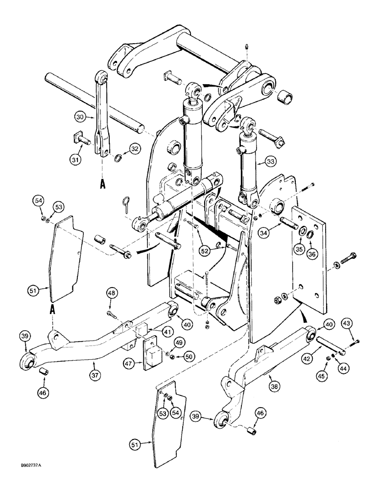
44
30
51
42
45
38
40
48
53
40
46
49
33
41
34
47
39
31
32
43
46
50
52
36
51
53
54
37
39
35
54
FIT
1:1
100%

Артикул

Название

Примечание

Количество

30

D51276

STAND

STRUT stationary

1шт.

31

D51297

PIN

mounting, strut, lower

1шт.

32

D25277

SNAP RING,23.5mm ID x 2.62mm Thk

RING snap, pin retaining

1шт.

33

G101188

JACK BODY

CYLINDER ASSEMBLY tilt, parts list Figure 8-144

1шт.

34

D30609

PIN,25.4mm OD x 95.25mm L

mounting, tilt cylinder, lower

1шт.

35

495-11106

WASHER,1", SAE

flat, 1-1/16 x 2 x 1/8 inch

2шт.

36

D25277

SNAP RING,23.5mm ID x 2.62mm Thk

RING snap, pin retaining

2шт.

37

D149514

ARM

draft, left-hand, includes Ref. 39-41 below

1шт.

38

D149513

ARM

draft, right-hand, Includes: Ref. 39, 40 and 41

1шт.

39

H363424

BALL JOINT

BUSHING - self-aligning, 1-1/8 inch pin size

1шт.

40

D149451

BALL JOINT

BUSHING - self-aligning, 1 inch pin size

1шт.

41

D146073

STOP

BLOCK wear

1шт.

42

D146078

PIN

mounting, draft arm to mounting frame

2шт.

REF 42 - THERE ARE NO BUSHINGS IN THE FRAME WHERE REF 42, D146078 PIN GOES. WELDED BOSSES IN FRAME ARE DESIGNED TO ACCEPT PIN WITH NO BUSHING REQUIRED. PIN DOES NOT PIVOT, THE DRAFT ARM DOES.

1шт.

43

413-640

BOLT,Hex, 3/8" - 16 x 2-1/2", Gr 5

hex, 3/8 NC x 2-1/2 inch

2шт.

44

492-11038

LOCK WASHER,3/8"

2шт.

45

425-106

NUT,3/8"-16, Cl 5

2шт.

46

D140991

BUSHING,22.48mm ID x 28.57mm OD x 44.45mm L

draft arm to equipment, for use with Category I hitch, if used

2шт.

47

D149156

BLOCK

RETAINER sway, draft arm

2шт.

48

413-824

BOLT,Hex, 1/2" - 13 x 1-1/2", Gr 5

4шт.

49

80679

LOCK WASHER,1/20.507 CST ZND

WASHER, LOCK, 1/2"

4шт.

50

425-108

NUT,1/2" - 13, Gr 5

NUT, , Hex 1/2"-13, G5

4шт.

51

D149504

LARGE PLATE

PLATE wear

2шт.

52

413-620

BOLT,Hex, 3/8" - 16 x 1-1/4", Gr 5

hex, 3/8 NC x 1-1/4 inch

4шт.

53

492-11038

LOCK WASHER,3/8"

4шт.

54

425-106

NUT,3/8"-16, Cl 5

4шт.

Выбрано товаров: 26