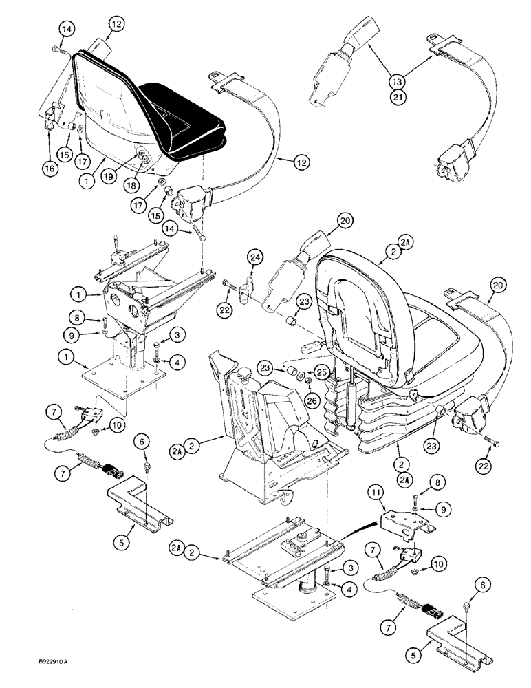
Запчасти Case 580SK (9-125A) - SEATS AND MOUNTING PARTS, SEAT BELT MOUNTING - STANDARD (09) - CHASSIS/ATTACHMENTS

Схема запчастей Case 580SK - (9-125A) - SEATS AND MOUNTING PARTS, SEAT BELT MOUNTING - STANDARD (09) - CHASSIS/ATTACHMENTS
20
22
23
14
1
2a
9
13
17
16
7
25
2
2
2
4
4
2
15
24
8
23
1
22
10
23
3
14
8
5
19
18
10
17
3
1
9
5
2a
7
6
15
26
7
20
12
21
6
2a
11
2a
12
7
FIT
1:1
100%

Артикул

Название

Примечание

Количество

1

102796A2

SEAT ASSY.

SEAT ASSEMBLY standard, vinyl, includes seat, pedestal, and support, see parts list Figure 9-125C for seat and Figure 9-125G for support and pedestal, replaces 102796A1, seats and mounting parts

1шт.

REF #1 PER PAM IF YOU NEED SHELL OF 102796A3 W/SWIVEL TRIP BRACKET. CAN USE GRAY SEAT 234223A1 FROM L MODELS AND CHANGE CUSHIONS TO MATCH

1шт.

2

102795A2

SEAT

ASSEMBLY suspension, cloth, includes seat, armrests, suspension, pedestal, and weight adjuster, see parts list Figure 9-125E for seat, Figure 9-125J for pedestal, weight adjuster, and suspension, and Figure 9-125L for armrests, replaces 102795A1, sea

1шт.

2a

108114A2

SEAT

ASSEMBLY suspension, vinyl, includes seat, armrests, suspension, pedestal, and weight adjuster, see parts list Figure 9-125E for seat, Figure 9-125J for pedestal, weight adjuster, and suspension, and Figure 9-125L for armrests, replaces 108114A1, sea

1шт.

3

413-824

BOLT,Hex, 1/2" - 13 x 1-1/2", Gr 5

Standard or suspension seat, seats and mounting parts Hex, 1/2"-13 x 1 1/2", G5, Full Thd

4шт.

4

80679

LOCK WASHER,1/20.507 CST ZND

WASHER, LOCK, , Standard or suspension seat, seats and mounting parts 1/2"

4шт.

5

118593A1

GUARD

seat switch harness, seats and mounting parts

1шт.

6

281-1478

SELF-TAP SCREW,1/4" - 20 x 1/2"

SCREW self-tapping, hex washer head, 1/4 NC x 1/2 inch, seats and mounting parts

4шт.

7

118769A1

SWITCH

limit, with harness, attaches to side console harness, seats and mounting parts, Operator Presence

1шт.

8

470-10620

SCREW,Pan HD, #6 - 32 x 1-1/4"

- machine, pan head slotted, No. 6 NC x 1-1/4 inch, seats and mounting parts

2шт.

9

495-31016

WASHER,#6

Seats and mounting parts #6

2шт.

10

193-1003

NUT,Keps, w/LW,#6-32

hex, with external tooth lock washer, No. 6 NC, seats and mounting parts

2шт.

11

119211A1

BRACKET

switch mounting, suspension seat only, seats and mounting parts

1шт.

12

D150377

SAFETY BELT ,2.00" W

If used, Seat mounting, Standard seat 2.00" W

1шт.

13

R58418

SAFETY BELT ,3.00" W

If used, Replaces 109518A1, Seat belt mounting - Standard seat 3.00" W

1шт.

14

414-724

BOLT,Hex, 7/16" - 20 x 1-1/2", Gr 5

- hex, 7/16 NF x 1-1/2 inch, seat belt mounting - standard seat

2шт.

15

D150391

SPACER

belt, seat belt mounting - standard seat

2шт.

16

D150392

BRACKET

left-hand belt, seat belt mounting - standard seat

1шт.

17

495-81169

WASHER,17/32" x 2 1/2" x .120"

- flat, 17/32 x 2-1/2 x 1/8 inch, seat belt mounting - standard seat

2шт.

18

496-81010

WASHER

flat, 15/32 x 1 x 7/64 inch, hardened, seat belt mounting - standard seat

2шт.

19

131-1247

LOCK NUT,7/16"-20, GC

NUT hex, self-locking, 7/16 inch NF, seat belt mounting - standard seat

2шт.

20

D150377

SAFETY BELT ,2.00" W

If used, Seat belt mounting, Suspension seat 2.00" W

1шт.

21

R58418

SAFETY BELT ,3.00" W

If used, Replaces 109518A1, Seat belt mounting - Suspension seat 3.00" W

1шт.

22

414-728

BOLT,Hex, 7/16" - 20 x 1-3/4", Gr 5

hex, 7/16 NF x 1-3/4 inch, seat belt mounting - suspension seat

2шт.

23

D150391

SPACER

belt, seat belt mounting - suspension seat

4шт.

24

D150392

BRACKET

left-hand belt, seat belt mounting - suspension seat

1шт.

25

495-81267

WASHER,.469" x 1 1/2" x .134"

flat, 15/32 x 1-1/2 x 5/32 inch, seat belt mounting - suspension seat

2шт.

26

131-1247

LOCK NUT,7/16"-20, GC

NUT hex, self-locking, 7/16 inch NF, seat belt mounting - suspension seat

2шт.

Выбрано товаров: 28