Запчасти Case 580SK (2-26) - TURBOCHARGER SYSTEM, 4T-390 ENGINE (02) - ENGINE

Схема запчастей Case 580SK - (2-26) - TURBOCHARGER SYSTEM, 4T-390 ENGINE (02) - ENGINE
6
17
1a
2
14
8
3
10
7
1
9
13
16
15
11
10
18
18
4
5
12
11
3
FIT
1:1
100%

Артикул

Название

Примечание

Количество

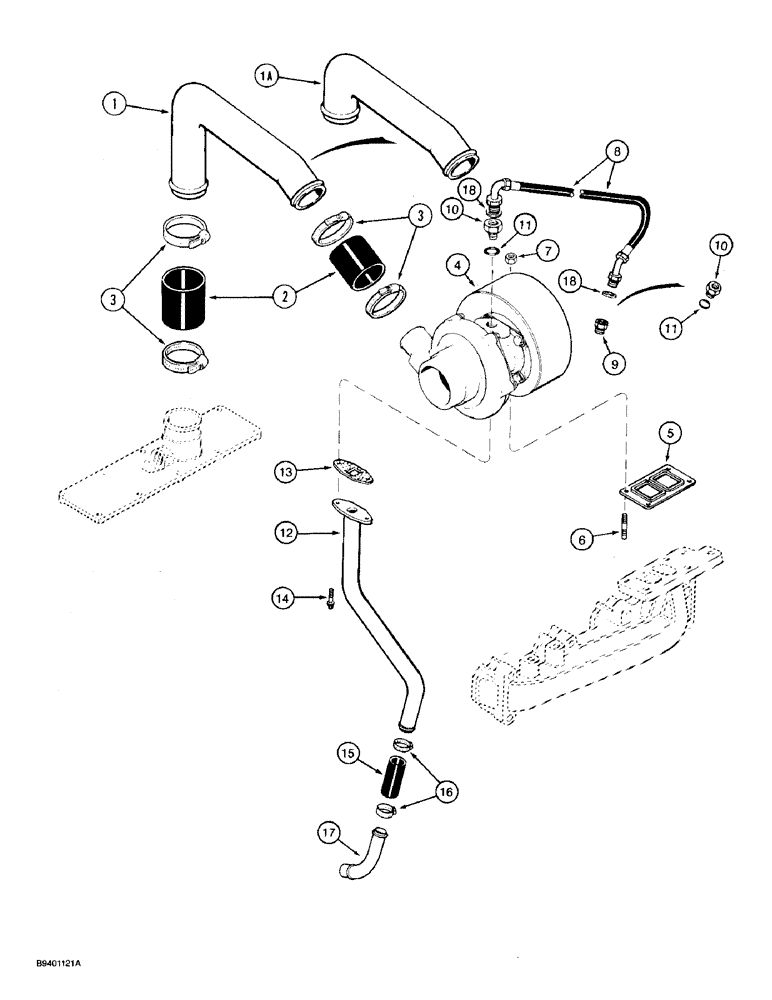
1

J912240

TUBE,50.8 mm OD x 321.6 mm L

air intake, prior to tractor P.I.N. JJG0173468

1шт.

1a

J906623

TUBE,2 mm OD x 299.8 mm L

air intake, tractor P.I.N. JJG0173468 and after

1шт.

2

J916166

INTAKE AIR HOSE

HOSE crossover

2шт.

3

214-1428

HOSE CLAMP,#28, 1.31" - 2.25", Type F Worm

CLAMP, HOSE, , Adjustable #28, 1.31/2.25 Type F Worm

4шт.

4

REF

INSTRUCTION

TURBOCHARGER ASSEMBLY engine, parts list Figure 2-28

1шт.

5

J901356

GASKET,0.5mm Thk

, Serial Range: turbocharger-manifold

1шт.

6

J818823

STUD

turbocharger mounting

4шт.

7

J818824

FLANGE NUT

hex, stud

4шт.

8

J913759

HOSE

Turbocharger Oil Supply

1шт.

9

A77457

FITTING

ADAPTER female hex, used on J915243 oil filter head, prior to Engine Serial Number 44475085

1шт.

10

J919687

HYD CONNECTOR

ADAPTER female hex, replaces J916857 adapter, one used to connect turbocharger oil supply hose to J919135 turbocharger, one used on J918954 oil filter head, Engine Serial Number 44475085 and after, Includes: Ref. 11.

1-2шт.

11

238-5013

O-RING,0.07" Thk x 0.426" ID, -13, Cl 5, 75 Duro

-013, 70 Duro, .426" ID x .070" Thk

1шт.

12

J903740

TUBE

turbocharger oil drain

1шт.

13

J914388

GASKET

drain tube

1шт.

14

845-8020

BOLT,Hvy Hex, M8 x 20mm, Cl 8.8

heavy hex flange, 8 - 1.25 x 20 mm

2шт.

15

J903745

LARGE HOSE

HOSE turbocharger oil drain

1шт.

16

214-1416

HOSE CLAMP,#16, 0.81" - 1.5", Type F Worm

CLAMP, HOSE, , Adj. #16, 0.81/1.50 Type F Worm

2шт.

17

J903744

PIPE FITTING,22.42 mm ID x 28 mm OD x 90.2, 64 mm L

TUBE oil drain, turbocharger, pressed into block

1шт.

18

222-993

GASKET,3/8 Tube, Fl, Copper

2шт.

Выбрано товаров: 19