Запчасти Case 580SK (4-14) - AIR CONDITIONING COMPRESSOR MOUNTING (04) - ELECTRICAL SYSTEMS

Схема запчастей Case 580SK - (4-14) - AIR CONDITIONING COMPRESSOR MOUNTING (04) - ELECTRICAL SYSTEMS
16
18
19
25
18
9
15
11
8
18
17
24
18
6
1
20
2
7
6
4
13
19
23
14
21
16
21
26
10
3
17
20
5
15
23
12
22
FIT
1:1
100%

Артикул

Название

Примечание

Количество

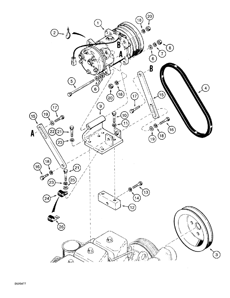
1

97204C1

COMPRESSOR

ASSEMBLY air conditioning, parts list Figure 4-10

1шт.

97204C1R

COMPRESSOR

Reman compressor

1шт.

97204C1C

COMPRESSOR

Return Number

1шт.

1

1977959C1R

REMAN-A/C COMPRESSOR

Reman For New PN 97204C1

1шт.

1

1977959C1C

CORE-A/C COMPRESSOR

Return Number

1шт.

2

L18337

CABLE TIE,9.95"-12.1" lg

STRAP tie, 15 inch, nylon, compressor wire

2шт.

3

A189284

PULLEY,151mm OD

air conditioner compressor drive

1шт.

4

A189285

V-BELT,12.70 mm W x 1060.00 mm L

Drive, Compressor 12.70 mm W x 1060.00 mm L

1шт.

5

827-10130

BOLT,Hex, M10 x 1.5 x 130mm, Cl 10.9

- hex, 10 - 1.5 x 130 mm, class 10.9

1шт.

6

895-11010

WASHER,11mm ID x 20mm OD x 2mm Thk

flat, 11 x 21 x 2 mm

4шт.

7

892-11010

LOCK WASHER,M10

1шт.

8

825-1410

NUT,M10, Cl 8

1шт.

9

A189274

SUPPORT

BRACKET compressor mounting

1шт.

10

614-10030

BOLT,Hex, M10 x 1.5 x 30mm, Cl 8.8, Full Thd

2шт.

11

892-11010

LOCK WASHER,M10

2шт.

12

A184614

SUPPORT

BLOCK bracket support

1шт.

13

814-10040

BOLT,Hex, M10 x 1.5 x 40mm, Cl 8.8

hex, 10 - 1.5 x 40 mm

1шт.

14

892-11010

LOCK WASHER,M10

1шт.

15

A184932

TENSIONER

STRAP compressor adjusting

2шт.

16

614-10030

BOLT,Hex, M10 x 1.5 x 30mm, Cl 8.8, Full Thd

2шт.

17

614-10035

BOLT,Hex, M10 x 1.5 x 35mm, Cl 8.8, Full Thd

hex, 10 - 1.5 x 35 mm

2шт.

18

892-11010

LOCK WASHER,M10

4шт.

19

895-11010

WASHER,11mm ID x 20mm OD x 2mm Thk

flat, 11 x 21 x 2 mm

2шт.

20

825-1410

NUT,M10, Cl 8

2шт.

21

614-10030

BOLT,Hex, M10 x 1.5 x 30mm, Cl 8.8, Full Thd

3 used on naturally aspirated engines and 1 used on turbocharged engines Hex, M10 x 30, 8.8

1-3шт.

22

614-10035

BOLT,Hex, M10 x 1.5 x 35mm, Cl 8.8, Full Thd

hex, 10 - 1.5 x 35 mm, turbocharged engines

2шт.

23

892-11010

LOCK WASHER,M10

3шт.

24

515-2363

CLAMP,M6.3, Insul, 3/8" Bolt

P-type, closed, 6.35 mm ID, main engine harness to compressor bracket, if used

1шт.

25

895-11010

WASHER,11mm ID x 20mm OD x 2mm Thk

flat, 11 x 21 x 2 mm

1шт.

26

D147383

CLIP,5/8" J

CLAMP J-type, if used

1шт.

Выбрано товаров: 30