Запчасти Case 580SK (4-36) - TRAC LAMP ELECT CIRCUIT,WITH CAB,CAB MODELS W/PLASTIC ROOF CAP,PRIOR TO CAB SN JAB0023786 (04) - ELECTRICAL SYSTEMS

Схема запчастей Case 580SK - (4-36) - TRAC LAMP ELECT CIRCUIT,WITH CAB,CAB MODELS W/PLASTIC ROOF CAP,PRIOR TO CAB SN JAB0023786 (04) - ELECTRICAL SYSTEMS
3a
15
18
5
9
3a
16
2
10
6
3a
5
4a
11
7
3
9
19
4b
17
8
12
14
2
1
6
8
4a
4
4b
21
13
3
2
1
4
4a
4a
7
4
3
4
4b
20
FIT
1:1
100%

Артикул

Название

Примечание

Количество

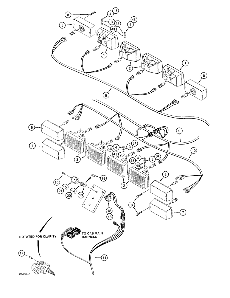
1

R54411

LAMP

ASSEMBLY front driving, parts list Figure 4-40

2шт.

2

R54412

LAMP, WORK

LAMP ASSEMBLY rear flood, outer, and optional front and rear work lamps, center, parts list Figure 4-40

2-6шт.

3

495-11041

WASHER,0.406" ID x 0.812" OD x 0.065" W

flat, (13/32 x 13/16 x 1/16"), Used with Hobbs, SW, lamps

4-8шт.

3a

895-11010

WASHER,11mm ID x 20mm OD x 2mm Thk

flat, 11 x 21 x 2 mm, Used with ABL lamps

4-8шт.

4

131-203

LOCK NUT,3/8"-16, GB, LH

NUT light hex, self-locking, 3/8 inch NC, used with Hobbs, SW, lamps

4-8шт.

4a

832-10410

NUT,M10 x 1.5, Cl 8

NUT, LOCK, , Used with ABL lamps M10 x 1.5, Cl 8

4-8шт.

4b

131-415

JAM NUT,Push, Bolt Retainer, 3/8" x 25/32"

Hex, Used in addition to flat washer and nut on some models Push, Bolt Retainer, 3/8" x 25/32"

4-8шт.

5

92259C1

LIGHT, WARNING

LAMP ASSEMBLY flasher and turn signal, front of cab only, parts list Fig. 4-44

2шт.

6

92258C1

LIGHT, WARNING

LAMP ASSEMBLY flasher and turn signal, rear of cab only, parts list Fig. 4-44

2шт.

7

92260C1

LAMP,12V, 27W, Red

ASSEMBLY stop and tail lamp, parts list Figure 4-44

2шт.

8

132-080

SCREW machine, Fillister head, No. 10 NC x 2 inch, replaced 169-170

12шт.

9

REF

INSTRUCTION

HARNESS cab, main, see Figure 9-140 for harness options and control panel

1шт.

10

R53636

HARNESS

rear lamp, attaches to main cab harness

1шт.

11

REF

INSTRUCTION

HARNESS instrument, side console, see Figure 4-26 for harness options

1шт.

D141394

SWITCH

ASSEMBLY four-position, separate switching of optional front and rear work lamps, with octagonal shaft, no longer available, order D151015 switch and D149932 knob, Ref. 18-21, Includes: Ref. 12, 13 and 14

1шт.

12

NSS

NOT SOLD SEPARAT

SWITCH, optional front and rear work lamps

1шт.

13

193-58

LOCK WASHER,Ext Tooth, 1/2"

WASHER external tooth lock, 1/2 inch

1шт.

14

425-118

NUT,1/2"-20, G5

hex, 1/2 inch NF

1шт.

15

A141735

KNOB

D141394 optional work lamp switch with octagonal shaft, see Figure 9-172, Ref. 50, for work lamp symbol decal, if used

1шт.

16

470-1088

SCREW,Slotted Pan Hd, #8-32 x 1/2"

machine, pan head slotted, No. 8 NC x 1/2 inch

1шт.

17

A149802

FUSE

20 amperes, mounts in fuse holder in side console harness

1шт.

D151015

SWITCH

ASSEMBLY four-position, separate switching of optional front and rear work lamps, with square shaft, Includes: Ref. 18, 19 and 20

1шт.

18

NSS

NOT SOLD SEPARAT

SWITCH, optional front and rear work lamps

1шт.

19

493-11052

LOCK WASHER,Ext-Int Tooth, 1/2"

WASHER internal-external tooth lock, 1/2 inch

1шт.

20

425-148

JAM NUT,Jam, 1/2"-13, G5

- hex, jam, 1/2 inch NC

1шт.

21

D149932

KNOB

KNOB, D151015 optional work lamp switch with square shaft, if used

1шт.

if used

1шт.

Выбрано товаров: 27