Запчасти Case 680CK (066) - ELECTRICAL SYSTEM, (251) SPARK IGNITION ENGINE (55) - ELECTRICAL SYSTEMS

Схема запчастей Case 680CK - (066) - ELECTRICAL SYSTEM, (251) SPARK IGNITION ENGINE (55) - ELECTRICAL SYSTEMS
FIT
1:1
100%

Артикул

Название

Примечание

Количество

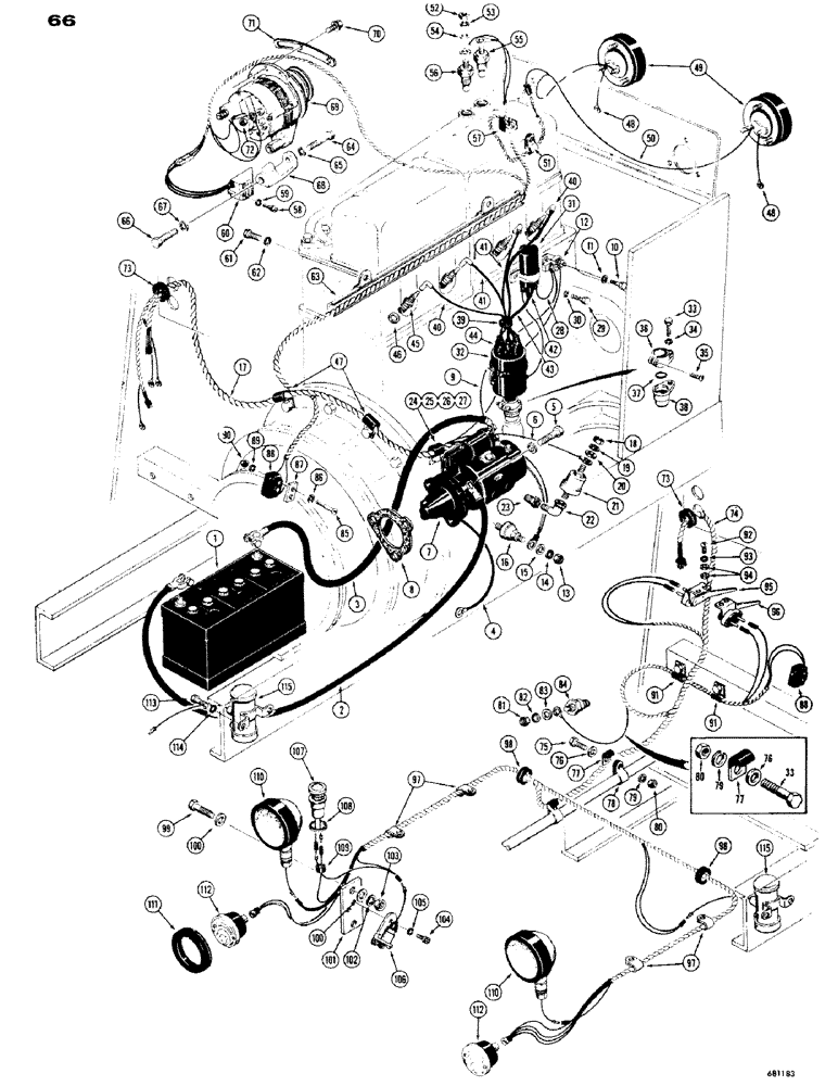
1

M20393

X

BATTERY - 12 volt, See Figure 70 for related parts

1шт.

2

L11362

SPARE PART CABLE - battery, negative terminal to starter (48") long

1шт.

3

A27987

CABLE

CABLE - battery, positive terminal to solenoid (41-1/2" long)

1шт.

4

L11363

CABLE - ground (15" long)

1шт.

5

13-844

BOLT,Hex, 1/2" - 13 x 2-3/4", Gr 5

BOLT, Hex, 1/2"-13 x 2 3/4", G5

1шт.

5

A10009

SCREW,Stud, Hex, 1/2" - 13 x 1 1/4", Nylon Insert

BOLT - special

2шт.

6

92-8

LOCK WASHER,1/2"

LOCK WASHER, 1/2"

3шт.

7

A57092

X

STARTER - engine, Parts list Figure 80

1шт.

8

A27933

GASKET

GASKET - starter

1шт.

9

A28015

SPARE PART WIRE - resistor to starter solenoid (13" long)

1шт.

10

113-2

BOLT,Hex, 1/4" - 20 x 5/8", Gr 5

BOLT, Hex, 1/4"-20 x 5/8", G5, Full Thd

2шт.

11

192-19

LOCK WASHER,Helical Spring, 0.256" ID, CST, ZND

WASHER, LOCK, 1/4"

2шт.

12

A24504

RESISTOR

RESISTOR - primary circuit, 12 volt

1шт.

13

129-37

NUT,#10-32

NUT, #10-32

1шт.

14

192-18

LOCK WASHER,Helical Spring, #10, 0.196" ID, CST, ZND

WASHER, LOCK, #10

1шт.

15

195-512

WASHER,#10

WASHER - plain () Zinc plated #10

1шт.

16

A13794

TRANSMITTER

SENDING UNIT - oil pressure indicator light

1шт.

17

L11348

SPARE PART HARNESS - front, main wiring

1шт.

18

129-37

NUT,#10-32

NUT, #10-32

1шт.

19

192-18

LOCK WASHER,Helical Spring, #10, 0.196" ID, CST, ZND

WASHER, LOCK, #10

1шт.

20

195-512

WASHER,#10

WASHER - plain () Zinc plated #10

1шт.

21

A35031

SENDER UNIT

SENDER SENDING UNIT - engine oil pressure gauge

1шт.

22

221-1411

ELBOW,90 Degree, 1/8"-27, NPT

ELBOW - street, 90 degrees (Galvanized)

1шт.

23

221-1052

PLUG

BUSHING - hex., reducing (3/8 x 1/8")

1шт.

24

13-612

BOLT,Hex, 3/8" - 16 x 3/4", Gr 5, Full Thd

BOLT, Hex, 3/8"-16 x 3/4", G5, Full Thd

1шт.

25

92-6

LOCK WASHER,3/8"

LOCK WASHER, 3/8"

1шт.

26

195-25

WASHER,3/8"

WASHER - plain () 3/8"

1шт.

27

A22880

CLIP

CLIP - harness

1шт.

28

A8743

SPARE PART WIRE - resistor to coil (8" long)

1шт.

29

75-510

HANDBOOK

RHMS - 5/16" - 18 NC x 5/8"

2шт.

30

193-45

WASHER,Ext-Int Tooth, 5/16"

SPARE PART WASHER - Shakeproof (5/16")

2шт.

31

A40778

COIL

COIL - ignition

1шт.

REF#31 USE WITH A24504 ON 12 VOLT SYSTEM

1шт.

32

A24508

DISTRIBUTOR

DISTRIBUTOR ASSEMBLY - electrical, Parts list Figure 82

1шт.

33

13-516

BOLT,Hex, 5/16" - 18 x 1", Gr 5

BOLT, Hex, 5/16"-18 x 1", G5, Full Thd

2шт.

34

92-5

LOCK WASHER,5/16"

LOCK WASHER, 5/16"

1шт.

35

75-520

SPARE PART RHMS - 5/16" - 18 NC x 1-1/4"

1шт.

36

A7622

SPARE PART CLAMP - distributor

1шт.

37

A7623

O-RING,0.139" Thk x 0.984" ID, -214, Cl 5, 75 Duro

SEAL - "O" ring

1шт.

38

A7621

SPARE PART INSERT - distributor support

1шт.

39

A23258

SPARE PART RING - tie, spark plug wire

1шт.

40

A20143

ELECTRICAL WIRE

WIRE WIRE - distributor to #1 and #4 spark plugs (15" long)

2шт.

41

A20144

ELECTRICAL WIRE

WIRE WIRE - distributor to #2 and #3 spark plugs (11" long)

2шт.

42

G46803

BOOT

NIPPLE - ignition coil

1шт.

43

A29180

CABLE

WIRE -, Serial Range: distributor-coil

1шт.

44

A29338

COVER

NIPPLE - distributor

5шт.

45

G44840

SPARK PLUG

SPARK PLUG ASSEMBLY - electrical

4шт.

46

G46839

GASKET

GASKET - spark plug

1шт.

47

A22880

CLIP

CLIP - harness

2шт.

48

A15941

ELECTRICAL WIRE

WIRE WIRE - ground, headlight

2шт.

49

D30243

LAMP

HEADLIGHT ASSEMBLY - 12 volt, Parts list Figure 72

2шт.

50

L11352

ELECTRICAL WIRE

WIRE WIRE - headlight connecting

1шт.

51

A7922

CLIP

CLIP - mounting

1шт.

52

129-16

NUT,#8-32

NUT, #8-32

2шт.

53

192-16

LOCK WASHER,Helical Spring, #8, 0.17" ID, CST, ZND

Washer, Lock, #8

2шт.

54

195-509

WASHER,3/16"

WASHER - plain (#8) Zinc plated

2шт.

55

A21462

SENDER UNIT

SENDER SENDING UNIT - water temperature gauge

1шт.

56

L11350

SENDER UNIT

SENDING UNIT - water temperature indicator light

1шт.

57

A22880

CLIP

CLIP - harness

1шт.

58

165-20

HEX SOC SCREW,#10 - 24 x 3/8"

CAP SCREW - hex. socket head (#10 - 24 NC x 3/8")

3шт.

59

92-3

LOCK WASHER,#10

WASHER, LOCK, #10

3шт.

60

L11351

REGULATOR

SPARE PART REGULATOR - voltage

1шт.

61

13-58

BOLT,Hex, 5/16" - 18 x 1/2", Gr 5

BOLT, Hex, 5/16"-18 x 1/2", G5, Full Thd

2шт.

62

92-5

LOCK WASHER,5/16"

LOCK WASHER, 5/16"

2шт.

63

A7532

SPARE PART CONDUIT - wire

1шт.

64

13-652

BOLT,Hex, 3/8" - 16 x 3-1/4", Gr 5

HHCS - 3/8" - 16 NC x 3-1/4"

1шт.

65

92-6

LOCK WASHER,3/8"

LOCK WASHER, 3/8"

1шт.

66

13-1244

BOLT,Hex, 3/4" - 10 x 2-3/4", Gr 5

BOLT, Hex, 3/4"-10 x 2 3/4", G5

1шт.

67

92-12

LOCK WASHER,3/4"

WASHER, LOCK, 3/4"

1шт.

68

A34704

BRACKET

BRACKET - alternator mounting

1шт.

69

A41340

ALTERNATOR

ALTERNATOR - electrical, 55 amp., Parts list Figure 76

1шт.

A167152

ALTERNATOR

ALTERNATOR - 24 Volt 40 AMP

1шт.

104260A1R

REMAN-ALTERNATOR

Remanufactured 24 VOLT, 40 AMP Alternator

1шт.

104260A1C

CORE-ALTERNATOR

Return Number, 24 VOLT, 40 AMP Alternator

1шт.

70

193-514

SCREW,SEMS, Hex Hd, 5/16"-18 x 3/4"

SCREW AND LOCKWASHER - 5/16" - 18 NC x 3/4"

1шт.

71

A34705

ADJUSTER

STRAP - alternator adjusting

1шт.

72

129-17

NUT,Hex, #10 - 24

NUT - hex. (#10 - 24 NC) Zinc plated

3шт.

73

A7808

GROMMET

GROMMET - rubber

2шт.

74

L11355

SPARE PART HARNESS - wire, rear

1шт.

75

113-102

BOLT,Hex, 5/16" - 18 x 3/4", Gr 5

BOLT, Hex, 5/16"-18 x 3/4", G5, Full Thd

2шт.

76

195-521

WASHER,5/16", SAE

WASHER - plain (5/16") Zinc plated

3шт.

77

A22880

CLIP

CLIP - harness

3шт.

78

49789

CLAMP

SPARE PART CLAMP - backhoe return tube

2шт.

79

192-20

LOCK WASHER,Helical Spring, 0.318" ID, CST, ZND

WASHER, LOCK, 5/16"

3шт.

80

9635082

NUT,5/16" - 18, Gr 5

NUT, 5/16"-18, G5

3шт.

81

129-37

NUT,#10-32

NUT, #10-32

1шт.

82

192-18

LOCK WASHER,Helical Spring, #10, 0.196" ID, CST, ZND

WASHER, LOCK, #10

1шт.

83

195-512

WASHER,#10

WASHER - plain () Zinc plated #10

1шт.

84

A13795

SENDER UNIT

SENDER SENDING UNIT - converter temperature gauge

1шт.

85

173-69

RHMS - #6 - 32 NC x 1-1/2"

2шт.

86

195-6

WASHER,#6

WASHER - plain () #6

2шт.

87

L11524

SPARE PART SPACER - neutral starting switch

1шт.

88

L11349

SWITCH

SWITCH - neutral starting

1шт.

REF#88 ROLLER TYPE L54683 10/31/96

1шт.

89

192-5

LOCK WASHER,#6

WASHER, LOCK, #6

2шт.

90

129-5

NUT,#6-32

NUT, #6-32

2шт.

91

A22880

CLIP

CLIP - harness

2шт.

92

173-237

SCREW,Sl Rnd Hd, #10 - 32 x 1/2"

RHMS - #10 - 32 NF x 1/2" (Zinc plated)

4шт.

93

92-3

LOCK WASHER,#10

WASHER, LOCK, #10

4шт.

94

195-512

WASHER,#10

WASHER - plain () Zinc plated #10

8шт.

95

A33977

SWITCH

SWITCH - stop light, L.H.

1шт.

96

A33976

SWITCH

SWITCH - stop light, R.H.

1шт.

97

A10852

SPARE PART CLIP - floor support bolt

4шт.

98

A7808

GROMMET

GROMMET - rubber

2шт.

99

413-632

BOLT,Hex, 3/8" - 16 x 2", Gr 5

BOLT, Hex, 3/8"-16 x 2", G5

2шт.

100

95-6

WASHER,3/8"

WASHER - standard wrot () 3/8"

4шт.

101

L11544

PLATE - mounting, receptacle

1шт.

102

92-6

LOCK WASHER,3/8"

LOCK WASHER, 3/8"

2шт.

103

25-106

NUT,3/8"-16, G5

NUT - hex. (3/8" - 16 NC)

2шт.

104

165-20

HEX SOC SCREW,#10 - 24 x 3/8"

CAP SCREW - hex. socket head (#10 - 24 NC x 3/8")

2шт.

105

92-3

LOCK WASHER,#10

WASHER, LOCK, #10

2шт.

106

A8170

SOCKET

RECEPTACLE - connector

1шт.

107

L11344

WARNING LIGHT

LIGHT - engine warning, Parts list Figure 72

1шт.

108

L11345

GASKET

GASKET - light, engine warning

1шт.

109

A17599

GROMMET,1/4" ID x 7/16" Groove Dia

GROMMET - light, engine warning

1шт.

110

L11357

LIGHT

REAR LIGHT ASSEMBLY - 12 volt, Parts list Figure 72

2шт.

111

L11521

MOLDING - stop light

2шт.

112

L10741

STOP LIGHT

STOP AND TAILLIGHT - 12 volt, Parts list Figure 72

2шт.

113

13-48

BOLT,Hex, 1/4" - 20 x 1/2", Gr 5

BOLT, Hex, 1/4"-20 x 1/2", G5, Full Thd

2шт.

114

92-4

LOCK WASHER,1/4"

WASHER, LOCK, 1/4"

2шт.

115

L11122

FUEL PUMP

PUMP ASSEMBLY - fuel, Parts list Figure 56

1шт.

Выбрано товаров: 121