Запчасти Case 680CK (194) - BACKHOE HYDRAULICS, BOOM, CROWD AND BUCKET CYLINDER HYDRAULICS (84) - BOOMS, DIPPERS & BUCKETS

Схема запчастей Case 680CK - (194) - BACKHOE HYDRAULICS, BOOM, CROWD AND BUCKET CYLINDER HYDRAULICS (84) - BOOMS, DIPPERS & BUCKETS
FIT
1:1
100%

Артикул

Название

Примечание

Количество

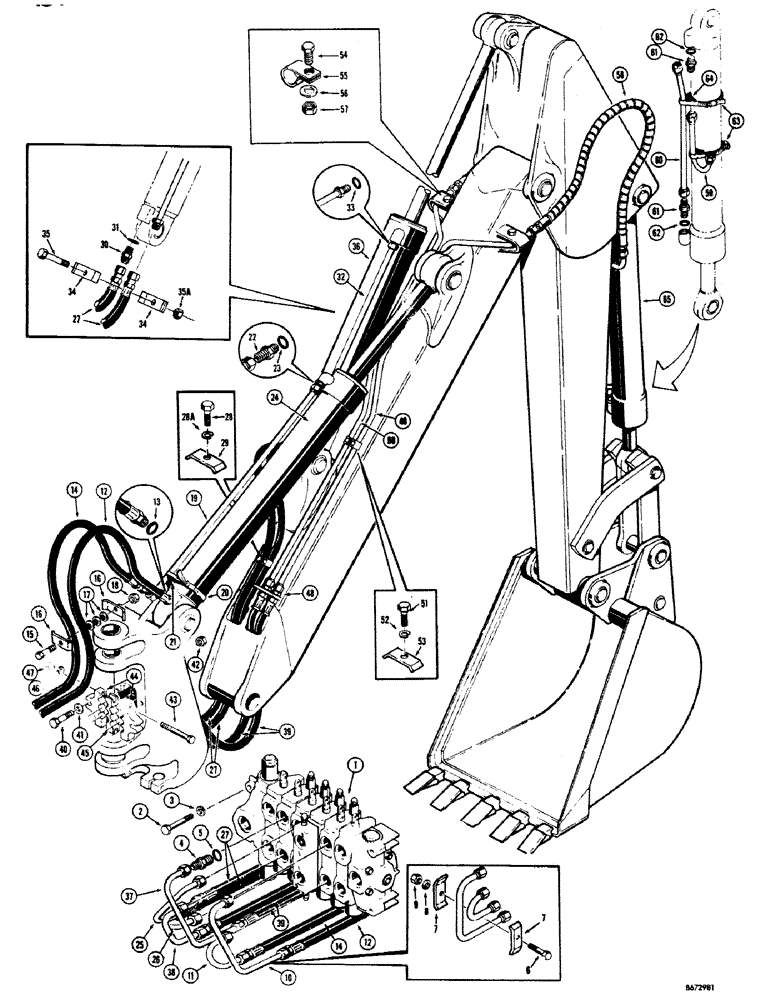
1

D38705

VALVE - backhoe control (Parts list Figure 238) Order D44379 backhoe control valve for service

1шт.

D44379

LOCK VALVE

VALVE - backhoe control (Parts list Figure 238)

1шт.

2

13-864

BOLT,Hex, 1/2" - 13 x 4", Gr 5

(Lower mounting hole in valve inlet section) Hex, 1/2"-13 x 4", G5

1шт.

13-868

BOLT,Hex, 1/2" - 13 x 4-1/4", Gr 5

(Upper mounting hole in valve inlet section, mounting hole in valve outlet section) Hex, 1/2"-13 x 4 1/4", G5

2шт.

3

92-8

LOCK WASHER,1/2"

3шт.

4

218-5064

HYD CONNECTOR,1-1/16" - 12 Male JIC x 1-1/16" - 12 Male ORB

CONNECTOR - male, straight

6шт.

5

218-5008

O-RING,0.116" Thk x 0.924" ID, -912, Cl 6, 90 Duro

SEAL - "O"ring

1шт.

6

13-528

BOLT,Hex, 5/16" - 18 x 1-3/4", Gr 5

HHCS - 5/16" - 18 NC x 1-3/4"

3шт.

7

D20045

PLATE ASSY.

CLAMP - tube

6шт.

8

95-5

WASHER,3/8" x 7/8" x .083"

- standard wrot (5/16")

3шт.

9

131-4

LOCK NUT,5/16"-18, GB

NUT - hex., lock (5/16" - 18 NC)

3шт.

10

D40649

TUBE

- boom section, upper port, cylinder hydraulics

1шт.

11

D40642

TUBE

- boom section, lower port, cylinder hydraulics

1шт.

12

D40636

X

HOSE - upper boom section port to boom cylinder, close end (58-1/2" long) Order 1 - D42934 hose and 1 - 218-5064 connector for service, hydraulics

1шт.

13

218-5008

O-RING,0.116" Thk x 0.924" ID, -912, Cl 6, 90 Duro

SEAL - "O"ring, boom cylinder hydraulics

1шт.

14

D42934

HOSE ASSY.

HOSE - lower boom section port to boom cylinder rod end (57" long), hydraulics

1шт.

15

13-624

BOLT,Hex, 3/8" - 16 x 1-1/2", Gr 5

HHCS - 3/8" - 16 NC x 1-1/2", boom cylinder hydraulics

1шт.

16

R15257

CLAMP

- hose, boom cylinder hydraulics

2шт.

17

95-6

WASHER,3/8"

- standard wrot (), boom cylinder hydraulics 3/8"

3шт.

18

131-6

LOCK NUT,3/8"-16, GC

NUT - hex., lock (3/8" - 16 NC), boom cylinder hydraulics

1шт.

19

D40653

TUBE - boom cylinder, rod end, hydraulics

1шт.

20

214-275

HOSE CLAMP,#92, 5.38" - 6.25", Type F Worm

CLAMP - tube to cylinder, boom cylinder hydraulics

1шт.

21

D38648

BLOCK

SPACER - clamp, boom cylinder hydraulics

1шт.

22

218-5050

HYD CONNECTOR,1-5/16" - 12 Male JIC x 1-1/16" - 12 Male ORB

CONNECTOR, HYD., male, straight, boom cylinder

1шт.

23

218-5008

O-RING,0.116" Thk x 0.924" ID, -912, Cl 6, 90 Duro

SEAL - "O"ring, boom cylinder hydraulics

1шт.

24

D45503

CYLINDER ASSY.

CYLINDER - hydraulic, boom (4-1/2" I.D. x 39-3/16" stroke), Parts list Figure 222

1шт.

25

D40649

TUBE

- crowd section, upper port, cylinder hydraulics

1шт.

26

D40642

TUBE

- crowd section, lower port, cylinder hydraulics

1шт.

27

D40634

HOSE

- valve to crowd cylinder (74-1/2" long), hydraulics

2шт.

28

13-616

BOLT,Hex, 3/8" - 16 x 1", Gr 5, Full Thd

Crowd cylinder hydraulics Hex, 3/8"-16 x 1", G5, Full Thd

1шт.

28a

92-6

LOCK WASHER,3/8"

crowd cylinder hydraulics 3/8"

1шт.

29

D41160

CLAMP

- hose, crowd cylinder hydraulics

1шт.

30

218-5064

HYD CONNECTOR,1-1/16" - 12 Male JIC x 1-1/16" - 12 Male ORB

CONNECTOR - male, straight, crowd cylinder hydraulics

1шт.

31

218-5008

O-RING,0.116" Thk x 0.924" ID, -912, Cl 6, 90 Duro

SEAL - "O"ring, crowd cylinder hydraulics

1шт.

32

D40644

TUBE - crowd cylinder, rod end, hydraulic

1шт.

33

218-5008

O-RING,0.116" Thk x 0.924" ID, -912, Cl 6, 90 Duro

SEAL - "O"ring, crowd cylinder hydraulics

1шт.

34

D33316

CLAMP

- hose, crowd cylinder hydraulics

2шт.

35

13-532

BOLT,Hex, 5/16" - 18 x 2", Gr 5

Crowd cylinder hydraulics Hex, 5/16"-18 x 2", G5

1шт.

35a

131-4

LOCK NUT,5/16"-18, GB

NUT - hex., lock (5/16" 18 NC), crowd cylinder hydraulics

1шт.

36

D43575

CYLINDER ASSY.

CYLINDER - hydraulic, crowd (4-1/2" I.D. x 35-1/8" stroke), Parts list Figure 224

1шт.

37

D40640

TUBE - bucket section, upper port

1шт.

38

D40651

TUBE

- bucket section, lower port

1шт.

39

D40635

HOSE

- valve to bucket cylinder (58" long)

2шт.

40

13-532

BOLT,Hex, 5/16" - 18 x 2", Gr 5

2шт.

41

195-21

WASHER,5/16"

- plain () 5/16"

2шт.

42

131-4

LOCK NUT,5/16"-18, GB

NUT - hex., lock (5/16" - 18 NC)

2шт.

43

13-548

CAP,Hex, 5/16" - 18 x 3", Gr 5

BOLT - 5/16" - 18 NC x 3

2шт.

44

D40659

CLAMP - hose, outer

2шт.

45

D40795

CLAMP - hose, center

1шт.

46

195-21

WASHER,5/16"

- plain () 5/16"

2шт.

47

131-4

LOCK NUT,5/16"-18, GB

NUT - hex., lock (5/16 - 18 NC)

2шт.

48

D26231

NUT

- hex., jam (Special)

2шт.

49

D40630

TUBE

- valve to bucket cylinder, R.H.

1шт.

50

D40632

TUBE

- valve to bucket cylinder, L.H.

1шт.

51

13-616

BOLT,Hex, 3/8" - 16 x 1", Gr 5, Full Thd

1шт.

52

92-6

LOCK WASHER,3/8"

1шт.

53

D40236

CLAMP

- tube

1шт.

54

13-512

BOLT,Hex, 5/16" - 18 x 3/4", Gr 5

2шт.

55

515-23190

CLAMP,3/4", Insul, 3/8" Bolt

- tube

2шт.

56

195-21

WASHER,5/16"

- plain () 5/16"

2шт.

57

131-4

LOCK NUT,5/16"-18, GB

NUT - hex., lock (5/16" - 18 NC)

2шт.

58

D40657

HOSE ASSY.

HOSE - valve to bucket cylinder (40" long)

2шт.

59

D40655

TUBE

- bucket cylinder, closed end

1шт.

60

D40647

TUBE

- bucket cylinder, rod end

1шт.

61

218-5064

HYD CONNECTOR,1-1/16" - 12 Male JIC x 1-1/16" - 12 Male ORB

CONNECTOR - male, straight

2шт.

62

218-5008

O-RING,0.116" Thk x 0.924" ID, -912, Cl 6, 90 Duro

SEAL - "O"ring

1шт.

63

214-269

HOSE CLAMP,#72, 4.06" - 5", Type F Worm

CLAMP - tube to cylinder

2шт.

64

D38648

BLOCK

SPACER - clamp

2шт.

65

D42628

CYLINDER

- hydraulic, bucket (4" I.D. x 27-1/4" stroke), Parts list Figure 218

1шт.

Выбрано товаров: 69