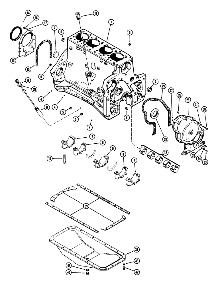
Запчасти Case 680CK (012) - CYLINDER BLOCK ASSEMBLY, (267) DIESEL ENGINE (10) - ENGINE

Схема запчастей Case 680CK - (012) - CYLINDER BLOCK ASSEMBLY, (267) DIESEL ENGINE (10) - ENGINE
FIT
1:1
100%

Артикул

Название

Примечание

Количество

A40887

BLOCK ASSY. - short (Casting No. A34931) (Incl. piston assy., connecting rods & brgs., crankshaft & brgs., camshaft & timing gears)

1шт.

1

A23497

SKELETON ENGINE

BLOCK ASSY. stripped (Casting no. A34931)

1шт.

2

A24361

PLUG

- camshaft hole (2-3/8" cup type)

1шт.

3

41-1628

PLUG,Cup, 1 3/4", Stainless

- water gallery, front (1-49/64" cup type)

1шт.

4

222-41

ELBOW,90 Degree, 7/16"-24 x 1/8 NPT

PLUG - (1/8" P.T., sltd. hd.)

3шт.

5

221-843

PLUG,Hex Soc, 3/8"-18

- (3/8" P.T., ctsk, hd.)

5шт.

6

221-26

DRAIN PLUG,Sq Soc, 1"-11 1/2, NTPF

PLUG - (1" P.T., ctsk. hd.)

1шт.

7

A24941

CAP

- main brg., wide, front & rear

2шт.

8

A24942

CYLINDER END CAP

CAP - main brg., narrow, intermediate

2шт.

9

A24943

CAP

- main brg., thrust, center

1шт.

10

A27836

SPECIAL BOLT,5/8" - 11 x 3 1/4"

- brg. caps, 5/8 x 3-1/4" N.C. spec.

10шт.

11

A34540

TUBE

SOCKET - oil filler

1шт.

12

A23577

KIT

BUSHING KIT - camshaft (Set of 4)

1шт.

13

A57457

RETAINER

- rear oil seal

1шт.

14

A23085

OIL SEAL

- oil (4-3/4 x 5-3/4 x 1/2")

1шт.

15

A32830

GASKET

- rear oil seal retainer

1шт.

16

13-620

BOLT,Hex, 3/8" - 16 x 1-1/4", Gr 5, Full Thd

Retainer Hex, 3/8"-16 x 1 1/4", G5, Full Thd

6шт.

17

92-6

LOCK WASHER,3/8"

6шт.

18

A33610

DRIVE

ASSY. - tachometer

1шт.

19

A34541

DIPSTICK

GAUGE ASSY. - oil level (dip-stick)

1шт.

20

F62075

O-RING,0.139" Thk x 0.734" ID, -210, Cl 5, 75 Duro

"O" RING - oil level gauge (3/4 x 1 x 1/8")

1шт.

25

A20718

COVER ASSY. - timing gears

1шт.

26

A27840

PIN

- cover locating (5/16 x 3/4")

2шт.

27

A27869

BUTTON - thrust (Rubber bumper)

2шт.

28

A57342

SEAL

- oil, front (2-5/8 x 3-5/8 x 1/2")

1шт.

29

A33018

GASKET

- timing gear cover

1шт.

30

13-640

BOLT,Hex, 3/8" - 16 x 2-1/2", Gr 5

- cover, 3/8 x 2-1/2" N.C. hex.

5шт.

30

13-660

BOLT,Hex, 3/8" - 16 x 3-3/4", Gr 5

- cover, 3/8 x 3-3/4" N.C. hex.

3шт.

30

13-616

BOLT,Hex, 3/8" - 16 x 1", Gr 5, Full Thd

Cover Hex, 3/8"-16 x 1", G5, Full Thd

2шт.

31

92-6

LOCK WASHER,3/8"

10шт.

32

A21362

CLIP

POINTER - timing indicator

1шт.

33

13-48

BOLT,Hex, 1/4" - 20 x 1/2", Gr 5

Pointer Hex, 1/4"-20 x 1/2", G5, Full Thd

2шт.

34

193-44

LOCK WASHER,Ext-Int Tooth, 1/4"

WASHER - int./ext. skpf., 1/4"

2шт.

38

A23000

CASE

PAN - oil

1шт.

39

A7616

GASKET KIT

GASKET SET - oil pan

1шт.

40

A14280

PLUG

- drain, oil pan

1шт.

41

A27927

OIL PAN GASKET SET

- drain plug, oil pan

1шт.

42

13-614

BOLT,Hex, 3/8" - 16 x 7/8", Gr 5, Full Thd

Oil pan Hex, 3/8"-16 x 7/8", G5, Full Thd

24шт.

43

92-6

LOCK WASHER,3/8"

oil pan 3/8"

24шт.

Выбрано товаров: 39