Запчасти Case 680CK (040) - CYLINDER BLOCK ASSEMBLY, (251) SPARK IGNITION ENGINE (10) - ENGINE

Схема запчастей Case 680CK - (040) - CYLINDER BLOCK ASSEMBLY, (251) SPARK IGNITION ENGINE (10) - ENGINE
FIT
1:1
100%

Артикул

Название

Примечание

Количество

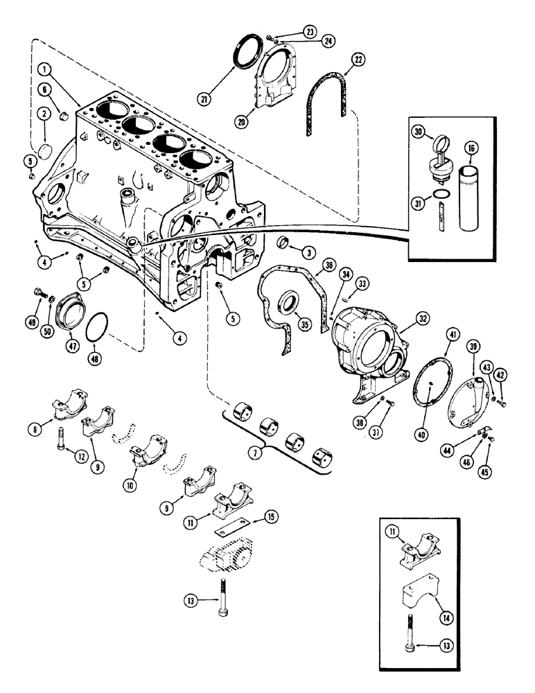
A41214

SKELETON ENGINE

BLOCK ASSY. - short (Casting no. A34930) (Incl. piston assy., connecting rods & brgs., crankshaft & brgs., camshaft & timing gears)

1шт.

1

A41215

SKELETON ENGINE

BLOCK ASSY. - stripped (Casting no. A34930)

1шт.

2

A24361

PLUG

- camshaft hold (2-3/8" cup type)

1шт.

3

41-1628

PLUG,Cup, 1 3/4", Stainless

- water gallery (1-3/4" cup type)

1шт.

4

221-41

PLUG

- (1/8" P.T., sltd. hd.)

3шт.

5

221-1843

PLUG

- oil gallery (3/8" P.T., sckt. hd.)

4шт.

6

221-26

DRAIN PLUG,Sq Soc, 1"-11 1/2, NTPF

PLUG - water gallery (1" P.T., sckt. hd.)

1шт.

7

A23577

KIT

BUSHING SET - camshaft

1шт.

8

A24941

CAP

- main brg., rear

1шт.

9

A24942

CYLINDER END CAP

CAP - main brg., intermediate

2шт.

10

A24943

CAP

- main brg., thrust, center

1шт.

11

A34937

HOLDER

CAP - main brg., front

1шт.

12

A27836

SPECIAL BOLT,5/8" - 11 x 3 1/4"

- brg. caps (Rear, inter. & ctr.) 5/8" x 3-1/4" N.C. hex., special

8шт.

13

113-637

BOLT

- brg. cap (Front) (Also holds oil pump) 5/8 x 6" N.C. hex.

2шт.

14

A57076

SPACER - front brg. cap (Discard)

1шт.

15

A57454

SHIM,.005" Thk

Oil pump .005" Thk

1шт.

15

A57455

SHIM,.010" Thk

Oil pump .010" Thk

1шт.

15

A57456

SHIM,.025" Thk

Oil pump .025" Thk

1шт.

16

A34540

TUBE

SOCKET - oil fill & level gauge

1шт.

20

A57457

RETAINER

- rear oil seal

1шт.

21

A23085

OIL SEAL

- oil, rear (4-3/4 x 5-3/4 x 1/2")

1шт.

22

A32830

GASKET

- rear oil seal retainer

1шт.

23

13-620

BOLT,Hex, 3/8" - 16 x 1-1/4", Gr 5, Full Thd

Retainer Hex, 3/8"-16 x 1 1/4", G5, Full Thd

6шт.

24

92-6

LOCK WASHER,3/8"

6шт.

30

A34541

DIPSTICK

GAUGE ASSY. - oil level (Dip-stick)

1шт.

31

F62075

O-RING,0.139" Thk x 0.734" ID, -210, Cl 5, 75 Duro

"O" RING - gauge (3/4 x 1 x 1/8")

2шт.

32

A57416

COVER ASSY. - timing gears

1шт.

33

A27840

PIN

- cover locating (5/16 x 3/4")

2шт.

34

A27869

BUTTON - thrust (Rubber bumper)

1шт.

35

A57342

SEAL

- oil, front (2-5/8 x 3-5/8 x 1/2")

1шт.

36

A33018

GASKET

- timing gear cover

1шт.

37

13-616

BOLT,Hex, 3/8" - 16 x 1", Gr 5, Full Thd

Cover Hex, 3/8"-16 x 1", G5, Full Thd

2шт.

37

13-640

BOLT,Hex, 3/8" - 16 x 2-1/2", Gr 5

- cover, 3/8 x 2-1/2" N.C. hex.

8шт.

38

92-6

LOCK WASHER,3/8"

10шт.

39

A20833

CAP ASSY. - timing gear cover

1шт.

40

A27869

BUTTON - thrust (Rubber bumper)

1шт.

41

A27867

GASKET

- timing gear cover cap

1шт.

42

13-612

BOLT,Hex, 3/8" - 16 x 3/4", Gr 5, Full Thd

Cap Hex, 3/8"-16 x 3/4", G5, Full Thd

1шт.

42

13-618

BOLT,Hex, 3/8" - 16 x 1-1/8", Gr 5

3шт.

43

92-6

LOCK WASHER,3/8"

4шт.

44

A28218

POINTER - timing indicator

1шт.

45

13-48

BOLT,Hex, 1/4" - 20 x 1/2", Gr 5

Pointer Hex, 1/4"-20 x 1/2", G5, Full Thd

2шт.

46

193-44

LOCK WASHER,Ext-Int Tooth, 1/4"

WASHER - int./ext. skpf., 1/4"

4шт.

47

A7625

COVER - magneto opening

1шт.

48

A23316

O-RING,0.139" Thk x 4.484" ID, -246, Cl 5, 75 Duro

"O" RING - cover (4-1/2 x 4-3/4 x 1/8")

1шт.

49

13-618

BOLT,Hex, 3/8" - 16 x 1-1/8", Gr 5

Cover Hex, 3/8"-16 x 1 1/8", G5, Full Thd

3шт.

50

92-6

LOCK WASHER,3/8"

3шт.

Выбрано товаров: 47