Запчасти Case 680CK (096) - AUTOMATIC CLUTCH DISCONNECT CONTROLS (21) - TRANSMISSION

Схема запчастей Case 680CK - (096) - AUTOMATIC CLUTCH DISCONNECT CONTROLS (21) - TRANSMISSION
FIT
1:1
100%

Артикул

Название

Примечание

Количество

1

REF

INSTRUCTION

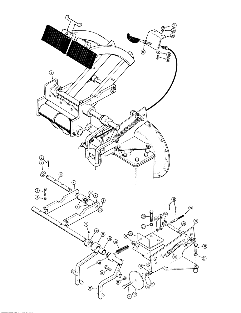
BRAKE PEDALS AND MOUNTING BRACKET - tractor, See Figure 108 for components

1шт.

2

132-27

COTTER PIN,3/32" x 7/8"

4шт.

3

195-33

WASHER,1/2"

Plain (3/8")

4шт.

4

L13589

SPARE PART ARM - disconnect lever actuating

2шт.

5

L13591

ROLLER - arm at pedal contact

2шт.

6

L13590

SPARE PART SHAFT - arm

1шт.

7

13-424

BOLT,Hex, 1/4" - 20 x 1-1/2", Gr 5

2шт.

8

92-4

LOCK WASHER,1/4"

2шт.

9

82-48

SCREW - set, cup point (1/4" - 28 NF x 1/2")

1шт.

10

B16493

SPARE PART COLLAR - shaft

1шт.

L13588

SPARE PART LEVER ASSEMBLY - clutch disconnect, cable control

1шт.

11

NSS

NOT SOLD SEPARAT

LEVER - clutch disconnect, cable control

1шт.

12

A55533

BUSHING

SPARE PART Lever

1шт.

13

L13587

SPARE PART LEVER AND SHAFT ASSEMBLY - clutch disconnect, brake pedal control

1шт.

14

14-524

BOLT,Hex, 5/16" - 24 x 1-1/2", Gr 5

1шт.

15

L13586

SPARE PART Clutch disconnect

1шт.

16

195-22

WASHER

Plain (5/16")

1шт.

17

92-5

LOCK WASHER,5/16"

1шт.

18

25-155

JAM NUT,Jam, 5/16"-24, G5

2шт.

19

13-516

BOLT,Hex, 5/16" - 18 x 1", Gr 5

1шт.

20

9635082

NUT,5/16" - 18, Gr 5

1шт.

21

L13592

SPARE PART Lever return

1шт.

22

L13596

PIN - spring mounting

1шт.

23

132-46

COTTER PIN,1/8" x 3/4"

2шт.

24

95-7

WASHER,7/16"

Standard wrot

3шт.

25

L11574

BRACKET - bellcrank mounting

1шт.

26

L13593

CABLE

Clutch disconnect

1шт.

27

173-216

SCREW,Sl Rnd Hd, 1/4" - 20 x 1 3/4"

Round head machine, zinc plated (1/4" - 20 NC x 1-3/4")

2шт.

28

195-518

WASHER,1/4", SAE

2шт.

29

L13985

BRACKET - cable mounting, at dash

1шт.

30

192-19

LOCK WASHER,Helical Spring, 0.256" ID, CST, ZND

2шт.

31

7770

NUT,Hex, 1/4 - 20, Cl 5

2шт.

32

25-155

JAM NUT,Jam, 5/16"-24, G5

2шт.

33

92-5

LOCK WASHER,5/16"

1шт.

34

L13595

BRACKET - cable mounting, at forward and reverse valve

1шт.

35

13-540

BOLT,Hex, 5/16" - 18 x 2-1/2", Gr 5

2шт.

36

13-536

BOLT,Hex, 5/16" - 18 x 2-1/4", Gr 5

3шт.

37

92-5

LOCK WASHER,5/16"

5шт.

38

A37580

VALVE SPRING

Disconnect control

1шт.

Выбрано товаров: 0